MMT трансмисия/скоростна кутия и всичко за нея
-
Димитър 76
- Мнения: 16
- Регистриран на: 26 Сеп 2021 08:53
- Местоположение: Сандански
- Автомобил: Тойота Ярис 1,4 d4d 2006 mmt
MMT трансмисия/скоростна кутия и всичко за нея
Това го нахвърлях като идея. Не съм запознат с тези технологии и възникват толкова въпросителни. Първо ми дойде на главата да предложа да се съберем
Някъде един уикенд и да проведем нещо като обучение . Но всеки един от нас надали сте може да присъства. Вие сте в Пловдив Петър 555 в София друг в Търново дори в град като Варна няма човек които да разбира тънкостите на ммт какво да говорим за Сандански. А ако всеки един поне окръжен град има разбира се за един уикенд ние не можем да научим всички тънкости но сте имаме основа .Да помагаме на други Защото аз например какви възможности имам Тойота Серес Тойота Благоевград пътна помощ Пловдив София .Ние не живеем в 90 все пак.Аз например мога да си позволя финансово всяка една от тях на много не..Пример актуализация в Серес 130 евро за 10 минути.Благоевград пътна помощ диагностика цял ден резултат моторчето нова и колата е ок след два дни греда так отново съединител и всичко е ок резултат 6 месеца колата стои около нея беше обрасло 1 метър трева .По някаква причина тръгна но и ние не знаем по каква.
Някъде един уикенд и да проведем нещо като обучение . Но всеки един от нас надали сте може да присъства. Вие сте в Пловдив Петър 555 в София друг в Търново дори в град като Варна няма човек които да разбира тънкостите на ммт какво да говорим за Сандански. А ако всеки един поне окръжен град има разбира се за един уикенд ние не можем да научим всички тънкости но сте имаме основа .Да помагаме на други Защото аз например какви възможности имам Тойота Серес Тойота Благоевград пътна помощ Пловдив София .Ние не живеем в 90 все пак.Аз например мога да си позволя финансово всяка една от тях на много не..Пример актуализация в Серес 130 евро за 10 минути.Благоевград пътна помощ диагностика цял ден резултат моторчето нова и колата е ок след два дни греда так отново съединител и всичко е ок резултат 6 месеца колата стои около нея беше обрасло 1 метър трева .По някаква причина тръгна но и ние не знаем по каква.
-
Димитър 76
- Мнения: 16
- Регистриран на: 26 Сеп 2021 08:53
- Местоположение: Сандански
- Автомобил: Тойота Ярис 1,4 d4d 2006 mmt
MMT трансмисия/скоростна кутия и всичко за нея
Здрасти група днес колата ми тръгна. Благодаря на Петър555 за съветите и помощта. Благодаря на всички вас за вашите постове в форума бяха като светлина в тунела.след .Три дни опити да направим актуализация свалихме датчика на скоростите почистихме го и колата тръгна .Още веднъж благодаря на всички вас и на моя механик ако ви се случи нещо в района на Сандански Делинката е вашия човек.той вместо ръце има карета
-
Petar555
- Мнения: 607
- Регистриран на: 12 Юли 2009 22:04
- Местоположение: София
- Автомобил: Toyota Corolla 1.4D4D
- Благодарил/а: 21 пъти
- Получена благодарност: 44 пъти
MMT трансмисия/скоростна кутия и всичко за нея
Здравейте,
Радвам се че успяхме да подкараме колата на Димитър 76.
Прилагам снимката на сензора, която той ми изпрати.
Има следи от контакт с нещо. Не ми се вярва да са зъбите, но все пак погледнете и вие. Ще се радвам да споделите мнение и опит. Той ми каза че са намерили стружки полепнали по него.
Ето така изглежда по принцип. Поздрави
Радвам се че успяхме да подкараме колата на Димитър 76.
Прилагам снимката на сензора, която той ми изпрати.
Има следи от контакт с нещо. Не ми се вярва да са зъбите, но все пак погледнете и вие. Ще се радвам да споделите мнение и опит. Той ми каза че са намерили стружки полепнали по него.
Ето така изглежда по принцип. Поздрави
Хората с малко акъл и с малки пи...ки си приличат по това, че не смеят да си ги показват.
-
Petar555
- Мнения: 607
- Регистриран на: 12 Юли 2009 22:04
- Местоположение: София
- Автомобил: Toyota Corolla 1.4D4D
- Благодарил/а: 21 пъти
- Получена благодарност: 44 пъти
MMT трансмисия/скоростна кутия и всичко за нея
Най-интересното е, че работи, дори в това състояние. 
Хората с малко акъл и с малки пи...ки си приличат по това, че не смеят да си ги показват.
-
Petar555
- Мнения: 607
- Регистриран на: 12 Юли 2009 22:04
- Местоположение: София
- Автомобил: Toyota Corolla 1.4D4D
- Благодарил/а: 21 пъти
- Получена благодарност: 44 пъти
MMT трансмисия/скоростна кутия и всичко за нея
Още по темата
- Прикачени файлове
-
- Screenshot_20211006-212040~2.png (359.27 KiB) Преглеждано 3661 пъти
Хората с малко акъл и с малки пи...ки си приличат по това, че не смеят да си ги показват.
MMT трансмисия/скоростна кутия и всичко за нея
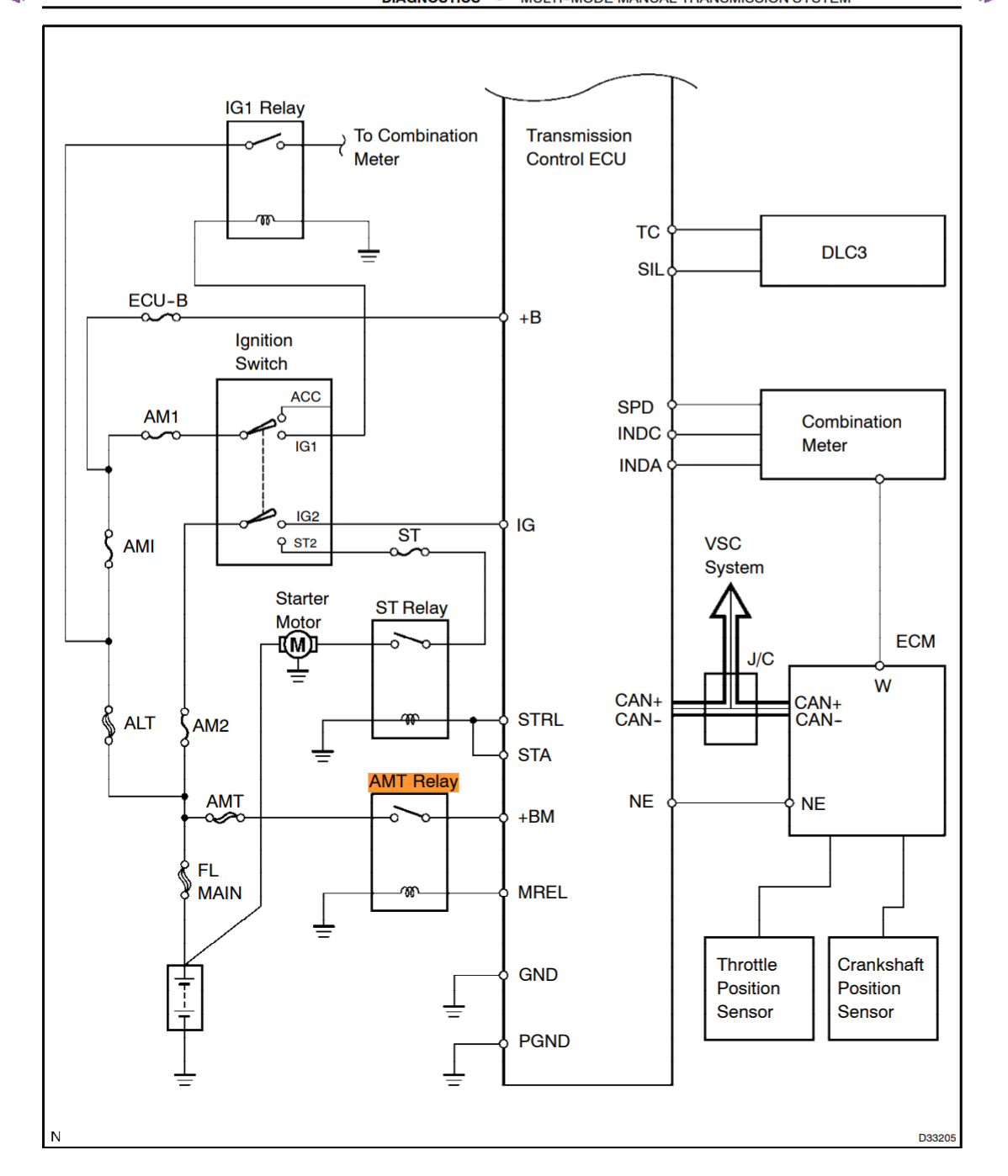
Здравейте, моята сага продължава с P0810, споделете къде бих могъл да открия тази бушониера и това реле (89531) с номер 1 в картинката, бих искал да го проверя ?
https://www.megazip.net/zapchasti-dlya- ... 60-4136660
https://www.megazip.net/zapchasti-dlya- ... 60-4136660
-
Petar555
- Мнения: 607
- Регистриран на: 12 Юли 2009 22:04
- Местоположение: София
- Автомобил: Toyota Corolla 1.4D4D
- Благодарил/а: 21 пъти
- Получена благодарност: 44 пъти
MMT трансмисия/скоростна кутия и всичко за нея
Заповядай Ники,
Но според мен не е там проблема.
Но според мен не е там проблема.
► Виж съдържание
Последно промяна от Akima на 07 Окт 2021 14:36, променено общо 2 пъти.
Причина: Ползвайте тагове.
Причина: Ползвайте тагове.
Хората с малко акъл и с малки пи...ки си приличат по това, че не смеят да си ги показват.
MMT трансмисия/скоростна кутия и всичко за нея
Petar555, здравейт, ще може ли да ми изпратите телефон да се свържа с вас. благодаря
MMT трансмисия/скоростна кутия и всичко за нея
Petar555, прав си... както винаги
в перфектно здраве са релетата и трите ги отворих и проверих, ще чакам модернизацията на актуатора. Благодаря отново за подробната информация ! До скоро !
.
.
- iovkito
- Мнения: 3044
- Регистриран на: 24 Авг 2008 22:05
- Местоположение: Добрич
- Благодарил/а: 18 пъти
- Получена благодарност: 123 пъти
MMT трансмисия/скоростна кутия и всичко за нея
Тези актуатори защо не ги сменяте с нови? Аз препоръчах на един познат да направи така, купи го, смени го и всичко е 6. Цената му не е ниска, но предвид това, че тези ремонти са с неясен край и пак струват нещо, може би е по-разумно да се решава кардинално проблемът.
Toyota Avensis T25 2.0 D4D 2007
Toyota RAV4 XA40 2.2 D4D 2014
Toyota RAV4 XA40 2.2 D4D 2014
-
Petar555
- Мнения: 607
- Регистриран на: 12 Юли 2009 22:04
- Местоположение: София
- Автомобил: Toyota Corolla 1.4D4D
- Благодарил/а: 21 пъти
- Получена благодарност: 44 пъти
MMT трансмисия/скоростна кутия и всичко за нея
1400-1500 лв. не са малко пари!iovkito написа: ↑07 Окт 2021 16:16 Тези актуатори защо не ги сменяте с нови? Аз препоръчах на един познат да направи така, купи го, смени го и всичко е 6. Цената му не е ниска, но предвид това, че тези ремонти са с неясен край и пак струват нещо, може би е по-разумно да се решава кардинално проблемът.
А ремонтът, ако е направен навреме и качествено го възстановява напълно.
Важно е каква грес, лагери и втулки се използват.
Хората с малко акъл и с малки пи...ки си приличат по това, че не смеят да си ги показват.
-
Petar555
- Мнения: 607
- Регистриран на: 12 Юли 2009 22:04
- Местоположение: София
- Автомобил: Toyota Corolla 1.4D4D
- Благодарил/а: 21 пъти
- Получена благодарност: 44 пъти
MMT трансмисия/скоростна кутия и всичко за нея
Здравейте колеги,
Някой да разполага с документация за ремонт на ММТ с хидравлично усилване? Лагер-помпа?
Предварително благодаря.
Някой да разполага с документация за ремонт на ММТ с хидравлично усилване? Лагер-помпа?
Предварително благодаря.
Хората с малко акъл и с малки пи...ки си приличат по това, че не смеят да си ги показват.
- Митхат
- Мнения: 3945
- Регистриран на: 20 Апр 2015 21:00
- Местоположение: Кричим
- Автомобил: E38
- Благодарил/а: 49 пъти
- Получена благодарност: 150 пъти
MMT трансмисия/скоростна кутия и всичко за нея
Free Tronic се води това,
Какво ти трябва.
Ремонтирал съм няколко,без снимки.
Какво ти трябва.
Ремонтирал съм няколко,без снимки.
Било каквото било,отсега нататък ще бъде....както си е било .
-
Petar555
- Мнения: 607
- Регистриран на: 12 Юли 2009 22:04
- Местоположение: София
- Автомобил: Toyota Corolla 1.4D4D
- Благодарил/а: 21 пъти
- Получена благодарност: 44 пъти
MMT трансмисия/скоростна кутия и всичко за нея
Благодаря колега mfandakov,
Няколко неща:
1. Как се източва хидравличната течност? Има ли функция в диагностиката?
2. И на актуаторите на скоростите ли да я източа или не?
3. Как се обезвъздушава после след ремонта?
4. Специфични повреди, които мога да очаквам.
И всичко друго, което се сещаш.
Аз бях попаднал на сервизен бюлетин, който описваше много добре процедурата, но явно съм го забутал някъде.
Няколко неща:
1. Как се източва хидравличната течност? Има ли функция в диагностиката?
2. И на актуаторите на скоростите ли да я източа или не?
3. Как се обезвъздушава после след ремонта?
4. Специфични повреди, които мога да очаквам.
И всичко друго, което се сещаш.
Аз бях попаднал на сервизен бюлетин, който описваше много добре процедурата, но явно съм го забутал някъде.
Хората с малко акъл и с малки пи...ки си приличат по това, че не смеят да си ги показват.
Кой е на линия
Потребители разглеждащи този форум: 0 регистрирани и 3 госта