Монтаж на заводски Cruise Control на модели Toyota след 2003
- TATI
- Мнения: 3127
- Регистриран на: 02 Авг 2005 11:54
- Местоположение: София
- Благодарил/а: 26 пъти
- Получена благодарност: 204 пъти
- Обратна връзка:
Волана се сваля, тъй като тъпото лостче се захваща от задната страна на волана. Не знам дали не може да се пробва без сваляне на волана, т.е. да се смъкне ербега, да се включи кабелчето на темпомата и да се пробва. Ако стане, тогава сваляш волана, правиш му дупката, за да прекараш лоста и сглобяваш. Ако не стане, ще имаш само един ербег да закачиш с двата винта. Иначе специалния инструмент по нашенски е с почукване.
Прочетете правилата на форума!
Hi-Ace 1979, 2.2 D, manual
Corolla Sedan 1998, 1.6i, automatic Terra
Avensis Wagon 2005, 2.0, D-4D, manual Sol
Kia Cee'd 2007, 1.6 CVVT EX, automatic
Hi-Ace 1979, 2.2 D, manual
Corolla Sedan 1998, 1.6i, automatic Terra
Avensis Wagon 2005, 2.0, D-4D, manual Sol
Kia Cee'd 2007, 1.6 CVVT EX, automatic
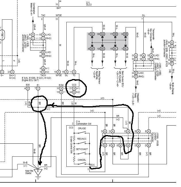
Включването е ясно -кафявия към маса а белия към мултиплексорната шина на компа.Намери белия трябва да го има иначе лошо,това е кабел по който върви честотно диференциран сигнал.Ако го намериш до друга точка и трябва да го удължиш,използвай същия диаметър за да запазиш линейното съпротивление.
- Прикачени файлове
-
- cru.JPG (125.44 KiB) Преглеждано 16773 пъти
AVENSIS SEDAN 1.6 FaceLift2007
автопилот
Тези двете винтчета са торкс N30,а в средата гайката е N17 или19.Някъде по-горе четох в темата,че трябва да чакаш 2мин. или да свалиш клемата на акумулатора--просто вадиш конт.ключ за да не дадеш на контакт и да не ти светне лампата на таблото.Сега можеш да си го свалиш спокойно,а колкото до това да сложиш жичките и да пробваш дали ще тръгне,закачи първо двата кабела на еърбега за да не ходиш да ти трият грешките.
- Bass_Man
- Мнения: 5559
- Регистриран на: 15 Сеп 2007 20:38
- Местоположение: София
- Благодарил/а: 2 пъти
- Получена благодарност: 1 път
ЕЦУ-то ти е зад еърбега на волана ? Или кабела е запоен на крачето на процесора и отива директно зад еърбега ?Rudy написа:Буксата е под еърбег-а, зад волана.Bass_Man написа:За да се пробва въобще не е нужно да се маха еърбега . Просто трябва да се види къде е буксата за ЕЦУ-то .
Айде малко помислете , като казвате нещо де !
Толкова ли не можете да се сетите , че кабела има два края и от другия край на тази букса също има букса ?
Интересувате къде се намира - CCS 21,24 . Това ти е другия край на кабела .
- Rudy
- Мнения: 1347
- Регистриран на: 14 Юни 2009 17:35
- Местоположение: София
- Получена благодарност: 1 път
Не бе Басс, знам, че кабела има два края (то и тоягата има два...), но имах предвид буксата в която се включва по принцип. Сигурно може да се провери в другия край, ама като не знам къде е той? На схемата изглежда лесно, ама на живо къде е?Bass_Man написа:ЕЦУ-то ти е зад еърбега на волана ? Или кабела е запоен на крачето на процесора и отива директно зад еърбега ?Rudy написа:Буксата е под еърбег-а, зад волана.Bass_Man написа:За да се пробва въобще не е нужно да се маха еърбега . Просто трябва да се види къде е буксата за ЕЦУ-то .
Айде малко помислете , като казвате нещо де !
Толкова ли не можете да се сетите , че кабела има два края и от другия край на тази букса също има букса ?
Интересувате къде се намира - CCS 21,24 . Това ти е другия край на кабела .
Изглежда, така както съм го намислил, няма да стане, затова вече търся професионалисти (официални и неофициални сервизи), но за частна поръчка, щото в ТМА отказаха.

Колко писане и разискване.Откачаш акумолатора и сваляш еърбега после и волана.Теглиш си жици от буксата и слагаш волана и еърбега така, че да минават жиците м/у волана и еърбега за да пробваш в движение.
Специалния ключ е стандартен ключ и нещо като скоба за лагери, но става и с дърпане с ръце от ляво и отдясно да освпбоди конуса .Преди това си направи белег или изправи волана с гумите направо. Работа за 10 мин. не се плаши.
Специалния ключ е стандартен ключ и нещо като скоба за лагери, но става и с дърпане с ръце от ляво и отдясно да освпбоди конуса .Преди това си направи белег или изправи волана с гумите направо. Работа за 10 мин. не се плаши.
Авенсис 3S-FE
- Рошко
- Мнения: 925
- Регистриран на: 09 Ное 2008 14:41
- Местоположение: Пловдив
- Благодарил/а: 3 пъти
- Получена благодарност: 12 пъти
- Обратна връзка:
Колега, а откъде купи лостчето и кабела ако не е тайна. Иначе не са само ТМ Ауто. Аз имах същата идея за Ауриса, но в Тиксим отказаха под предлог, че не слагали нищо, което Тойота вече не били сложили. Лостчето мисля да си го купя от ebay за $30, a пластмасата под волана с дупката за лостчето ще я купя от някой дилър в БГ - Тиксим ми обявиха 70 лева за нея.
- Bass_Man
- Мнения: 5559
- Регистриран на: 15 Сеп 2007 20:38
- Местоположение: София
- Благодарил/а: 2 пъти
- Получена благодарност: 1 път
Аве колега в мануала са ти дадени всички букси къде са просто трябва да ги намериш ! Ти половината работа я свърши и баш на края се шашна !Rudy написа: Не бе Басс, знам, че кабела има два края (то и тоягата има два...), но имах предвид буксата в която се включва по принцип. Сигурно може да се провери в другия край, ама като не знам къде е той? На схемата изглежда лесно, ама на живо къде е?
Изглежда, така както съм го намислил, няма да стане, затова вече търся професионалисти (официални и неофициални сервизи), но за частна поръчка, щото в ТМА отказаха.
И не виждам никакъв смисъл да се сваля волан за проба !
- Rudy
- Мнения: 1347
- Регистриран на: 14 Юни 2009 17:35
- Местоположение: София
- Получена благодарност: 1 път
Не съм се шашнал, нито съм се отказал, когато реших да потърся помощ тук във форума (щото според мен идеята на форума е да си помагаме - аз поне се опитвам да помагам) ударих на камък.Bass_Man написа:Ти половината работа я свърши и баш на края се шашна ! И не виждам никакъв смисъл да се сваля волан за проба !
Сега ще пробвам сам (с един приятел, който има гараж, но за съжаление нищо не разбира от тойоти).
ПП. Намерих и официалната документация за смяна на обикновен волан с кожен, според която буксата не е зад планката волана, а само зад еърбег-а - така че за пробата няма да се сваля волана. Но пак изкочи въпрос - ако закача акумулатора при свален еърбег, ще отчете грешка, която трябва да изчистя после? Защото тук четох, че чистенето на грешки става с откачане на акумулатора за по дълго от 2 минути.
Ето картинките:






ППП:
Картинка 2 - как да разбера кода на радиото?
Картинка 8 - ето къде е буксата в която се включва кабела от лостчето

С откачането на клемата се губят само настройките на радиото и климатика,а при включване на буксите на лостчето и включен контакт би трябвало да светне индикацията на таблото т.е. лампата.Има и един малко груб начин - твърдо не го препоръчвам но знам,че го правят за да проверят ще светне ли лампичката.Окъсяват два от кабелите в щекера на волана така ,че маса от кафявия да отиде на белия и на таблото светва лампата за круиза,мисля ,че това ще стане и само с включване на лостчето.Абе всички казват ,че кабелите би трябвало да са пуснати,свалете го този волан и вижте дали буксата е там - какво да гадаем сега на карти.
AVENSIS SEDAN 1.6 FaceLift2007
Кой е на линия
Потребители разглеждащи този форум: 0 регистрирани и 2 госта