Лумените в повече или по-малко няма да убият релето и/или бушона, обаче по-голямата консумация или пределно ниско съпротивление ще го умъртвят. Та за лумените - колкото толкова, по преценка на водача
Крушки купе бяла светлина Корола Е12 и други
- mapamop
- Мнения: 5668
- Регистриран на: 28 Юли 2019 12:49
- Местоположение: Русе
- Автомобил: Avensis WG T25,1ZZFE,2005
- Благодарил/а: 182 пъти
- Получена благодарност: 722 пъти
Крушки купе бяла светлина Корола Е12
Друго имах предвид:
Лумените в повече или по-малко няма да убият релето и/или бушона, обаче по-голямата консумация или пределно ниско съпротивление ще го умъртвят. Та за лумените - колкото толкова, по преценка на водача
Лумените в повече или по-малко няма да убият релето и/или бушона, обаче по-голямата консумация или пределно ниско съпротивление ще го умъртвят. Та за лумените - колкото толкова, по преценка на водача
Opel Astra F 1.7D(1993) -> Toyota Avensis T25 (2005), E: 1ZZFE, F: ZZT251L / Corolla Verso (07.2007), E: 1ZZFE, F: ZNR11L
--
Тц...тц...тц...
--
Тц...тц...тц...
- Кръстинко
- Мнения: 19
- Регистриран на: 06 Ное 2018 10:11
- Местоположение: Велико Търново
- Автомобил: Corolla E12 2005 комби 4ZZ-FE
Крушки купе бяла светлина Корола Е12
В никакъв случай не бих превишил мощността на оригиналната крушка, точно обратното.
В крайна сметка май ще се откажа от идеята с лентата и ще сложа готова LED крушка, нещо такова:
http://elimex.bg/product/139231/avtomob ... -36mm.html
60 лумена, мощност не пише, но пише "консумация на ток - 100 mA", което ще рече 1.2W
Лошото е, че тези всички са поне 6000 К (има и нагоре), а аз предпочитам 4000 К.
mapamop,
учудвам се какви мощности ми даваш на твоите крушки - 5W на "големите" и 1.2W на "малките". Аз на "голямата", т. е. централния плафон, не мога да видя, но "малките" - двете над огледалото, които се включват ръчно, са по 8W.
В крайна сметка май ще се откажа от идеята с лентата и ще сложа готова LED крушка, нещо такова:
http://elimex.bg/product/139231/avtomob ... -36mm.html
60 лумена, мощност не пише, но пише "консумация на ток - 100 mA", което ще рече 1.2W
Лошото е, че тези всички са поне 6000 К (има и нагоре), а аз предпочитам 4000 К.
mapamop,
учудвам се какви мощности ми даваш на твоите крушки - 5W на "големите" и 1.2W на "малките". Аз на "голямата", т. е. централния плафон, не мога да видя, но "малките" - двете над огледалото, които се включват ръчно, са по 8W.
Corolla E12 4ZZ-FE 2005
- gimara
- Мнения: 1803
- Регистриран на: 27 Фев 2014 18:56
- Местоположение: Пловдив
- Автомобил: Verso 1.8/CVT, 2016
- Благодарил/а: 65 пъти
- Получена благодарност: 146 пъти
Крушки купе бяла светлина Корола Е12
Osram имат 4000к, и са с гаранция 3-5 год.
Toyota Manuals/Сервизни ръководства/Ръководство на потребителя
Toyota Corolla Verso 1.8/2008 >> Toyota Verso 1.8,CVT/2016
Toyota Corolla Verso 1.8/2008 >> Toyota Verso 1.8,CVT/2016

- gimara
- Мнения: 1803
- Регистриран на: 27 Фев 2014 18:56
- Местоположение: Пловдив
- Автомобил: Verso 1.8/CVT, 2016
- Благодарил/а: 65 пъти
- Получена благодарност: 146 пъти
Крушки купе бяла светлина Корола Е12
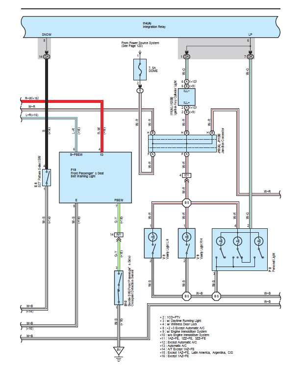
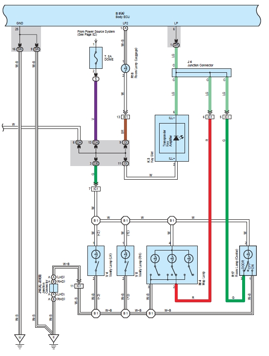
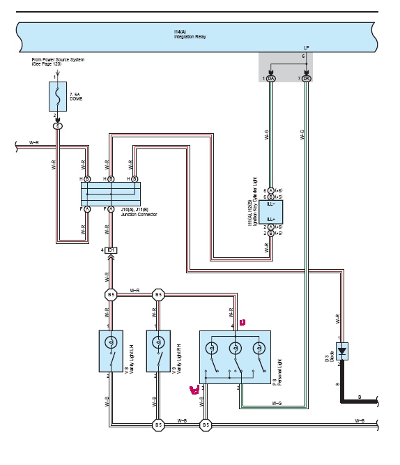
Качвам малко схеми на управлението на плафона:
AVENSIS T25
AVENSIS T27
AVENSIS VERSO
COROLLA VERSO 2004-2009
VERSO
COROLLA, не знам до коя година, може би до 2008
AVENSIS T25
► Виж съдържание
► Виж съдържание
► Виж съдържание
► Виж съдържание
► Виж съдържание
► Виж съдържание
Toyota Manuals/Сервизни ръководства/Ръководство на потребителя
Toyota Corolla Verso 1.8/2008 >> Toyota Verso 1.8,CVT/2016
Toyota Corolla Verso 1.8/2008 >> Toyota Verso 1.8,CVT/2016

- mapamop
- Мнения: 5668
- Регистриран на: 28 Юли 2019 12:49
- Местоположение: Русе
- Автомобил: Avensis WG T25,1ZZFE,2005
- Благодарил/а: 182 пъти
- Получена благодарност: 722 пъти
Крушки купе бяла светлина Корола Е12 и други
Аз имам в плафона 3 крушки мисля по 35 или 39мм които са по 5 вата - една вляво, една вдясно (reading lights) и една за плафона посредата, около задните седалки имам втори плафон с 2 крушки не помня какъв размер, но са от сорта на тези в предният плафон. Като си сваля двата сенника отзад зад пластмасови капачета има огледало и 2 или 4 крушки около него, които са без фасунга и са по 1.2W.
** Ако си обърнал внимание на подписа и/или на профила, карам Toyota Avensis T25 комби. Което няма много общо с Toyota Corolla Е12
Opel Astra F 1.7D(1993) -> Toyota Avensis T25 (2005), E: 1ZZFE, F: ZZT251L / Corolla Verso (07.2007), E: 1ZZFE, F: ZNR11L
--
Тц...тц...тц...
--
Тц...тц...тц...
- Кръстинко
- Мнения: 19
- Регистриран на: 06 Ное 2018 10:11
- Местоположение: Велико Търново
- Автомобил: Corolla E12 2005 комби 4ZZ-FE
Крушки купе бяла светлина Корола Е12 и други
Обърнах, но никога не съм виждал такава отвътре
Corolla E12 4ZZ-FE 2005
- mapamop
- Мнения: 5668
- Регистриран на: 28 Юли 2019 12:49
- Местоположение: Русе
- Автомобил: Avensis WG T25,1ZZFE,2005
- Благодарил/а: 182 пъти
- Получена благодарност: 722 пъти
Крушки купе бяла светлина Корола Е12 и други
Ами вероятно като Королата, само че малко по-голямо. Гледам че си от В.Търново, някой ден като се наканим със останалата част от семейството да се разходим до Търново, може да се повозим на разменни начала. Това по линия на въпроса от съпругата ми "Какво е Тойота Корола, и защо има такива на които пише Verso и на такива които не пише?
Ето снимки/картинки на крушките по 1.2W (наистина са доста "нюню"):
Type #74 bulb:
Ето снимки/картинки на крушките по 1.2W (наистина са доста "нюню"):
Type #74 bulb:
Opel Astra F 1.7D(1993) -> Toyota Avensis T25 (2005), E: 1ZZFE, F: ZZT251L / Corolla Verso (07.2007), E: 1ZZFE, F: ZNR11L
--
Тц...тц...тц...
--
Тц...тц...тц...
- Кръстинко
- Мнения: 19
- Регистриран на: 06 Ное 2018 10:11
- Местоположение: Велико Търново
- Автомобил: Corolla E12 2005 комби 4ZZ-FE
Крушки купе бяла светлина Корола Е12 и други
Да, очевидно авенсиса е по-модерната кола.
А иначе - заповядайте, ще ми е приятно да се запознаем. Аз имам приятели и роднини в Русе, но за мой срам вече година и половина не съм го посещавал.
А иначе - заповядайте, ще ми е приятно да се запознаем. Аз имам приятели и роднини в Русе, но за мой срам вече година и половина не съм го посещавал.
Corolla E12 4ZZ-FE 2005
Кой е на линия
Потребители разглеждащи този форум: Majestic-12 [Bot] и 2 госта