По гоцеделчевско не само, че не ги признават, ами искаха и акт да ми пишат, че съм ги поставил.The enD написа:The enD написа:Не ми се занимава да търся назад из 20-те страници(май имаше и още по-голяма тема). Дневните светлини признават ли се от закона за заместител на късите(които ни задължиха целогодишно), ако не са фабрично поставени?
Дневни светлини за Toyota - DRL модули,схеми,LED светлини...
- ahmedcholak
- Мнения: 50
- Регистриран на: 03 Дек 2011 23:25
Re: Дневни светлини
Toyota celica 1.8 vvt-i
Re: Дневни светлини
ЗДП - бр.54 от 17 Юли 2012г., изм. и доп. ДВ. бр.60 от 7 Август 2012г., изм. и доп. ДВ. бр.75 от 2 Октомври 2012г., доп. ДВ. бр.15 от 15 Февруари 2013г.
Раздел XVII.
Използване на светлините
Чл. 70. (1) При движение през нощта и при намалена видимост моторните превозни средства и трамваите трябва да бъдат с включени къси или дълги светлини, габаритни светлини и светлина за осветяване на задната табела с регистрационния номер.
(2) Използването на дългите светлини е забранено:
1. при разминаване; в този случай превключването от дълги на къси светлини става, когато разстоянието между превозните средства е не по-малко от 150 метра или в момента, в който насрещният водач подаде сигнал чрез превключването на светлините;
2. при движение по осветени участъци от пътя;
3. при движение зад друго моторно превозно средство на разстояние, по-малко от 50 метра.
(3) (Изм. - ДВ, бр. 61 от 2006 г., изм. - ДВ, бр. 60 от 2012 г., в сила от 07.08.2012 г.) През деня моторните превозни средства се движат с включени светлини за движение през деня или с къси светлини.
Раздел XVII.
Използване на светлините
Чл. 70. (1) При движение през нощта и при намалена видимост моторните превозни средства и трамваите трябва да бъдат с включени къси или дълги светлини, габаритни светлини и светлина за осветяване на задната табела с регистрационния номер.
(2) Използването на дългите светлини е забранено:
1. при разминаване; в този случай превключването от дълги на къси светлини става, когато разстоянието между превозните средства е не по-малко от 150 метра или в момента, в който насрещният водач подаде сигнал чрез превключването на светлините;
2. при движение по осветени участъци от пътя;
3. при движение зад друго моторно превозно средство на разстояние, по-малко от 50 метра.
(3) (Изм. - ДВ, бр. 61 от 2006 г., изм. - ДВ, бр. 60 от 2012 г., в сила от 07.08.2012 г.) През деня моторните превозни средства се движат с включени светлини за движение през деня или с къси светлини.
Toyota Avensis T 25, 2.0 D4D, 1AD-FTV, 126 к.с.
- slowtraveler
- Мнения: 7086
- Регистриран на: 28 Май 2006 21:44
- Местоположение: Варна
- Автомобил: Nissan Qashqai 2008/2.0/AWD
- Благодарил/а: 444 пъти
- Получена благодарност: 472 пъти
Re: Дневни светлини
По закон дневните светлини се признават ако са одобрени (включително монтажа) от оторизирана компания (например технотест)...
Иначе се води 'промяна на конструкцията на автомобила'...
Но повечето катаджии не са наясно кое как е...
Иначе се води 'промяна на конструкцията на автомобила'...
Но повечето катаджии не са наясно кое как е...
Toyota Avensis 1.6 VVT-I / 2002г --> Mazda6 /2008 --> JGC 3.0/2014 --> ???
Chevrolet Kalos 1.4/16V/2004-> Nissan Qashqai 2.0 4x4 2008
Chevrolet Kalos 1.4/16V/2004-> Nissan Qashqai 2.0 4x4 2008
- Rudy
- Мнения: 1347
- Регистриран на: 14 Юни 2009 17:35
- Местоположение: София
- Получена благодарност: 1 път
Re: Дневни светлини
Признават се и ако са монтирани като оригинални светлини в официалния сервиз. В САЩ дневните светлини са обикновено дългите с понижен интензитет, а не както пише в нашия закон къси или отделни дневни.slowtraveler написа:По закон дневните светлини се признават ако са одобрени (включително монтажа) от оторизирана компания (например технотест)...
Иначе се води 'промяна на конструкцията на автомобила'...
Но повечето катаджии не са наясно кое как е...
А колко са наясно с буквата на закона служителите на КАТ?!... Тук имаме навик да сме по-католици от папата - в ЕС искат само съответната маркировка, а не измислени документи от "частни" фирми като технотест.

- slowtraveler
- Мнения: 7086
- Регистриран на: 28 Май 2006 21:44
- Местоположение: Варна
- Автомобил: Nissan Qashqai 2008/2.0/AWD
- Благодарил/а: 444 пъти
- Получена благодарност: 472 пъти
Re: Дневни светлини
Разбира се, че фабричните никой не може да ги пипне, защото е одобрен автомобила като цяло.Rudy написа:...
Признават се и ако са монтирани като оригинални светлини в официалния сервиз. В САЩ дневните светлини са обикновено дългите с понижен интензитет, а не както пише в нашия закон къси или отделни дневни.
А колко са наясно с буквата на закона служителите на КАТ?!... Тук имаме навик да сме по-католици от папата - в ЕС искат само съответната маркировка, а не измислени документи от "частни" фирми като технотест.
Относно модификацията и ЕС - не си прав... Не се гледа само маркировка. И това е напълно логично - трябва да има контрол върху модификациите на автомобила. Иначе всеки може да си сложи фар с правилния знак, но на неправилно място и с неправилна настройка...
Toyota Avensis 1.6 VVT-I / 2002г --> Mazda6 /2008 --> JGC 3.0/2014 --> ???
Chevrolet Kalos 1.4/16V/2004-> Nissan Qashqai 2.0 4x4 2008
Chevrolet Kalos 1.4/16V/2004-> Nissan Qashqai 2.0 4x4 2008
Re: Дневни светлини
При Авенсиса, а и някои други марки, дневни са само късите на 100%. Това да не би да противоречи на закона, след като не са го написали ясно и точно? А промяна в конструкцията НЯМААА!
Toyota Avensis T 25, 2.0 D4D, 1AD-FTV, 126 к.с.
- slowtraveler
- Мнения: 7086
- Регистриран на: 28 Май 2006 21:44
- Местоположение: Варна
- Автомобил: Nissan Qashqai 2008/2.0/AWD
- Благодарил/а: 444 пъти
- Получена благодарност: 472 пъти
Re: Дневни светлини
Няма проблеми с фабричните изпълнения - те са си законни, независимо от това, кое свети - отделна светодиодна линия, къси светлини или допълнителни фарове за дневни светлини...
Toyota Avensis 1.6 VVT-I / 2002г --> Mazda6 /2008 --> JGC 3.0/2014 --> ???
Chevrolet Kalos 1.4/16V/2004-> Nissan Qashqai 2.0 4x4 2008
Chevrolet Kalos 1.4/16V/2004-> Nissan Qashqai 2.0 4x4 2008
Re: Дневни светлини
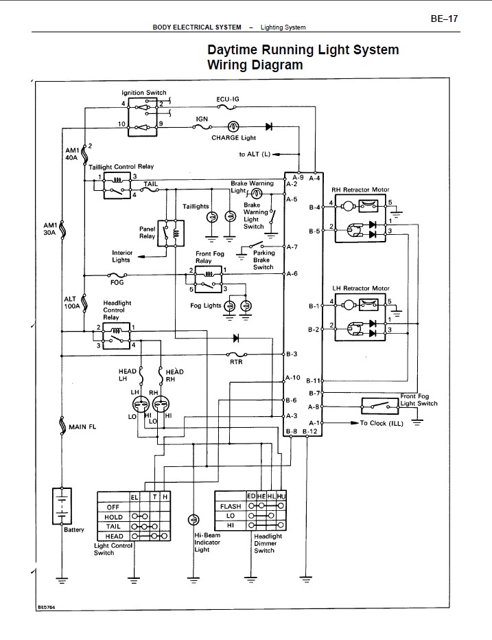
Здравейте днес се рових из ръководството на Селика 93 и попаднах на заглавието DRL- диаграма на ел.схема ,самоче аз опредено не разбирам колкото е нужно за да изкажа някакво мнение,даже мн бих искал някой да изрази мнение да каже имат ли оригинален DRL или не.
Благодаря предварително
Благодаря предварително
- Прикачени файлове
-
- part of BE.jpg (139.09 KiB) Преглеждано 5147 пъти
Re: Дневни светлини
Aко Селиката е от Канада би трябвало да има DRL, защото там ги задължават да имат и излизат така от завода.
Сигурно за по-улеснено са сложили всички възможни екстри и тяхното окабеляване в едно голямо упътване.
Сигурно за по-улеснено са сложили всички възможни екстри и тяхното окабеляване в едно голямо упътване.
Re: Дневни светлини
The enD написа:Aко Селиката е от Канада би трябвало да има DRL, защото там ги задължават да имат и излизат така от завода.
Сигурно за по-улеснено са сложили всички възможни екстри и тяхното окабеляване в едно голямо упътване.
Ммм не е от Канада , но вчера бая се порових из кабелите и открих,че всички кабели и на посочените места си има каде да се поставят релета (схемата е реална) и се захваштам с пробите пък дано да стане...
-
rossenboy
- Мнения: 77
- Регистриран на: 13 Ное 2012 15:45
- Местоположение: София
- Получена благодарност: 2 пъти
Re: Дневни светлини
За авенсис 2007 добре, но има ли някаква информация дали ще стане на Ярис Версо 2005 бензин? И ако може да стане евентуално някава насочваща схемичка ако някой го е правил?Freedom написа:Днес най-сетне намерих време и си поставих модул HIDBG-01 за управление на късите светлини. Всичко мина без рязане и ми отне около половин час с разглеждане на схемата. Сега ксенона се пали автоматично 4-5 секунди след стартиране на двигателя без да се пускат габаритите. Мислех варианти с управление на дългите, но не ми се разправя с куките.
Re: Дневни светлини
Колега, намери си ел. схемите за конкретния модел, виж има ли опция за DRL и тогава ще разбереш дали е приложимо това решение. Необходими са елементарни познания по електротехника. За моя Авенсис всичко си беше инсталирано и добавих само релето в гнездото. Автомобилът е купен от Тойота БГ. HIDBG-01 струва 20 лв., а за оригиналното не съм питал в Тойота. Успех!rossenboy написа:За авенсис 2007 добре, но има ли някаква информация дали ще стане на Ярис Версо 2005 бензин? И ако може да стане евентуално някава насочваща схемичка ако някой го е правил?Freedom написа:Днес най-сетне намерих време и си поставих модул HIDBG-01 за управление на късите светлини. Всичко мина без рязане и ми отне около половин час с разглеждане на схемата. Сега ксенона се пали автоматично 4-5 секунди след стартиране на двигателя без да се пускат габаритите. Мислех варианти с управление на дългите, но не ми се разправя с куките.
Toyota Avensis T 25, 2.0 D4D, 1AD-FTV, 126 к.с.
- andrian999999
- Мнения: 1516
- Регистриран на: 19 Мар 2009 11:51
- Местоположение: София
- Благодарил/а: 1 път
- Получена благодарност: 2 пъти
Re: Дневни светлини
Единствената държава освен Швеция която караме през деня на светлини. Ама нормално Селянин до вчера се возил на каруца днес депутат в парламента и гласува да каране на светлини.
професионален мапер
- Vesko
- ЗАВИНАГИ С НАС.....
- Мнения: 3835
- Регистриран на: 27 Авг 2007 18:25
- Местоположение: София
- Обратна връзка:
Re: Дневни светлини
I v ungaria se kara taka.andrian999999 написа:Единствената държава освен Швеция която караме през деня на светлини. Ама нормално Селянин до вчера се возил на каруца днес депутат в парламента и гласува да каране на светлини.
Re: Дневни светлини
Здравейте,
Моля за Вашето мнение за "Модул за автоматично включване на фаровете" на "VELIKOV COMPUTERS" и приложимостта му за Тойота Корола D4D 2003г.
http://www.velikov-computers.com/day_lights.html
Моля за Вашето мнение за "Модул за автоматично включване на фаровете" на "VELIKOV COMPUTERS" и приложимостта му за Тойота Корола D4D 2003г.
http://www.velikov-computers.com/day_lights.html
Кой е на линия
Потребители разглеждащи този форум: 0 регистрирани и 3 госта
