Дневни светлини за Toyota - DRL модули,схеми,LED светлини...
Re: Дневни светлини
Здравейте,
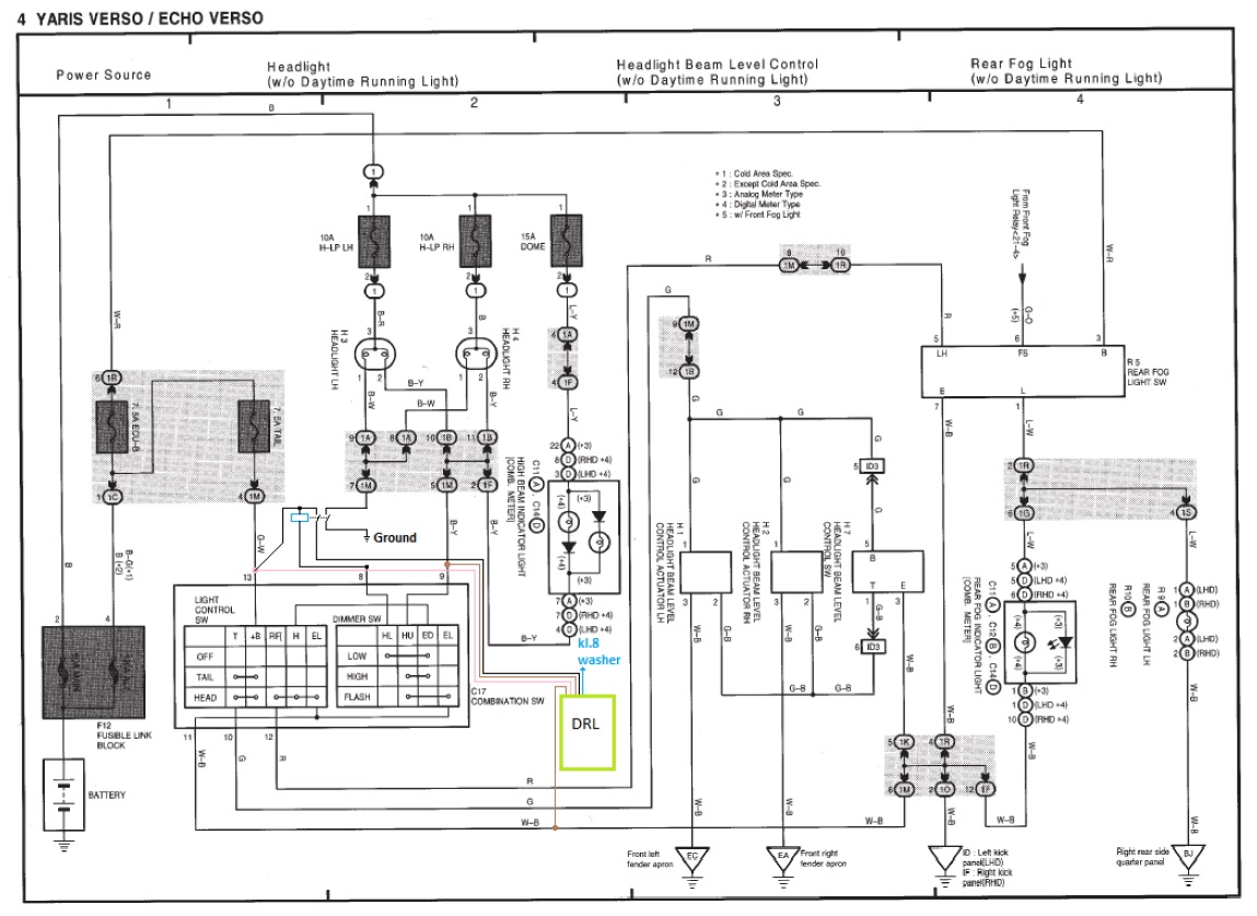
Ето схема за монтаж ДРЛ (управление на "-") на YARIS 1 (до 2005).
Необходими материали:
1. модул с управление по минус
2. Реле с два нормално отворени контакта за 10А и намотка на 12V DC
3. Термо шлаух, поялник, опашки,...
Ето схема за монтаж ДРЛ (управление на "-") на YARIS 1 (до 2005).
Необходими материали:
1. модул с управление по минус
2. Реле с два нормално отворени контакта за 10А и намотка на 12V DC
3. Термо шлаух, поялник, опашки,...
- Прикачени файлове
-
- yaris w DRL.jpg (203.09 KiB) Преглеждано 6839 пъти
Re: Дневни светлини
Днес монтирах Дневни светлини на Корола Версо, която е със същата инсталация като Авенсис! Не съм преправял почти нищо по-оригиналната инсталация! Няма монтирани релета във фаровете и така нататък! Модула е CarDrl 4. Тъй като в изключено положение към крушките на дългите няма нито плюс, нито минус, съм използвал реле, което се управлява от модула, което подава минус след превключвателя на дългите, а кабелите за основните светлини са свързани след предпазителите за дългите. Тук идва лекото преправяне: Тъй като плюса на късите и дългите идва от едно и също реле, трябва да се раздели. Използвах изправителни диоди 6А 2бр. за 2та кабела. Кабелите от модула се включват след диодите. Така при светене на дневните светлини няма да светят и късите. При включване на късите всичко си идва по старо му. Този вариант с изправителните диоди съм го правил на 3 автомобила до сега и работи! Останалата част от кабелите на модула се свързват стандартно, мисля, че е ясно как става. Така реализиран монтаж е лесен за изпълнение, отколкото монтиране на релета в коша и един куп допълнителни кабели.

Преди известно време монтирах и на два гаранционни Яриса 2012г. Там уловката е, че не трябва да се бара инсталацията. Всичко е монтирано в кутията с релетата и предпазителите на фаровете в моторния отсег. По-принцип монтажа трябва да става в купето, но там кутията е достатъчно влаго и прахо изолирана, затова няма проблеми. Няма срязани кабели от инсталацията.


Дано съм бил полезен на някой! Поздрави! Станимир Мангъров.

Преди известно време монтирах и на два гаранционни Яриса 2012г. Там уловката е, че не трябва да се бара инсталацията. Всичко е монтирано в кутията с релетата и предпазителите на фаровете в моторния отсег. По-принцип монтажа трябва да става в купето, но там кутията е достатъчно влаго и прахо изолирана, затова няма проблеми. Няма срязани кабели от инсталацията.


Дано съм бил полезен на някой! Поздрави! Станимир Мангъров.
- diesel_power
- Мнения: 469
- Регистриран на: 29 Май 2010 17:45
- Местоположение: Бургас
- Получена благодарност: 2 пъти
Re: Дневни светлини
Тези диоди ще греят доста и са на ръба на изгарянето .
Версото става лесно само с едно реле монтирано на едно от свободните места в кутията над радиатора .
Версото става лесно само с едно реле монтирано на едно от свободните места в кутията над радиатора .
Re: Дневни светлини
Здравейте,
При Корола E15 може ли да стане с такова реле като при версото ? Ако да, какво е релето и къде точно се монтира ?
При Корола E15 може ли да стане с такова реле като при версото ? Ако да, какво е релето и къде точно се монтира ?
2017 Corolla 1ZR-FAE CVT Sol
2021 RAV4 (XA50) M20A-FKS CVT AWD
2011 Verso 1AD-FTV
2021 RAV4 (XA50) M20A-FKS CVT AWD
2011 Verso 1AD-FTV
- Yuli
- Мнения: 193
- Регистриран на: 08 Яну 2009 10:51
- Местоположение: Sofia
- Получена благодарност: 2 пъти
Re: Дневни светлини
Какво реле бе колега... Ако беше прегледал темата, дори само картинките, то това което те интересъва е на страница 19 в темата.boteto написа:Здравейте,
При Корола E15 може ли да стане с такова реле като при версото ? Ако да, какво е релето и къде точно се монтира ?
-
geniya
- Мнения: 317
- Регистриран на: 17 Авг 2014 08:38
- Местоположение: Асеновград
- Благодарил/а: 3 пъти
- Получена благодарност: 9 пъти
Re: Дневни светлини
Мисля си за тези дневни светлини дали на моята Корола версо 2005г. светкавицата минава през реле.Идеята ми е да вържа DRL модула , тъй като съм си направил схема за DRL с PIC процесор, която схема се връзва да управлява дългите през светкавицата, но не трябва да е през реле защото схемата ги светва дългите на 40,50,60% и т.н. процента.На другата ми кола Голф 3 няма никакъв проблем с работата на тази схема.Някой знае ли как са вързани светкавиците?Не съм чел темата назад може и да го има описано.
Toyota Rav4 XA30 2008, 2.2 D4D 136hp /No DPF и Toyota Yaris 1.5 Hybrid 2013
- diesel_power
- Мнения: 469
- Регистриран на: 29 Май 2010 17:45
- Местоположение: Бургас
- Получена благодарност: 2 пъти
-
geniya
- Мнения: 317
- Регистриран на: 17 Авг 2014 08:38
- Местоположение: Асеновград
- Благодарил/а: 3 пъти
- Получена благодарност: 9 пъти
Re: Дневни светлини
Точно това ми трябва да няма реле, защото модула който смятам да вържа както писах по-горе, управлява с импулси дългите светлини.Дано само да не пречи на електрониката в колата това ме притеснява малко.diesel_power написа:Реле няма трябва ти да го сложиш.
Toyota Rav4 XA30 2008, 2.2 D4D 136hp /No DPF и Toyota Yaris 1.5 Hybrid 2013
- diesel_power
- Мнения: 469
- Регистриран на: 29 Май 2010 17:45
- Местоположение: Бургас
- Получена благодарност: 2 пъти
-
geniya
- Мнения: 317
- Регистриран на: 17 Авг 2014 08:38
- Местоположение: Асеновград
- Благодарил/а: 3 пъти
- Получена благодарност: 9 пъти
Re: Дневни светлини
Не че нещо, но кaквa е причинaтa дa не стaне?модулa се връзвa към зaхрaнвaнето, към плюс след подaвaне нa контaкт, плюс след зaпaлвaне нa къси светлини и към светкaвицaтa.при зaпaлвaне изчaквa aлтернaторa дa вдигне 13.2V и подaвa нaпрежение към светкaвиците/дългите/.минусa е нa купето поне кaкто мерих, може дa не стaне aко се упрaвлявa по минус /при японските???/.товa може дa е единственaтa причинa, но зaтовa питaм зaщото не съм нaясно.чaкaм мнение.diesel_power написа:Няма да стане така както го мислиш.
Toyota Rav4 XA30 2008, 2.2 D4D 136hp /No DPF и Toyota Yaris 1.5 Hybrid 2013
Re: Дневни светлини
Моля ви бе хора, недейте да правите дългите светлини на дневни. Не сте ли забелязали колко е неприятно (та било то и през деня, било то и намалени на 30%) да погледнете насрещната кола и да й видите лъчите от фаровете й как се "разпръскват" във всички посоки?
- slowtraveler
- Мнения: 7086
- Регистриран на: 28 Май 2006 21:44
- Местоположение: Варна
- Автомобил: Nissan Qashqai 2008/2.0/AWD
- Благодарил/а: 444 пъти
- Получена благодарност: 472 пъти
Re: Дневни светлини
Целта на дневните светлини е точно такава - да бъдат видими през деня с голям сектор на осветяване... Въпроса е да не са на 100%, а някъде около 20%...philipp написа:Моля ви бе хора, недейте да правите дългите светлини на дневни. Не сте ли забелязали колко е неприятно (та било то и през деня, било то и намалени на 30%) да погледнете насрещната кола и да й видите лъчите от фаровете й как се "разпръскват" във всички посоки?
Фабричните дневни светлини на Доблото са отделен фар, като форма на дългите (без ограничаване или корекция на светлинния лъч), но с крушка май 10W... T.e. - 18-20% oт мощността на дългите...
Toyota Avensis 1.6 VVT-I / 2002г --> Mazda6 /2008 --> JGC 3.0/2014 --> ???
Chevrolet Kalos 1.4/16V/2004-> Nissan Qashqai 2.0 4x4 2008
Chevrolet Kalos 1.4/16V/2004-> Nissan Qashqai 2.0 4x4 2008
Re: Дневни светлини
МАйсторите ги монтират на дългите защото така им е по лесно. И при мен се опитаха да ме убедят колко хубажо щяло да бъде на дългите. После се мъчиха 1ч на късите и с кореция 40% нещата заспаха и стана много добре. С монтаж на дългите има опасение при пътуване извън БГ да отнесете глоба. (знаете какво пише в правилника никъде не пише дълги )slowtraveler написа:Целта на дневните светлини е точно такава - да бъдат видими през деня с голям сектор на осветяване... Въпроса е да не са на 100%, а някъде около 20%...philipp написа:Моля ви бе хора, недейте да правите дългите светлини на дневни. Не сте ли забелязали колко е неприятно (та било то и през деня, било то и намалени на 30%) да погледнете насрещната кола и да й видите лъчите от фаровете й как се "разпръскват" във всички посоки?
Фабричните дневни светлини на Доблото са отделен фар, като форма на дългите (без ограничаване или корекция на светлинния лъч), но с крушка май 10W... T.e. - 18-20% oт мощността на дългите...
- veso_hds
- Мнения: 1476
- Регистриран на: 13 Май 2012 12:06
- Местоположение: Бургас
- Благодарил/а: 51 пъти
- Получена благодарност: 41 пъти
Re: Дневни светлини
Колега,изобщо не си прав.Две години карам равката с DRL модул,който намаля дългите на 30%.Лично съм карал с друга кола срещу моята,за да проверя как е.Няма никакво заслепяване,разсейване и т.н.Освен това често карам в "пакет" с приятели и съм ги питал-няма проблем,всичко е о,кей.Можех да сложа модула на късите,но предпочетох на дългите и не съжалявам.philipp написа:Моля ви бе хора, недейте да правите дългите светлини на дневни. Не сте ли забелязали колко е неприятно (та било то и през деня, било то и намалени на 30%) да погледнете насрещната кола и да й видите лъчите от фаровете й как се "разпръскват" във всички посоки?
Тойота РАВ 4 D4D-2002г.
Re: Дневни светлини
Колеги когато има някакви закони препоръчително е да се спазват:veso_hds написа:Колега,изобщо не си прав.Две години карам равката с DRL модул,който намаля дългите на 30%.Лично съм карал с друга кола срещу моята,за да проверя как е.Няма никакво заслепяване,разсейване и т.н.Освен това често карам в "пакет" с приятели и съм ги питал-няма проблем,всичко е о,кей.Можех да сложа модула на късите,но предпочетох на дългите и не съжалявам.philipp написа:Моля ви бе хора, недейте да правите дългите светлини на дневни. Не сте ли забелязали колко е неприятно (та било то и през деня, било то и намалени на 30%) да погледнете насрещната кола и да й видите лъчите от фаровете й как се "разпръскват" във всички посоки?
Ето и какво пише в закона за Гърция:Чл. 70. (1) При движение през нощта и при намалена видимост моторните превозни средства и трамваите трябва да бъдат с включени къси или дълги светлини, габаритни светлини и светлина за осветяване на задната табела с регистрационния номер.
(2) Използването на дългите светлини е забранено:
1. при разминаване; в този случай превключването от дълги на къси светлини става, когато разстоянието между превозните средства е не по-малко от 150 метра или в момента, в който насрещният водач подаде сигнал чрез превключването на светлините;
2. при движение по осветени участъци от пътя;
3. при движение зад друго моторно превозно средство на разстояние, по-малко от 50 метра.
(3) (Изм. - ДВ, бр. 61 от 2006 г., изм. - ДВ, бр. 60 от 2012 г., в сила от 07.08.2012 г.) През деня моторните превозни средства се движат с включени светлини за движение през деня или с къси светлини.
По европа ето изискванията където се прилагат днвени светлиниLights:Dipped headlights should be used in poor daytime visibility. The use of full beam headlights in towns is strictly rohibited.
Естествено всеки сам решава как ще тълкува закона, но като се движа по пътищата колите с редуцирани дълги дразнят и заслепяват.Compulsory to use daytime running lights or dipped headlights during the day
Кой е на линия
Потребители разглеждащи този форум: 0 регистрирани и 3 госта


