Щом е нямало инсталация, вероятността да има индикация за тях е нула. По закон ‘халогените’ (предполагам имаш предвид предни фарове за мъгла) трябва да работят заедно с късите светлини и щом не работи зумера, предполагам не сте хванали правилния ‘импулс’ от ключа, естествено ако зумера работи за късите светлини де. Относно индикацията - слагаш едно светодиодче на видно място или ровиш из таблото да възстановиш оригиналната инсталация, която вероятно липсва.
Corolla Verso E121 2.0 1CD-FTV 90HP 2003 TERRA - Монтаж на OEM фарове за мъгла ?
-
Scott
- Мнения: 2710
- Регистриран на: 25 Ное 2004 18:44
- Местоположение: Bristol, UK
- Получена благодарност: 1 път
Corolla Verso E121 2.0 1CD-FTV 90HP 2003 SOL - Монтаж на OEM фарове за мъгла ?
- Meradjov
- Мнения: 8
- Регистриран на: 19 Авг 2018 22:35
- Местоположение: Златоград
- Автомобил: Corolla verso 2.0 D4D
Corolla Verso E121 2.0 1CD-FTV 90HP 2003 SOL - Монтаж на OEM фарове за мъгла ?
Мерси колега. Най вероятно ще е диод. А иначе като се освети таблото с фенерче и има лампичка за предните халогени.
Corolla Verso 2.0 D4D 116 hp.
- gimara
- Мнения: 1803
- Регистриран на: 27 Фев 2014 18:56
- Местоположение: Пловдив
- Автомобил: Verso 1.8/CVT, 2016
- Благодарил/а: 65 пъти
- Получена благодарност: 146 пъти
Corolla Verso E121 2.0 1CD-FTV 90HP 2003 SOL - Монтаж на OEM фарове за мъгла ?
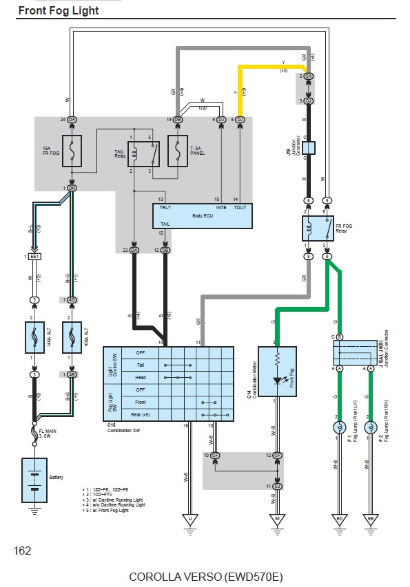
Схема:
► Виж съдържание
Toyota Manuals/Сервизни ръководства/Ръководство на потребителя
Toyota Corolla Verso 1.8/2008 >> Toyota Verso 1.8,CVT/2016
Toyota Corolla Verso 1.8/2008 >> Toyota Verso 1.8,CVT/2016

- slowtraveler
- Мнения: 6845
- Регистриран на: 28 Май 2006 21:44
- Местоположение: Варна
- Автомобил: Nissan Qashqai 2008/2.0/AWD
- Благодарил/а: 418 пъти
- Получена благодарност: 448 пъти
Corolla Verso E121 2.0 1CD-FTV 90HP 2003 SOL - Монтаж на OEM фарове за мъгла ?
Въпросът е дали има 'лампичка', която да светва от подаден към таблото сигнал.... Защото при осветяване с фенерче се вижда само дали на шаблона пред лампичките има отпечатан знак...
Toyota Avensis 1.6 VVT-I / 2002г --> Mazda6 /2008 --> JGC 3.0/2014 --> ???
Chevrolet Kalos 1.4/16V/2004-> Nissan Qashqai 2.0 4x4 2008
Chevrolet Kalos 1.4/16V/2004-> Nissan Qashqai 2.0 4x4 2008
- gimara
- Мнения: 1803
- Регистриран на: 27 Фев 2014 18:56
- Местоположение: Пловдив
- Автомобил: Verso 1.8/CVT, 2016
- Благодарил/а: 65 пъти
- Получена благодарност: 146 пъти
Corolla Verso E121 2.0 1CD-FTV 90HP 2003 SOL - Монтаж на OEM фарове за мъгла ?
Затова, намира се зеленото кабелче в куплунга на арматурното табло и с мултиметър в режим диод се проверява. Щото с подаване на напрежение, може да стане беля, ако се обърка пина.slowtraveler написа: ↑20 Авг 2018 16:03 Въпросът е дали има 'лампичка', която да светва от подаден към таблото сигнал...
Toyota Manuals/Сервизни ръководства/Ръководство на потребителя
Toyota Corolla Verso 1.8/2008 >> Toyota Verso 1.8,CVT/2016
Toyota Corolla Verso 1.8/2008 >> Toyota Verso 1.8,CVT/2016

- Meradjov
- Мнения: 8
- Регистриран на: 19 Авг 2018 22:35
- Местоположение: Златоград
- Автомобил: Corolla verso 2.0 D4D
Corolla Verso E121 2.0 1CD-FTV 90HP 2003 SOL - Монтаж на OEM фарове за мъгла ?
Ще го проверим с милиметър най добре.
Corolla Verso 2.0 D4D 116 hp.
- iakrastev
- Мнения: 124
- Регистриран на: 29 Апр 2016 14:48
- Местоположение: София
- Автомобил: oyota Corolla Verso, 1.8 VVti,
- Обратна връзка:
Corolla Verso E121 2.0 1CD-FTV 90HP 2003 SOL - Монтаж на OEM фарове за мъгла ?
Привет, щом е нямало прекарана инсталация и сте пускали на ново, вероятно не е вързано към таблото, на първа страница Stuky, е дал малко инфо с линк и снимки, ако това може да ти помогне по някакъв начин. Провери дали изобщо имаш лампа, която да свети на таблото за тези халогени... виждал съм и такива случаи при един колега.
Toyota Corolla Verso, 1.8 VVti, 2003
Кой е на линия
Потребители разглеждащи този форум: Bing [Bot], Google [Bot] и 2 госта