Дневни светлини за Toyota - DRL модули,схеми,LED светлини...
- slowtraveler
- Мнения: 7086
- Регистриран на: 28 Май 2006 21:44
- Местоположение: Варна
- Автомобил: Nissan Qashqai 2008/2.0/AWD
- Благодарил/а: 444 пъти
- Получена благодарност: 472 пъти
Дневни светлини за Toyota - DRL модули,схеми,LED светлини...
Така е, но теоретично я мъчи старта с големия пусков ток...
Та затова изрично споменах факта, че тези 100х.км са предимно градски и то на кратки разстояния...
Което е най-неприятния старт/стоп режим за ксеноновата крушка и въпреки това не съм имал каквито и да е проблеми...
Колата си дойде така със заводски DRL, който стартира предните къси ксенонови светлини (без предни и задни габарити и т.н.)... При мръкване/тъмно, само включваше и габаритите и коригираше вътрешното осветление... Всичко законно - никой не може да ти направи какъвто и да е проблем...
За други пазари същата кола си бе с друг модул за управление на светлините без DRL и там светлините се пускат и спират само според осветлението...
Та затова изрично споменах факта, че тези 100х.км са предимно градски и то на кратки разстояния...
Което е най-неприятния старт/стоп режим за ксеноновата крушка и въпреки това не съм имал каквито и да е проблеми...
Колата си дойде така със заводски DRL, който стартира предните къси ксенонови светлини (без предни и задни габарити и т.н.)... При мръкване/тъмно, само включваше и габаритите и коригираше вътрешното осветление... Всичко законно - никой не може да ти направи какъвто и да е проблем...
За други пазари същата кола си бе с друг модул за управление на светлините без DRL и там светлините се пускат и спират само според осветлението...
Toyota Avensis 1.6 VVT-I / 2002г --> Mazda6 /2008 --> JGC 3.0/2014 --> ???
Chevrolet Kalos 1.4/16V/2004-> Nissan Qashqai 2.0 4x4 2008
Chevrolet Kalos 1.4/16V/2004-> Nissan Qashqai 2.0 4x4 2008
- biro
- Мнения: 2909
- Регистриран на: 31 Мар 2013 11:21
- Местоположение: Русе
- Благодарил/а: 6 пъти
- Получена благодарност: 134 пъти
Дневни светлини за Toyota - DRL модули,схеми,LED светлини...
На Т25 не се вижда нищо по таблото и бутоните ако в светъл ден са включени къси или габарити.
C-HR 1.8 Hybrid 122к.с. 2ZR-FXE 2017 Classy LED
- slowtraveler
- Мнения: 7086
- Регистриран на: 28 Май 2006 21:44
- Местоположение: Варна
- Автомобил: Nissan Qashqai 2008/2.0/AWD
- Благодарил/а: 444 пъти
- Получена благодарност: 472 пъти
Дневни светлини за Toyota - DRL модули,схеми,LED светлини...
biro, констатацията ти показва, че трябва да се бориш с осветлението на таблото, а не със светлините...
Toyota Avensis 1.6 VVT-I / 2002г --> Mazda6 /2008 --> JGC 3.0/2014 --> ???
Chevrolet Kalos 1.4/16V/2004-> Nissan Qashqai 2.0 4x4 2008
Chevrolet Kalos 1.4/16V/2004-> Nissan Qashqai 2.0 4x4 2008
- biro
- Мнения: 2909
- Регистриран на: 31 Мар 2013 11:21
- Местоположение: Русе
- Благодарил/а: 6 пъти
- Получена благодарност: 134 пъти
Дневни светлини за Toyota - DRL модули,схеми,LED светлини...
Не става, борил съм се. Дори да успея да увелича яркостта, пак не е достатъчно да се види скоростомера на слънце. Но пък нощем е прекалено ярко. По 2 пъти на ден ли да сменям яркост? А какво правим с диодчетата на бутоните на централната конзола за климатик, рециркулация и т.н.? Те не се влияят от яркостта на таблото, но не се виждат на включени фарове през деня. Много трудно се шофира взирайки се в тези трудно различими контроли.
Нищо лошо няма в дълги на 30% тествал съм го лично. Има автомобили с фабрични такива дневни светлини % на дългите.
Нищо лошо няма в дълги на 30% тествал съм го лично. Има автомобили с фабрични такива дневни светлини % на дългите.
C-HR 1.8 Hybrid 122к.с. 2ZR-FXE 2017 Classy LED
- gimara
- Мнения: 1825
- Регистриран на: 27 Фев 2014 18:56
- Местоположение: Пловдив
- Автомобил: Verso 1.8/CVT, 2016
- Благодарил/а: 65 пъти
- Получена благодарност: 153 пъти
Дневни светлини за Toyota - DRL модули,схеми,LED светлини...
Не си се борил достатъчно. Всичко е точно така, както казваш, но аз въпроса го реших с едно реленце и един диод за 2 лева.
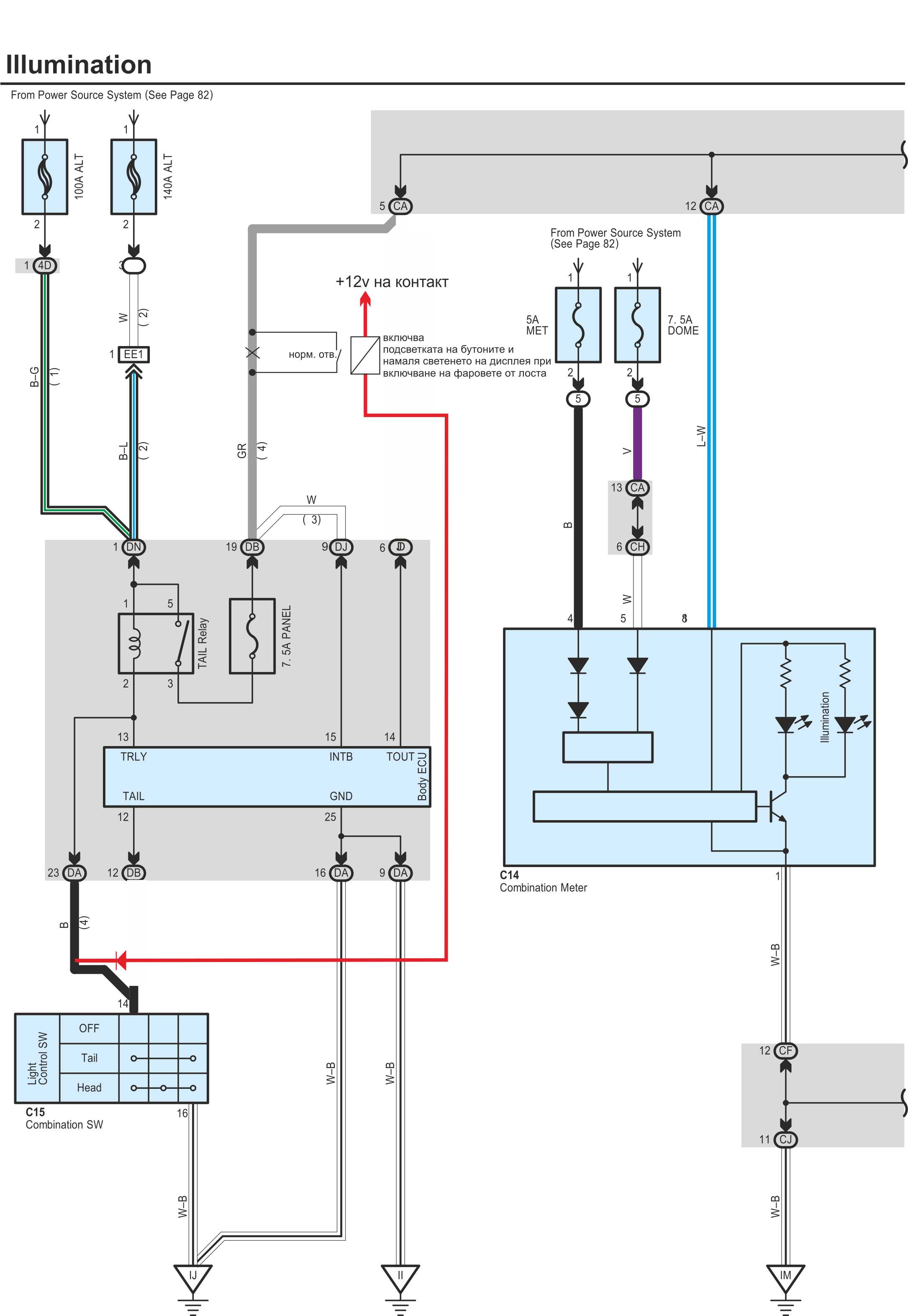
Каква е идеята: TAIL релето пуска габаритите и подсветката на бутоните. Прекъсва се кабела за подсветката и се включва прекъснатият кабел на контактите на релето. Релето се командва от лоста на волана за фаровете. Когато DRL модула включи релето за фаровете, то от своя страна пуска TAIL релето, което пък включва габаритите. Но подсветката на бутоните не е включена. Това ще стане, като се врътне лоста и щракне релето.
Схемата за Корола Версо 2004-2009 е в спойлера. На Авенсис няма да е по-различно предполагам.
► Виж съдържание
► Виж съдържание
► Виж съдържание
► Виж съдържание
Последно промяна от gimara на 18 Апр 2018 21:05, променено общо 3 пъти.
Toyota Manuals/Сервизни ръководства/Ръководство на потребителя
Toyota Corolla Verso 1.8/2008 >> Toyota Verso 1.8,CVT/2016
Toyota Corolla Verso 1.8/2008 >> Toyota Verso 1.8,CVT/2016

- slowtraveler
- Мнения: 7086
- Регистриран на: 28 Май 2006 21:44
- Местоположение: Варна
- Автомобил: Nissan Qashqai 2008/2.0/AWD
- Благодарил/а: 444 пъти
- Получена благодарност: 472 пъти
Дневни светлини за Toyota - DRL модули,схеми,LED светлини...
Имах предвид точно решение, подобно на това на gimara...
Дисплея очаква сигнал 'светло/тъмно', и чак след това ако е получил сигнал 'тъмно' решава с колко да го димира...
Изпратиш ли му сигнал 'светло', дори и фаровете да са светнали - дисплея ще е светъл
Дисплея очаква сигнал 'светло/тъмно', и чак след това ако е получил сигнал 'тъмно' решава с колко да го димира...
Изпратиш ли му сигнал 'светло', дори и фаровете да са светнали - дисплея ще е светъл
Toyota Avensis 1.6 VVT-I / 2002г --> Mazda6 /2008 --> JGC 3.0/2014 --> ???
Chevrolet Kalos 1.4/16V/2004-> Nissan Qashqai 2.0 4x4 2008
Chevrolet Kalos 1.4/16V/2004-> Nissan Qashqai 2.0 4x4 2008
- peterhr
- Мнения: 664
- Регистриран на: 31 Яну 2007 12:24
- Местоположение: София
- Благодарил/а: 14 пъти
- Получена благодарност: 37 пъти
- Обратна връзка:
Дневни светлини за Toyota - DRL модули,схеми,LED светлини...
Аз също си мисля, че светването на определен % на дългите е по-правилното решение. Вместо да се борим с изключване на сигнала към подсветката в купето, по-добре да светят дългите на малък %. Както каза и biro, има доста модели, които ползват точно такова решение. И то оригинално заводско. Не виждам проблем, защо да не се ползва aftermarket такова решение, пък било то и на ръба на закона. Стига да не пречи на останалите участници и да се вижда нормално.
Аз лично съм фен на светодиодите и винаги бих ползвал LED. Плюс това предпочитам да свети и нещо отзад. И сега съм реализирал нещо подобно.
Да, може би отпред и отзад светейки, така ще се доближи до Вашата идея за къси + габарити. Но аз лично не одобрявам светенето на къси през деня.
Аз лично съм фен на светодиодите и винаги бих ползвал LED. Плюс това предпочитам да свети и нещо отзад. И сега съм реализирал нещо подобно.
Да, може би отпред и отзад светейки, така ще се доближи до Вашата идея за къси + габарити. Но аз лично не одобрявам светенето на къси през деня.
Corolla E17, 2016г, 1.6 CVT
- gimara
- Мнения: 1825
- Регистриран на: 27 Фев 2014 18:56
- Местоположение: Пловдив
- Автомобил: Verso 1.8/CVT, 2016
- Благодарил/а: 65 пъти
- Получена благодарност: 153 пъти
Дневни светлини за Toyota - DRL модули,схеми,LED светлини...
Законодателят е казал да караме на къси, него не го интересува как ще си ги включваме.
Одобряваме или не, има правила, които трябва да се спазват. Щото някои например не одобряват даването на мигач при маневра, други не одобряват спирането на червен светофар и т.н. и т.н.
Toyota Manuals/Сервизни ръководства/Ръководство на потребителя
Toyota Corolla Verso 1.8/2008 >> Toyota Verso 1.8,CVT/2016
Toyota Corolla Verso 1.8/2008 >> Toyota Verso 1.8,CVT/2016

- peterhr
- Мнения: 664
- Регистриран на: 31 Яну 2007 12:24
- Местоположение: София
- Благодарил/а: 14 пъти
- Получена благодарност: 37 пъти
- Обратна връзка:
Дневни светлини за Toyota - DRL модули,схеми,LED светлини...
Е, чак пък сравнение със червен светофар...
Затова в закона е казано - дневни светлини. И аз искам да карам на "дневни", а не на къси. То е въпрос на личен избор. Пак казвам, аз съм фен на светодиодите и навсякъде имам само светодиоди. От повече от 10 години съм карал колите си със светодиоди. Дори и вкъщи съм подменил 90% от осветлението.
Сега малко да отклоня вниманието но пак на тема светлини. За моя модел Корола, се оказва че светодиодите за DRL светят много силно, даже може би по-силно, отколкото е нужно. Зад тях, или малко над тях се намира мигача. А той е с много малък рефлектор. И реално, когато свети мигача, светодиодите пречат да се види добре мигача. Ако човек се загледа, да вижда се. Но на всички останали модели коли се вижда МНОГО по-лесно. При мен не се вижда. Но Тойота така са решили. Дали това е добре - според мен - НЕ. Според Тойота - ДА. На много други марки коли, DRL светват по-слабо, докато мига мигач. Но в моята Корола - НЕ, защото явно е скъпо решение да светва по-слабо DRL-то. Обаче това понеже е заводски - значи всичко е наред. Та приказката е "на вкус и цвет товарищей нет".
Затова в закона е казано - дневни светлини. И аз искам да карам на "дневни", а не на къси. То е въпрос на личен избор. Пак казвам, аз съм фен на светодиодите и навсякъде имам само светодиоди. От повече от 10 години съм карал колите си със светодиоди. Дори и вкъщи съм подменил 90% от осветлението.
Сега малко да отклоня вниманието но пак на тема светлини. За моя модел Корола, се оказва че светодиодите за DRL светят много силно, даже може би по-силно, отколкото е нужно. Зад тях, или малко над тях се намира мигача. А той е с много малък рефлектор. И реално, когато свети мигача, светодиодите пречат да се види добре мигача. Ако човек се загледа, да вижда се. Но на всички останали модели коли се вижда МНОГО по-лесно. При мен не се вижда. Но Тойота така са решили. Дали това е добре - според мен - НЕ. Според Тойота - ДА. На много други марки коли, DRL светват по-слабо, докато мига мигач. Но в моята Корола - НЕ, защото явно е скъпо решение да светва по-слабо DRL-то. Обаче това понеже е заводски - значи всичко е наред. Та приказката е "на вкус и цвет товарищей нет".
Corolla E17, 2016г, 1.6 CVT
- gimara
- Мнения: 1825
- Регистриран на: 27 Фев 2014 18:56
- Местоположение: Пловдив
- Автомобил: Verso 1.8/CVT, 2016
- Благодарил/а: 65 пъти
- Получена благодарност: 153 пъти
Дневни светлини за Toyota - DRL модули,схеми,LED светлини...
(3) (Изм. - ДВ, бр. 61 от 2006 г., изм. - ДВ, бр. 60 от 2012 г., в сила от 07.08.2012 г.) През деня моторните превозни средства се движат с включени светлини за движение през деня или с къси светлини.
Който има дневни да кара на дневни, който няма да кара на къси. Щото тия дето са със синкави LED ленти и те си мислят, че карат на дневни.
Който има дневни да кара на дневни, който няма да кара на къси. Щото тия дето са със синкави LED ленти и те си мислят, че карат на дневни.
Приказката е, че контрола е почти нулев, иначе ще си уеднаквим много бързо вкусовете.
Toyota Manuals/Сервизни ръководства/Ръководство на потребителя
Toyota Corolla Verso 1.8/2008 >> Toyota Verso 1.8,CVT/2016
Toyota Corolla Verso 1.8/2008 >> Toyota Verso 1.8,CVT/2016

-
dimkaraganchev
- Мнения: 607
- Регистриран на: 03 Юни 2010 18:23
- Местоположение: гр. Сопот
- Благодарил/а: 1 път
- Получена благодарност: 8 пъти
Дневни светлини за Toyota - DRL модули,схеми,LED светлини...
Е. с реленца и диодчета е къде-къде по-добре.
Междо другото, това не е ли промяна в конструкцията... 
- slowtraveler
- Мнения: 7086
- Регистриран на: 28 Май 2006 21:44
- Местоположение: Варна
- Автомобил: Nissan Qashqai 2008/2.0/AWD
- Благодарил/а: 444 пъти
- Получена благодарност: 472 пъти
Дневни светлини за Toyota - DRL модули,схеми,LED светлини...
Въпреки, че може да бъде сертифицирано, бих казал, че такова решение е изключение... И то голямо...
Защо?
Сертифицирането на една светлина не е толкова лесно.
Какви са вариантите? Първият- поставяне на сертифициран светоизточник - например 25W крушка или подходящ LED в конкретен фар и измерването на осветеността в дадените точки ще ти даде сертифициран DRL..
Вторият - автоматичното включване на късите - също, и то без нужда от сертифициране на фара.
Ако използваш рефлектора на дългите, трябва да сертифицираш и управлението на фара, за да си сигурен, че винаги крушката ще отдава нужната осветеност... Което е доста по-сложно - сертифицираш не само фар, но и управлението му...
А за мигача - не е заради цената(при мен DRL директно гасне от тази страна при пуснат мигач)... За съжаление и при Лексъса с 'бягащата' светлина на мигача забелязах този ефект - 'маскира' се от DRL...
Обаче бъркаш в изводите ...
Не е така... Заводът е длъжен да се съобрази с правилата и го прави. Затова всичко е наред, защото отговаря на правилата, а не защото го е направил завода...
Ако ти си направиш DRL на дългите и го сертифицираш - никой няма да ти прави проблем.
То това е сертификацията - да докажеш, че отговаряш на правилата. И така да избегнеш точно това, че 'на вкус и цвет товарищей нет - един решил, че той разбира повече от производителя, и DRL не трябва например да е 20% от дългите, а трябва да е 30%, че да се вижда по - добре... Друг решил друго - и настава анархия'...
Toyota Avensis 1.6 VVT-I / 2002г --> Mazda6 /2008 --> JGC 3.0/2014 --> ???
Chevrolet Kalos 1.4/16V/2004-> Nissan Qashqai 2.0 4x4 2008
Chevrolet Kalos 1.4/16V/2004-> Nissan Qashqai 2.0 4x4 2008
Дневни светлини за Toyota - DRL модули,схеми,LED светлини...
Четох много в темата ,но така и неразбрах на коли ,които нямат фабрични дневни какво да се направи? Аз си сложих на другият ми автомобил DLR на стъклото на който им пише Е4 и досега никога не съм имаш проблеми с полицията.
-
ivandeb1355
- Мнения: 11
- Регистриран на: 05 Окт 2017 08:13
- Местоположение: Разлог
Дневни светлини за Toyota - DRL модули,схеми,LED светлини...
Здравейте
Имам авенсис т 27 и фаровете а с дневни светлини Проблема е че при пускане на ауто нищо не свети Когато закрия датчика за светлината светва ксенона проверих бушоните и всички са изправни
някакви идеи от къде може да е проблема
Имам авенсис т 27 и фаровете а с дневни светлини Проблема е че при пускане на ауто нищо не свети Когато закрия датчика за светлината светва ксенона проверих бушоните и всички са изправни
някакви идеи от къде може да е проблема
-
longoza
- Мнения: 78
- Регистриран на: 03 Юни 2016 09:40
- Местоположение: София
- Благодарил/а: 2 пъти
- Получена благодарност: 7 пъти
Дневни светлини за Toyota - DRL модули,схеми,LED светлини...
Здравейте колеги. Харесал съм си едни DRL :
https://www.eldibg.com/drl-daytime-runn ... -drl-16-1w
Колата ми е Corolla 1,4 D4D 2007 г. Гледам че пасват в едни отвори в двата края на бронята. Въпросът ми е от къде ще е най-добре да взема ток за захранване от контакт? Имат и кабел за свързване с габарити,токът на който ги изгася.
https://www.eldibg.com/drl-daytime-runn ... -drl-16-1w
Колата ми е Corolla 1,4 D4D 2007 г. Гледам че пасват в едни отвори в двата края на бронята. Въпросът ми е от къде ще е най-добре да взема ток за захранване от контакт? Имат и кабел за свързване с габарити,токът на който ги изгася.
Кой е на линия
Потребители разглеждащи този форум: 0 регистрирани и 2 госта