Дневни светлини за Toyota - DRL модули,схеми,LED светлини...
- gimara
- Мнения: 1825
- Регистриран на: 27 Фев 2014 18:56
- Местоположение: Пловдив
- Автомобил: Verso 1.8/CVT, 2016
- Благодарил/а: 65 пъти
- Получена благодарност: 153 пъти
Дневни светлини за Toyota - DRL модули,схеми,LED светлини...
Toyota Manuals/Сервизни ръководства/Ръководство на потребителя
Toyota Corolla Verso 1.8/2008 >> Toyota Verso 1.8,CVT/2016
Toyota Corolla Verso 1.8/2008 >> Toyota Verso 1.8,CVT/2016

Дневни светлини за Toyota - DRL модули,схеми,LED светлини...
Всичко, което амортизира рефлектор и фар излишно не е оферта, затова съм за допълнителните DRL- ако няма фабрични естествено. 
Дневни светлини за Toyota - DRL модули,схеми,LED светлини...
Автомобила е Авенсис Т25 2 д4д 116 2005 .
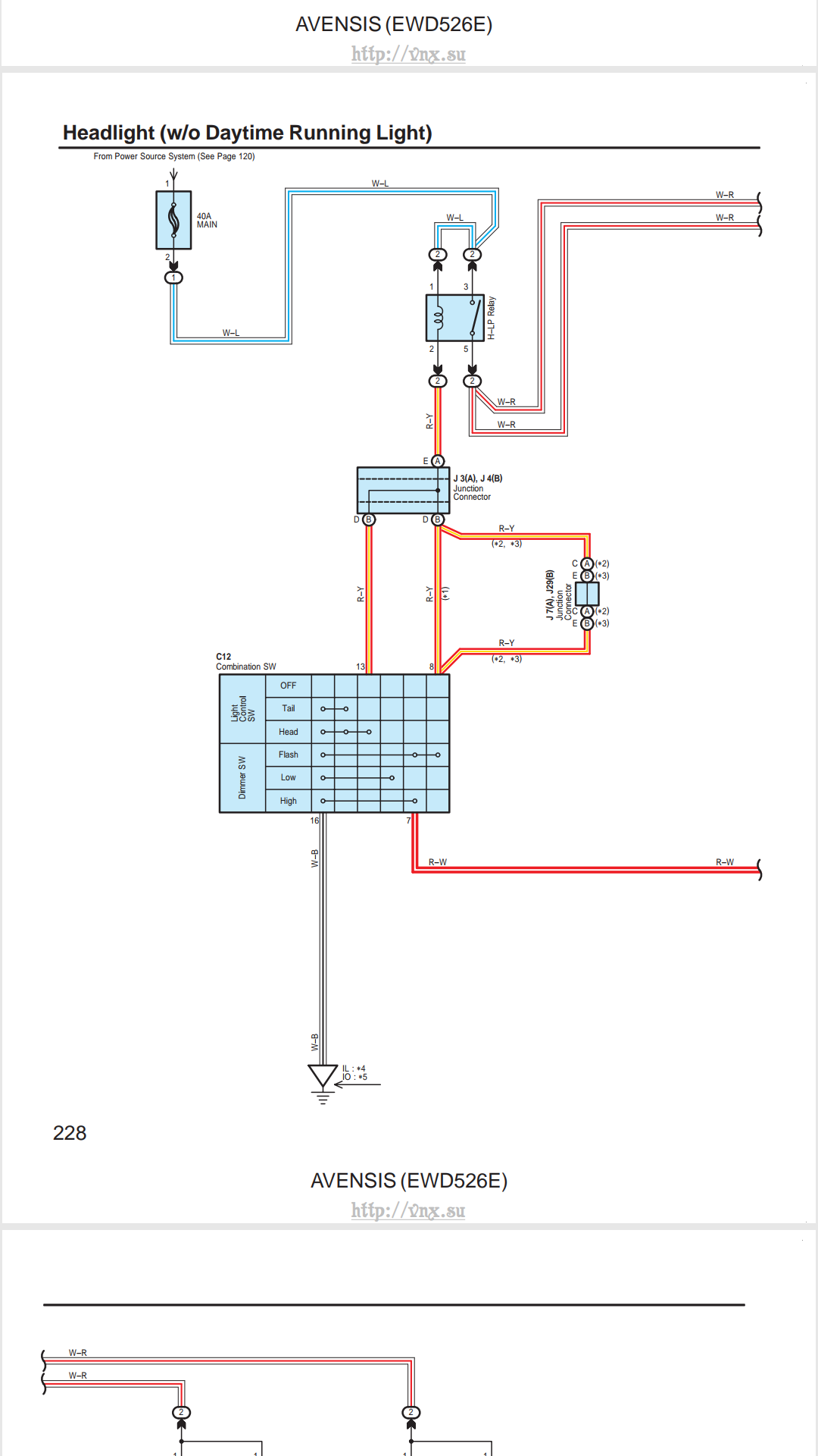
Как да свържа модул за дневни светлини на дългите? Измислил съм го но е с доста допълнителна комутация . Търся семпло решение . Защо е тази ел. връзка на + между къси и дълги ? Каква и е идеята ? На късите съм с китайски ксенон
Според документацията схемата ми е следната
Благодяря .
Как да свържа модул за дневни светлини на дългите? Измислил съм го но е с доста допълнителна комутация . Търся семпло решение . Защо е тази ел. връзка на + между къси и дълги ? Каква и е идеята ? На късите съм с китайски ксенон
Според документацията схемата ми е следната
Благодяря .
- Freedom
- Мнения: 412
- Регистриран на: 22 Яну 2010 11:04
- Местоположение: Бургас
- Благодарил/а: 13 пъти
- Получена благодарност: 16 пъти
Дневни светлини за Toyota - DRL модули,схеми,LED светлини...
За коя връзка питаш? Късите се управляват по (+), а дългите по (-). Тъй като искаш да захраниш само дългите при изключено положение на превключвателя ще ти трябват две релета. Какво не ти е ясно?
Дневни светлини за Toyota - DRL модули,схеми,LED светлини...
Не съм сигурен ,че само с две релета ще се случат нещата . След предпазителите има връзка между къси и дълги. Защо ?
- Freedom
- Мнения: 412
- Регистриран на: 22 Яну 2010 11:04
- Местоположение: Бургас
- Благодарил/а: 13 пъти
- Получена благодарност: 16 пъти
Дневни светлини за Toyota - DRL модули,схеми,LED светлини...
Защото когато си включиш фаровете и късите и дългите са постоянно захранени с (+), но дългите чакат (-) от ключа. Различни схеми ли гледаме, че трябва да осъзнавам каквото и да било?
Дневни светлини за Toyota - DRL модули,схеми,LED светлини...
То това е очевидно. Въпроса е защо след предпазителите за къси и след предпазителите за дълги има връзка ? Явно не гледаме една и съща схема . Ако не те затруднява нарисувай на схемата как с две релета ще работят дългите като дневни на шим. Аз с две релета немога. Ако ти можеш, мога само да ти кажа Браво. Би ли споделил как?
Ето за тези връзки питам.
Ето за тези връзки питам.
- slowtraveler
- Мнения: 7094
- Регистриран на: 28 Май 2006 21:44
- Местоположение: Варна
- Автомобил: Nissan Qashqai 2008/2.0/AWD
- Благодарил/а: 446 пъти
- Получена благодарност: 473 пъти
Дневни светлини за Toyota - DRL модули,схеми,LED светлини...
Ако се загледаш ще видиш, че това не се 'връзки', а алтернативна схема според това дали колата е с оригинален ксенон или не...
С две релета можеш да 'превключиш' дългите да бъдат последователно вързани при ДРЛ, но лично на мен не ми харесва подобно решение, защото се налагат много превключвания (и прекъсване на 'заводските' връзки през реле)...
Toyota Avensis 1.6 VVT-I / 2002г --> Mazda6 /2008 --> JGC 3.0/2014 --> ???
Chevrolet Kalos 1.4/16V/2004-> Nissan Qashqai 2.0 4x4 2008
Chevrolet Kalos 1.4/16V/2004-> Nissan Qashqai 2.0 4x4 2008
Дневни светлини за Toyota - DRL модули,схеми,LED светлини...
Това под предпазителите на дългите наистина съм го пропуснал ,че е за вярианта с ксенон. Наистина става , не е сложно но много "се раздробявя " заводската инсталация . Като себестойност цялата анджаклама става повече от нов комплектт ксенони. Ще карам май така за сега.
- slowtraveler
- Мнения: 7094
- Регистриран на: 28 Май 2006 21:44
- Местоположение: Варна
- Автомобил: Nissan Qashqai 2008/2.0/AWD
- Благодарил/а: 446 пъти
- Получена благодарност: 473 пъти
Дневни светлини за Toyota - DRL модули,схеми,LED светлини...
Отново да припомня - на Маздата 5г предимно на късо градско (т.е. многократно стартиране на фаровете) нямаше никакъв проблем с ксенона... А оригиналният DRL на всяко стартиране на ДВГ палеше два пъти фаровете - веднъж при подаване на контакт, гасеше при въртене на стартер, и палеше отново фаровете след отпускане на ключа...
Та и затова въобще не съм се напрягал да мисля за ДРЛ... На Кашкая при същият начин на експлоатация засега съм сменил една халогенна крушка (да, кара се по-малко), като при него ползвам 'защитата' вместо ДРЛ - оставам включени фаровете при гасене на ДВГ, и защитата против забравяне ги гаси. Като ги пуска отново при стартиране на ДВГ... Реално - просто съм преместил врътката 'на пуснати фарове' и не се занимавам с ДРЛ и т.н....
Да, там таблото е контрастно и не става нечитаемо при 'нощен режим'..
Та и затова въобще не съм се напрягал да мисля за ДРЛ... На Кашкая при същият начин на експлоатация засега съм сменил една халогенна крушка (да, кара се по-малко), като при него ползвам 'защитата' вместо ДРЛ - оставам включени фаровете при гасене на ДВГ, и защитата против забравяне ги гаси. Като ги пуска отново при стартиране на ДВГ... Реално - просто съм преместил врътката 'на пуснати фарове' и не се занимавам с ДРЛ и т.н....
Да, там таблото е контрастно и не става нечитаемо при 'нощен режим'..
Toyota Avensis 1.6 VVT-I / 2002г --> Mazda6 /2008 --> JGC 3.0/2014 --> ???
Chevrolet Kalos 1.4/16V/2004-> Nissan Qashqai 2.0 4x4 2008
Chevrolet Kalos 1.4/16V/2004-> Nissan Qashqai 2.0 4x4 2008
Дневни светлини за Toyota - DRL модули,схеми,LED светлини...
Колега,
Няколко поста назад съм писал, как съм направил ДРЛ при мен на Т27. Секциите във фара и при теб са същите, но ако не ти се занимава да преправяш секцията за мигача с крушка с двойна светлина ( бяла и жълта) модула, който ползвам става и за дълги. Даже, докато чаках крушките да пристигнат карах няколко седмици с дълги на 20%. Модулчето е много практично, нищо не се преправя. Има си предпазител и директно се закача в бушониерата. Това му е схемата. Изходът може да е дълги, къси, ЛЕД и т.н.
Няколко поста назад съм писал, как съм направил ДРЛ при мен на Т27. Секциите във фара и при теб са същите, но ако не ти се занимава да преправяш секцията за мигача с крушка с двойна светлина ( бяла и жълта) модула, който ползвам става и за дълги. Даже, докато чаках крушките да пристигнат карах няколко седмици с дълги на 20%. Модулчето е много практично, нищо не се преправя. Има си предпазител и директно се закача в бушониерата. Това му е схемата. Изходът може да е дълги, къси, ЛЕД и т.н.
- Прикачени файлове
-
- 11.PNG (157.32 KiB) Преглеждано 7530 пъти
Дневни светлини за Toyota - DRL модули,схеми,LED светлини...
Моите изкараха повече от 2 г. Монтирал съм ги в началото на 01.2017 и на едната бялата светлина започна леко да мъждука преди около 2 месеца. Имах време да си взема нов комплект и след като тотално спря да свети, онзи ден я смених. Хубавото е, че изгорялата бяла светлина не пречи на мигача да работи коректно.
T25 2.2 150 hp 2008
-
color
- Мнения: 97
- Регистриран на: 03 Май 2017 20:24
- Местоположение: София
- Благодарил/а: 1 път
- Получена благодарност: 2 пъти
Дневни светлини за Toyota - DRL модули,схеми,LED светлини...
Колеги, решил съм да сложа от комбинираните DRL/мигач лед крушки в секцията за мигача на моя Авенсис. Бихте ли дали информация или линк към по - читави такива - откъде да купя?
Toyota Avensis D4D 2.0 126hp
Nissan Primera P10 1.6i 102hp
Nissan Primera P10 1.6i 102hp
- gimara
- Мнения: 1825
- Регистриран на: 27 Фев 2014 18:56
- Местоположение: Пловдив
- Автомобил: Verso 1.8/CVT, 2016
- Благодарил/а: 65 пъти
- Получена благодарност: 153 пъти
Дневни светлини за Toyota - DRL модули,схеми,LED светлини...
Първото мнение на тази страница.
Toyota Manuals/Сервизни ръководства/Ръководство на потребителя
Toyota Corolla Verso 1.8/2008 >> Toyota Verso 1.8,CVT/2016
Toyota Corolla Verso 1.8/2008 >> Toyota Verso 1.8,CVT/2016

-
color
- Мнения: 97
- Регистриран на: 03 Май 2017 20:24
- Местоположение: София
- Благодарил/а: 1 път
- Получена благодарност: 2 пъти
Дневни светлини за Toyota - DRL модули,схеми,LED светлини...
Благодаря колега, изчел съм неколкократно цялата тема. От руски сайтове не пазарувам, въпроса ми беше по-скоро към колеги, които са с такива светлини закупени от Алиекспрес или от БГ. Тъй като се появиха доста видове и модели, да се ориентирам кои са по-качествени.
Toyota Avensis D4D 2.0 126hp
Nissan Primera P10 1.6i 102hp
Nissan Primera P10 1.6i 102hp
Кой е на линия
Потребители разглеждащи този форум: 0 регистрирани и 3 госта