Сервиз за печка Вебасто в Пловдив
- kaloian311
- Мнения: 268
- Регистриран на: 04 Мар 2010 19:23
- Местоположение: Пловдив
Сервиз за печка Вебасто в Пловдив
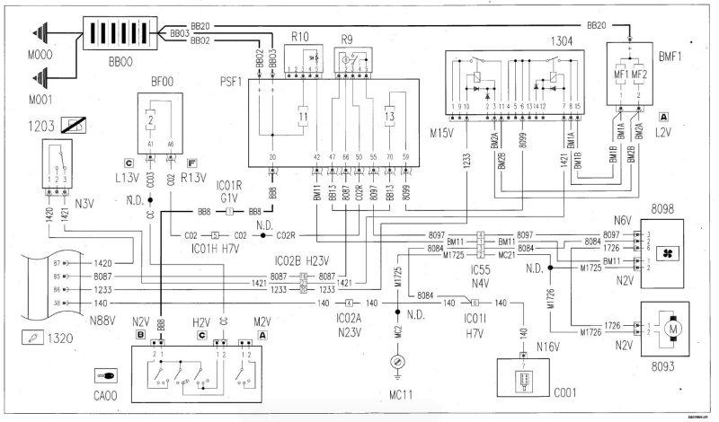
Здравейте колеги,закупих печка за колата(нафтова)но не мога да е накарам да запали свещта,можете ли да ме ориентирате към някои който може да ми помогне в начинанието.Благодаря предварително.Прилагам и схема ако може някой да каже кой кабел как трябва да се свърже.
- Прикачени файлове
-
- shema_912.jpg (150.95 KiB) Преглеждано 1305 пъти
- kaloian311
- Мнения: 268
- Регистриран на: 04 Мар 2010 19:23
- Местоположение: Пловдив
Кой е на линия
Потребители разглеждащи този форум: 0 регистрирани и 3 госта
