Проблем с климатика на Corolla E12

intasu
Мнения: 3
Регистриран на: 18 Ное 2010 21:24

Проблем с климатика на Corolla E12

Мнение от intasu » 05 Май 2013 12:04

Здравейте колеги наскоро изникна проблем с климатика на королата. За три години каране (мародерско) по здрава кола няма. Но към проблема стига с рекламите. Миналата седмица реших прибирайки се от Младост да си пусна климатика, че ми стана топло и работеше, доволен от това че духа студено бях спокоен. Следващата седмица пак същата ситуация, пускам климатика той не работи духа топло, а от три години каране не е пипан и реших да поровя по колата и какво се случи. Всички бушони до един здрави, всички релета здрави, напреженията са наред, но шайбата на компресора не прибира и не завърта (проблем!!!). Премерих датчика за налягане на фреона (здрав!!!). И се принудих да я откарам колата на сервиз, какво откриха те: фреон има, бушоните са здрави, релетата за здрави, системата не изпуска, датчиците са здрави, напрежения има. Какво направиха те мериха тук-там към един час и установиха, че е модула за управление на климатика (бил изгорял!!!). Свалихме модула с майсторите и тай съм техник по автоматизация и платките са ми втора страст, забелязах че тази въпросна платка е като нова нито нагар, нито студени спойки, нито думнали (видимо!!!) елементи. И цялата работа в тоя модул е че той изпраща сигнал към релето да затвори връзката, за да подаде напрежение или ток към компресора. И да вметна още нещо като му подам принудително 12V на компресора на работещ автомобил шайбата на компресора прибира и климатика духа студено(работи!!!). Та Ви моля да ме посъветвате, тъй като се съмнявам в тази платка, че е счупена. Какво да правя?

Поздрави!

Аватар
diesel_power
Мнения: 469
Регистриран на: 29 Май 2010 17:45
Местоположение: Бургас
Получена  благодарност: 2 пъти

Re: Проблем с климатика на Corolla E12

Мнение от diesel_power » 06 Май 2013 08:20

Колко кабела отиват до компресора 1 или 3

mitaka_kz
Мнения: 9
Регистриран на: 27 Яну 2011 00:01
Местоположение: София

Re: Проблем с климатика на Corolla E12

Мнение от mitaka_kz » 08 Май 2013 17:55

intasu,
Има ли развитие с проблема на климатика. При моята Королка положението е същото, а именно не сезавърта компресора. Можеш ли да ми дадеш някакви насоки кое реле е отговорното за включването му и как се стига до въпросния управляващ блок, който "уж" е изгорял при теб?
Мисля скоро да се позанимавам с разрешаването на този проблем, така че може да си съдействаме.
Айде успех.

sivik90
Мнения: 45
Регистриран на: 06 Окт 2010 10:41
Благодарил/а: 4 пъти
Получена  благодарност: 2 пъти

Re: Проблем с климатика на Corolla E12

Мнение от sivik90 » 13 Май 2013 22:30

здр.колеги.и аз имам същият проблем със селика Т20 .при натискане на копчето за климатика не се случва нищо.бушоните са здрави и никакви проблеми до последно не съм имал.ще се радвам да обменим мнения.

Joro GN
Мнения: 11
Регистриран на: 23 Яну 2012 15:04
Местоположение: София

Re: Проблем с климатика на Corolla E12

Мнение от Joro GN » 15 Май 2013 10:59

intasu написа:Здравейте колеги наскоро изникна проблем с климатика на королата. За три години каране (мародерско) по здрава кола няма. Но към проблема стига с рекламите. Миналата седмица реших прибирайки се от Младост да си пусна климатика, че ми стана топло и работеше, доволен от това че духа студено бях спокоен. Следващата седмица пак същата ситуация, пускам климатика той не работи духа топло, а от три години каране не е пипан и реших да поровя по колата и какво се случи. Всички бушони до един здрави, всички релета здрави, напреженията са наред, но шайбата на компресора не прибира и не завърта (проблем!!!). Премерих датчика за налягане на фреона (здрав!!!). И се принудих да я откарам колата на сервиз, какво откриха те: фреон има, бушоните са здрави, релетата за здрави, системата не изпуска, датчиците са здрави, напрежения има. Какво направиха те мериха тук-там към един час и установиха, че е модула за управление на климатика (бил изгорял!!!). Свалихме модула с майсторите и тай съм техник по автоматизация и платките са ми втора страст, забелязах че тази въпросна платка е като нова нито нагар, нито студени спойки, нито думнали (видимо!!!) елементи. И цялата работа в тоя модул е че той изпраща сигнал към релето да затвори връзката, за да подаде напрежение или ток към компресора. И да вметна още нещо като му подам принудително 12V на компресора на работещ автомобил шайбата на компресора прибира и климатика духа студено(работи!!!). Та Ви моля да ме посъветвате, тъй като се съмнявам в тази платка, че е счупена. Какво да правя?

Поздрави!
Ако още не си решил проблема,провери идва ли оперативно напрежение до релето от платката, щрака ли релето и чисти ли са му контактите. Не се доверявай, че модула е изгорял. И мене са ме работили за изгорял модул на ABS, а само трябваше да се рисетне системата.

mitaka_kz
Мнения: 9
Регистриран на: 27 Яну 2011 00:01
Местоположение: София

Re: Проблем с климатика на Corolla E12

Мнение от mitaka_kz » 15 Май 2013 17:36

... Не се доверявай, че модула е изгорял.
Joro GN е много прав.
Аз си пуснах самодиагностиката на модула управляващ климатика. Точната процедура за стартирането на тази процедура както и изчистването на грешки са описани добре в Аутодата-та. След като рестартирах модула за управление, климатика си заработи.
Ако някой иска повече информация нека да пише ще му пратя каквато документация имам;)
Успех.

stohi d4d
Мнения: 2
Регистриран на: 12 Дек 2016 14:07
Местоположение: Dragoman

Проблем с климатика на Corolla E12

Мнение от stohi d4d » 27 Апр 2017 12:32

Здравейте колеги имам проблем с климатроника на копола е12 d4d не включва всеки път от сервиза за климатици казват не идва ток до компресора да ходя при електричар от там казват обратното моля помагате.

guapo
Мнения: 6
Регистриран на: 10 Мар 2017 17:25
Местоположение: София
Благодарил/а: 2 пъти
Получена  благодарност: 2 пъти

Проблем с климатика на Corolla E12

Мнение от guapo » 05 Юни 2017 14:32

Здравейте, mitaka_kz, дали може да пуснеш линк към аутодата където е обяснено това, неуспях да го открия а имам точно съяия проблем с климатроника.Има си всичко, фреон, налчгане, няма изгорели бушони ... просто компресора не тръгва

Daco
Мнения: 23
Регистриран на: 20 Юли 2016 20:04
Местоположение: София

Проблем с климатика на Corolla E12

Мнение от Daco » 03 Юли 2017 15:32

Здравейте! При мен проблема е сходен. Има фреон, налягането е нормално уж всичко работи ама пускаш климатика, компресора тръгва ( не винаги) духа студено. В момента в който подам газ да тръгна климатика изгасва и започва да вкарва горещ въздух, когато вдигна оборотите тръгва и работи нормално даже духа доста студено. Ходех при много майстори всеки мери замерва и вдига рамене. Ако някой има идея какво може да е нека сподели моля! ohmy.gif

guapo
Мнения: 6
Регистриран на: 10 Мар 2017 17:25
Местоположение: София
Благодарил/а: 2 пъти
Получена  благодарност: 2 пъти

Проблем с климатика на Corolla E12

Мнение от guapo » 19 Ное 2018 12:13

не включвало втората перка и затова изключвал компресора ... това е последното което ми казаха, но не се занимавали с ел.вериги да си търся друг, е искаха си 80лв понеже били напълнили климатика, предния ден го проверявах пълен беше на макс ... малка поука, когато ходиш на сервиз "arvbg.com" не се връзвай на "отиди отсреща да изпиеш едно кафе" :censored:

Аватар
Митхат
Мнения: 3945
Регистриран на: 20 Апр 2015 21:00
Местоположение: Кричим
Автомобил: E38
Благодарил/а: 49 пъти
Получена  благодарност: 150 пъти

Проблем с климатика на Corolla E12

Мнение от Митхат » 19 Ное 2018 17:44

guapo написа: 19 Ное 2018 12:13 малка поука, когато ходиш на сервиз "arvbg.com" не се връзвай на "отиди отсреща да изпиеш едно кафе"
Дааа ама нали знаеш че при майстор не се седи защото никой не обича да му чукат колата или жената. tooth.gif tooth.gif
Било каквото било,отсега нататък ще бъде....както си е било .

Аватар
jerryyyyy
Мнения: 9
Регистриран на: 31 Окт 2016 13:01
Местоположение: sofia

Проблем с климатика на Corolla E12

Мнение от jerryyyyy » 20 Юли 2022 21:08

Здравейте! Намерихте ли решение на проблема? Аз имам същия проблем, колата е тойота авенсис т25 2005 година, системата няма теч, датчици здрави, панела работи (размених го с на друга тойота за проба) и компресор здрав, перките са проверени и нищо накрая-компресора не тръгва 🙁 на поне 4-5 различни диагностики минах и няма резултат всеки вдига рамене. Много ще съм благодарен ако дадете съвет къде да търся.

Аватар
memorex
Мнения: 1065
Регистриран на: 17 Фев 2021 21:29
Местоположение: Varna
Автомобил: avatar
Благодарил/а: 90 пъти
Получена  благодарност: 67 пъти

Проблем с климатика на Corolla E12

Мнение от memorex » 20 Юли 2022 23:14

Здр.
А релето в двигателния отсек проверено ли е?
"Великите умове обсъждат идеи, средните умове обсъждат събития, малките умове обсъждат хората."
'Without data, you’re just another person with an opinion', W. Edwards Deming

Аватар
mapamop
Мнения: 5740
Регистриран на: 28 Юли 2019 12:49
Местоположение: Русе
Автомобил: Avensis WG T25,1ZZFE,2005
Благодарил/а: 185 пъти
Получена  благодарност: 761 пъти

Проблем с климатика на Corolla E12

Мнение от mapamop » 21 Юли 2022 00:12

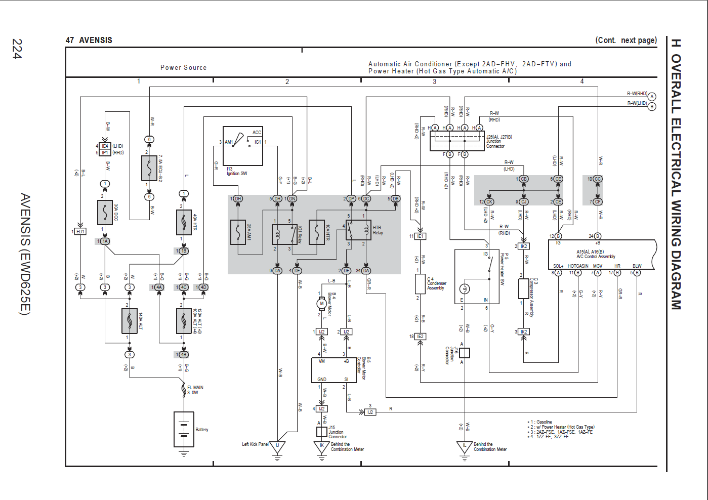
Схема от сервизното ръководство, което никой не чете (http://toyota.aitnet.org/Toyota/Avensis ... 05.SIL.rar):
ac1.png
ac1.png (188.92 KiB) Преглеждано 7583 пъти
ac2.png
ac2.png (141.49 KiB) Преглеждано 7583 пъти
Opel Astra F 1.7D(1993) -> Toyota Avensis T25 (2005), E: 1ZZFE, F: ZZT251L / Corolla Verso (07.2007), E: 1ZZFE, F: ZNR11L
--
Тц...тц...тц...

Аватар
mapamop
Мнения: 5740
Регистриран на: 28 Юли 2019 12:49
Местоположение: Русе
Автомобил: Avensis WG T25,1ZZFE,2005
Благодарил/а: 185 пъти
Получена  благодарност: 761 пъти

Проблем с климатика на Corolla E12

Мнение от mapamop » 21 Юли 2022 00:18

Направете самодиагностика на климатика и запишете грешките.
Сменете предпазителя с такъв на който са му идеално чисти крачетата. От окислен предпазител изобщо не ми светваше бутона A/C и не реагираше. Свалих 750 лева от цената в моргата, като си купувах моят рак.
Релето HTR на таблото с предпазителите в купето сменено ли е? Има същото по спомен отпред на фаровете, отгоре на радиатора в таблото.
Opel Astra F 1.7D(1993) -> Toyota Avensis T25 (2005), E: 1ZZFE, F: ZZT251L / Corolla Verso (07.2007), E: 1ZZFE, F: ZNR11L
--
Тц...тц...тц...

Публикувай отговор

Кой е на линия

Потребители разглеждащи този форум: 0 регистрирани и 3 госта