Страница 1 от 1
Проблем с климатика на Corolla E12
Публикувано на: 05 Май 2013 12:04
от intasu
Здравейте колеги наскоро изникна проблем с климатика на королата. За три години каране (мародерско) по здрава кола няма. Но към проблема стига с рекламите. Миналата седмица реших прибирайки се от Младост да си пусна климатика, че ми стана топло и работеше, доволен от това че духа студено бях спокоен. Следващата седмица пак същата ситуация, пускам климатика той не работи духа топло, а от три години каране не е пипан и реших да поровя по колата и какво се случи. Всички бушони до един здрави, всички релета здрави, напреженията са наред, но шайбата на компресора не прибира и не завърта (проблем!!!). Премерих датчика за налягане на фреона (здрав!!!). И се принудих да я откарам колата на сервиз, какво откриха те: фреон има, бушоните са здрави, релетата за здрави, системата не изпуска, датчиците са здрави, напрежения има. Какво направиха те мериха тук-там към един час и установиха, че е модула за управление на климатика (бил изгорял!!!). Свалихме модула с майсторите и тай съм техник по автоматизация и платките са ми втора страст, забелязах че тази въпросна платка е като нова нито нагар, нито студени спойки, нито думнали (видимо!!!) елементи. И цялата работа в тоя модул е че той изпраща сигнал към релето да затвори връзката, за да подаде напрежение или ток към компресора. И да вметна още нещо като му подам принудително 12V на компресора на работещ автомобил шайбата на компресора прибира и климатика духа студено(работи!!!). Та Ви моля да ме посъветвате, тъй като се съмнявам в тази платка, че е счупена. Какво да правя?
Поздрави!
Re: Проблем с климатика на Corolla E12
Публикувано на: 06 Май 2013 08:20
от diesel_power
Колко кабела отиват до компресора 1 или 3
Re: Проблем с климатика на Corolla E12
Публикувано на: 08 Май 2013 17:55
от mitaka_kz
intasu,
Има ли развитие с проблема на климатика. При моята Королка положението е същото, а именно не сезавърта компресора. Можеш ли да ми дадеш някакви насоки кое реле е отговорното за включването му и как се стига до въпросния управляващ блок, който "уж" е изгорял при теб?
Мисля скоро да се позанимавам с разрешаването на този проблем, така че може да си съдействаме.
Айде успех.
Re: Проблем с климатика на Corolla E12
Публикувано на: 13 Май 2013 22:30
от sivik90
здр.колеги.и аз имам същият проблем със селика Т20 .при натискане на копчето за климатика не се случва нищо.бушоните са здрави и никакви проблеми до последно не съм имал.ще се радвам да обменим мнения.
Re: Проблем с климатика на Corolla E12
Публикувано на: 15 Май 2013 10:59
от Joro GN
intasu написа:Здравейте колеги наскоро изникна проблем с климатика на королата. За три години каране (мародерско) по здрава кола няма. Но към проблема стига с рекламите. Миналата седмица реших прибирайки се от Младост да си пусна климатика, че ми стана топло и работеше, доволен от това че духа студено бях спокоен. Следващата седмица пак същата ситуация, пускам климатика той не работи духа топло, а от три години каране не е пипан и реших да поровя по колата и какво се случи. Всички бушони до един здрави, всички релета здрави, напреженията са наред, но шайбата на компресора не прибира и не завърта (проблем!!!). Премерих датчика за налягане на фреона (здрав!!!). И се принудих да я откарам колата на сервиз, какво откриха те: фреон има, бушоните са здрави, релетата за здрави, системата не изпуска, датчиците са здрави, напрежения има. Какво направиха те мериха тук-там към един час и установиха, че е модула за управление на климатика (бил изгорял!!!). Свалихме модула с майсторите и тай съм техник по автоматизация и платките са ми втора страст, забелязах че тази въпросна платка е като нова нито нагар, нито студени спойки, нито думнали (видимо!!!) елементи. И цялата работа в тоя модул е че той изпраща сигнал към релето да затвори връзката, за да подаде напрежение или ток към компресора. И да вметна още нещо като му подам принудително 12V на компресора на работещ автомобил шайбата на компресора прибира и климатика духа студено(работи!!!). Та Ви моля да ме посъветвате, тъй като се съмнявам в тази платка, че е счупена. Какво да правя?
Поздрави!
Ако още не си решил проблема,провери идва ли оперативно напрежение до релето от платката, щрака ли релето и чисти ли са му контактите. Не се доверявай, че модула е изгорял. И мене са ме работили за изгорял модул на ABS, а само трябваше да се рисетне системата.
Re: Проблем с климатика на Corolla E12
Публикувано на: 15 Май 2013 17:36
от mitaka_kz
... Не се доверявай, че модула е изгорял.
Joro GN е много прав.
Аз си пуснах самодиагностиката на модула управляващ климатика. Точната процедура за стартирането на тази процедура както и изчистването на грешки са описани добре в Аутодата-та. След като рестартирах модула за управление, климатика си заработи.
Ако някой иска повече информация нека да пише ще му пратя каквато документация имам;)
Успех.
Проблем с климатика на Corolla E12
Публикувано на: 27 Апр 2017 12:32
от stohi d4d
Здравейте колеги имам проблем с климатроника на копола е12 d4d не включва всеки път от сервиза за климатици казват не идва ток до компресора да ходя при електричар от там казват обратното моля помагате.
Проблем с климатика на Corolla E12
Публикувано на: 05 Юни 2017 14:32
от guapo
Здравейте, mitaka_kz, дали може да пуснеш линк към аутодата където е обяснено това, неуспях да го открия а имам точно съяия проблем с климатроника.Има си всичко, фреон, налчгане, няма изгорели бушони ... просто компресора не тръгва
Проблем с климатика на Corolla E12
Публикувано на: 03 Юли 2017 15:32
от Daco
Здравейте! При мен проблема е сходен. Има фреон, налягането е нормално уж всичко работи ама пускаш климатика, компресора тръгва ( не винаги) духа студено. В момента в който подам газ да тръгна климатика изгасва и започва да вкарва горещ въздух, когато вдигна оборотите тръгва и работи нормално даже духа доста студено. Ходех при много майстори всеки мери замерва и вдига рамене. Ако някой има идея какво може да е нека сподели моля!

Проблем с климатика на Corolla E12
Публикувано на: 19 Ное 2018 12:13
от guapo
не включвало втората перка и затова изключвал компресора ... това е последното което ми казаха, но не се занимавали с ел.вериги да си търся друг, е искаха си 80лв понеже били напълнили климатика, предния ден го проверявах пълен беше на макс ... малка поука, когато ходиш на сервиз "arvbg.com" не се връзвай на "отиди отсреща да изпиеш едно кафе"

Проблем с климатика на Corolla E12
Публикувано на: 19 Ное 2018 17:44
от Митхат
guapo написа: ↑19 Ное 2018 12:13
малка поука, когато ходиш на сервиз "arvbg.com" не се връзвай на "отиди отсреща да изпиеш едно кафе"
Дааа ама нали знаеш че при майстор не се седи защото никой не обича да му чукат колата или жената.

Проблем с климатика на Corolla E12
Публикувано на: 20 Юли 2022 21:08
от jerryyyyy
Здравейте! Намерихте ли решение на проблема? Аз имам същия проблем, колата е тойота авенсис т25 2005 година, системата няма теч, датчици здрави, панела работи (размених го с на друга тойота за проба) и компресор здрав, перките са проверени и нищо накрая-компресора не тръгва

на поне 4-5 различни диагностики минах и няма резултат всеки вдига рамене. Много ще съм благодарен ако дадете съвет къде да търся.
Проблем с климатика на Corolla E12
Публикувано на: 20 Юли 2022 23:14
от memorex
Здр.
А релето в двигателния отсек проверено ли е?
Проблем с климатика на Corolla E12
Публикувано на: 21 Юли 2022 00:12
от mapamop
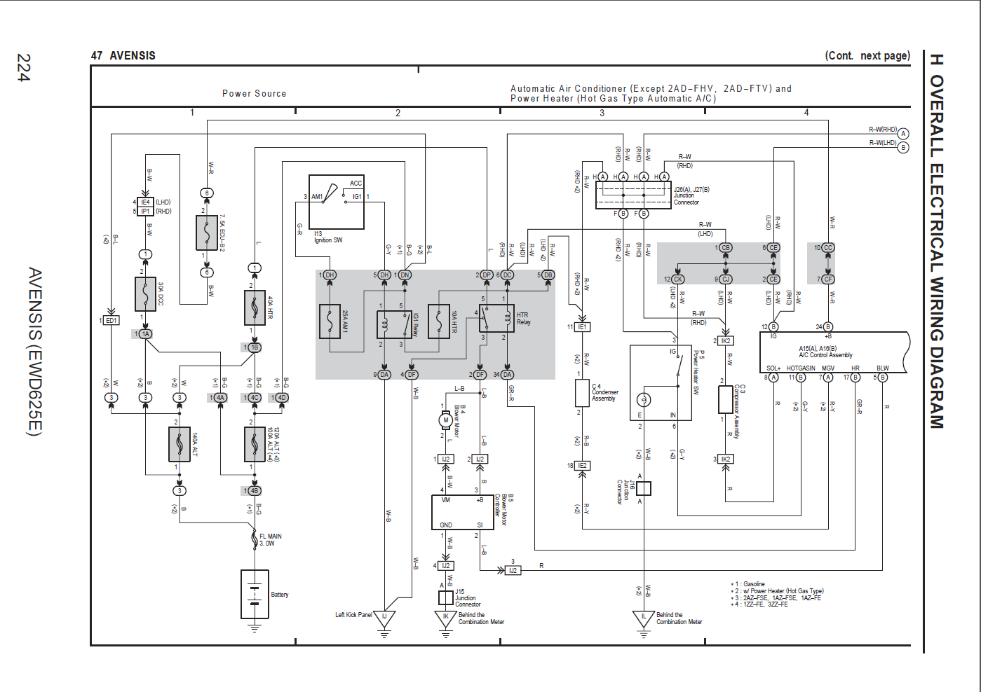
Схема от сервизното ръководство, което никой не чете (
http://toyota.aitnet.org/Toyota/Avensis ... 05.SIL.rar):

- ac1.png (188.92 KiB) Преглеждано 7569 пъти

- ac2.png (141.49 KiB) Преглеждано 7569 пъти
Проблем с климатика на Corolla E12
Публикувано на: 21 Юли 2022 00:18
от mapamop
Направете самодиагностика на климатика и запишете грешките.
Сменете предпазителя с такъв на който са му идеално чисти крачетата. От окислен предпазител изобщо не ми светваше бутона A/C и не реагираше. Свалих 750 лева от цената в моргата, като си купувах моят рак.
Релето HTR на таблото с предпазителите в купето сменено ли е? Има същото по спомен отпред на фаровете, отгоре на радиатора в таблото.