Дневни Светлини Селика т23

newboba
Мнения: 70
Регистриран на: 08 Юни 2011 23:01
Местоположение: Мало Бучино

Дневни Светлини Селика т23

Мнение от newboba » 06 Сеп 2014 12:56

Колеги, някой има ли идеята как да направя дългите светлини автоматични при запалване на двг-то. (Celica T23) Взех си стандартен модул с реле време, процент на светене и прочее, но се оказа неимоверно свързването при все че се имаше впредвид че на японците е по специфично. Правим го в гаража с един приятел който е по навътре с жиците, аз лично имам само повърхностни познания. И все пак единствено намираме като начин за връзване на късите, което мен не ме устройва. В чуждестранни форуми се споменава нещо за фабрично DRL реле, но всички искат само да го деактивират. Ние такова не намерихме и подозираме че го има само при американското изпълнение на модела. Засега единствената ни идея е да вземем такъв модул кат моя, само че минусов, щото тоя бил за плюс, от там - 2 кабела директно от фасунгите на дългите, и връзване. Види ни се много кърпене...НЯКОЙ? слагал ли е такова на дългите светлини и вобще всякакви идеи и съвети приемам!!

Аватар
sha4ev
Мнения: 191
Регистриран на: 29 Яну 2013 12:12

Re: Дневни Светлини Селика т23

Мнение от sha4ev » 07 Сеп 2014 10:49

Прегледай тази тема може да има нещо полезно.http://www.toyotabg.eu/viewtopic.php?f=2&t=21247
TOYOTA AVENSIS 1.8 129 PC

Scott
Мнения: 2710
Регистриран на: 25 Ное 2004 18:44
Местоположение: Bristol, UK
Получена  благодарност: 1 път

Re: Дневни Светлини Селика т23

Мнение от Scott » 07 Сеп 2014 11:32

newboba написа:...единствената ни идея е да вземем такъв модул кат моя, само че минусов, щото тоя бил за плюс, от там - 2 кабела директно от фасунгите на дългите, и връзване....
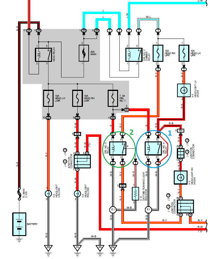
Няма нужда, и с 'плюсов' модул става. Трябва да се върже на мястото на реле 2, виж схемата. За автомобилите без DRL реле 1 и 2 липсват и на тяхно място има мост между крачета 3 и 5.
Ако искаш да пресъздадеш цялата схема, може да се направи като на американските автомобили, трябва да сложиш реле с превключващ контакт на мястото на 1, резистора и реле 2.
Прикачени файлове
DRL.png
DRL.png (79.5 KiB) Преглеждано 1113 пъти

Публикувай отговор

Кой е на линия

Потребители разглеждащи този форум: 0 регистрирани и 4 госта