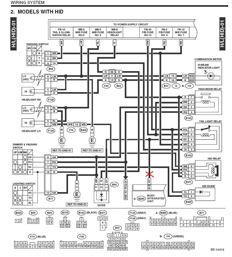
eto shemata na svetlinite i koia jica triabva da se otreje
No DTR Lights na 07 STi
No DTR Lights na 07 STi
poneje znam che KANU iska da si izkluchi dnevnite svetlini, reshih da pusna taz tema tuk che da vidi kak. az veche go napravih na moita
eto shemata na svetlinite i koia jica triabva da se otreje
eto shemata na svetlinite i koia jica triabva da se otreje
- Прикачени файлове
-
- dtr1.jpg (138.12 KiB) Преглеждано 3780 пъти
->
ta kat si zevresh glavata pod tabloto pri pedalite, Integrated Unit-a e tochno na gore, v nego vlizat dva konektora, sin i siv. triabva da se otreje zelena jijca s jalta linia. az vmesto da ia reja uspiah da ia izvadia ot konektora, no si beshe baia borba
- Прикачени файлове
-
- dtr2.JPG (248.12 KiB) Преглеждано 3779 пъти
->
- TheOrcrist
- Мнения: 129
- Регистриран на: 19 Сеп 2006 05:53
- Japanese_fever
- Мнения: 9475
- Регистриран на: 02 Мар 2005 05:48
- Местоположение: Touge, Japan
- Автомобил: 2014 Toyota Zelas
- Получена благодарност: 1 път
- Japanese_fever
- Мнения: 9475
- Регистриран на: 02 Мар 2005 05:48
- Местоположение: Touge, Japan
- Автомобил: 2014 Toyota Zelas
- Получена благодарност: 1 път
Za teb e tupo, ama tezi deto sa go izmislili hi4 ne sa tupi! laugh.gifALTEZZA написа:tochno taka, skasiavat jivota na krushkite. tapoto e che na tazi kola sa go napravili DTR lights da sa ti HID krushkite, pak edna struva nad $300
2014 Toyota Zelas, 2.5L VVT-i (2AR-FE), 6-speed
България ще се оправи тогава, когато всички, които са свалили катализаторите си - ги сложат обратно!
България ще се оправи тогава, когато всички, които са свалили катализаторите си - ги сложат обратно!
da be, golemi umnici sa. ot kav zor HID krushkite triabva da svetiat postoianno? za vecherta go razbiram, davat dosta po dobra vidimost, no za prez denia sa napalno izlichni.Japanese_fever написа:Za teb e tupo, ama tezi deto sa go izmislili hi4 ne sa tupi! laugh.gif
na Lexus-a go biaha izmislili umno, za DTR lights izpolzvaha krushkite na dalgite svetlini, no minavaha prez rezistor za da sa dosta po-bledi, pak kat si slojish normalnite svetlini togava si se vkluchvaha HID-tata.
->
- Japanese_fever
- Мнения: 9475
- Регистриран на: 02 Мар 2005 05:48
- Местоположение: Touge, Japan
- Автомобил: 2014 Toyota Zelas
- Получена благодарност: 1 път
Ei ot takuv zor sa gi izmislili - $$$(nali sam kaza $300 ednataALTEZZA написа: da be, golemi umnici sa. ot kav zor HID krushkite triabva da svetiat postoianno? za vecherta go razbiram, davat dosta po dobra vidimost, no za prez denia sa napalno izlichni.
Zna4i sa umni.
E, kude sravnqva6 Subaru s Lexus?ALTEZZA написа:na Lexus-a go biaha izmislili umno, za DTR lights izpolzvaha krushkite na dalgite svetlini, no minavaha prez rezistor za da sa dosta po-bledi, pak kat si slojish normalnite svetlini togava si se vkluchvaha HID-tata.
Zna4i dulgite na Lexus-a ne sa HID, taka li?
I kakva e razlikata mejdu halogen i HID?
2014 Toyota Zelas, 2.5L VVT-i (2AR-FE), 6-speed
България ще се оправи тогава, когато всички, които са свалили катализаторите си - ги сложат обратно!
България ще се оправи тогава, когато всички, които са свалили катализаторите си - ги сложат обратно!
- Japanese_fever
- Мнения: 9475
- Регистриран на: 02 Мар 2005 05:48
- Местоположение: Touge, Japan
- Автомобил: 2014 Toyota Zelas
- Получена благодарност: 1 път
Tova go kaji na V35GTR, za6toto toi obiknoveno mi obqsnqva!ugabuga написа:Japanes, ima google za takiva neshta. Procheti ima na 1000 mesta obiasneno kvo e HID.
2014 Toyota Zelas, 2.5L VVT-i (2AR-FE), 6-speed
България ще се оправи тогава, когато всички, които са свалили катализаторите си - ги сложат обратно!
България ще се оправи тогава, когато всички, които са свалили катализаторите си - ги сложат обратно!
Кой е на линия
Потребители разглеждащи този форум: 0 регистрирани и 3 госта
