Монтаж на климатроник и фарове за мъгла - Avensis T25 Terra
Монтаж на климатроник и фарове за мъгла - Avensis T25 Terra
Здравейте, карам Avensis 2006 година, 1,6 базов модел.
Скоро видях, че имам инсталацията (букси) за фарове за мъгла и намерих лостче от кола с такива, но колата е 2003 година.
Някой правил ли е това упражнение и знае ли дали става само с добавяне на лостче и фарове или трябва и да се кодира нещо?
Относно климатика, аз съм с 3-те врътки т.е. климатик, мога ли да поставя управление от климатроник и съответно да заработи като климатроник и съответно освен управлението какво друго трябва да се смени?
Ще се радвам ако някой колега е правил тези промени, да сподели.
Благодаря предварително.
Скоро видях, че имам инсталацията (букси) за фарове за мъгла и намерих лостче от кола с такива, но колата е 2003 година.
Някой правил ли е това упражнение и знае ли дали става само с добавяне на лостче и фарове или трябва и да се кодира нещо?
Относно климатика, аз съм с 3-те врътки т.е. климатик, мога ли да поставя управление от климатроник и съответно да заработи като климатроник и съответно освен управлението какво друго трябва да се смени?
Ще се радвам ако някой колега е правил тези промени, да сподели.
Благодаря предварително.
Последно промяна от Akima на 04 Дек 2015 23:29, променено общо 1 път.
Причина: Променено заглавие.Моля прочетете правилата и важните теми.Добре дошъл.
Причина: Променено заглавие.Моля прочетете правилата и важните теми.Добре дошъл.
- iovkito
- Мнения: 3044
- Регистриран на: 24 Авг 2008 22:05
- Местоположение: Добрич
- Благодарил/а: 18 пъти
- Получена благодарност: 123 пъти
Re: Въпрос за халогени и климатично управление
По първия въпрос - вариантите са два. Единият е да сложиш оригинален комплект за вграждане , който включва халогени , пластмасовите рамки около халогените , бутон за включване , инсталация , реле и бушон. Другият вариант е да смениш лостчето с такова от авенсис с халогени , да добавиш реле и бушон и да сложиш фаровете отпред . И при двата варианта ще светнат , заедно с индикацията на таблото - както и трябва да бъде. По втория въпрос - не става , по-добре не се мъчи. Ако искаш разгледай тази тема - http://toyotabg.eu/viewtopic.php?f=29& ... B5#p130351 , на времето дискутирахме въпроса , когато реших да слагам на моята кола.
Toyota Avensis T25 2.0 D4D 2007
Toyota RAV4 XA40 2.2 D4D 2014
Toyota RAV4 XA40 2.2 D4D 2014
- Akima
- Мнения: 7579
- Регистриран на: 09 Юни 2009 17:28
- Местоположение: Варна
- Автомобил: Altezza
- Благодарил/а: 141 пъти
- Получена благодарност: 244 пъти
Re: Въпрос за халогени и климатично управление
Аз да попитам за какво говорите?
Да не би за фарове за мъгла?
Да не би за фарове за мъгла?
Re: Въпрос за халогени и климатично управление
Благодаря ти много колега! Инсталацията я има, следва да си набавя халогените и пластмасовите рамки около тях, реле и бушон (като първо ще проверя дали и те не са налични в колата, щом е излязла с инсталацията за халогени от завода). За управлението ще прочета темата, опитах с търсачката, но за съжаление не можах да я намери преди да пусна моята темаiovkito написа:По първия въпрос - вариантите са два. Единият е да сложиш оригинален комплект за вграждане , който включва халогени , пластмасовите рамки около халогените , бутон за включване , инсталация , реле и бушон. Другият вариант е да смениш лостчето с такова от авенсис с халогени , да добавиш реле и бушон и да сложиш фаровете отпред . И при двата варианта ще светнат , заедно с индикацията на таблото - както и трябва да бъде. По втория въпрос - не става , по-добре не се мъчи. Ако искаш разгледай тази тема - http://toyotabg.eu/viewtopic.php?f=29& ... B5#p130351 , на времето дискутирахме въпроса , когато реших да слагам на моята кола.
Да, за тях говорим.Akima написа:Аз да попитам за какво говорите?
Да не би за фарове за мъгла?
-
astral_projection
- Мнения: 24
- Регистриран на: 31 Мар 2013 13:46
- Местоположение: гр. Русе
Re: Монтаж на климатроник и фарове за мъгла - Avensis T25 Te
Здрасти, аз имах сблъсък със същата дилема за моята кола (Toyota Corolla Verso 2003 пак с ниво на оборудване Terra) и това което ми трябваше беше: самите халогени, съответно крушки за тях, ключа за фаровете и реле. Бушон не съм слагал, предполагам са вързани заедно със задния фар, а за него си има бушон.
Успех
Успех
2003 Toyota Corolla Verso LHD 2.0 D-4D 90HP
Re: Монтаж на климатроник и фарове за мъгла - Avensis T25 Te
Благодаря! За момента все още търся фаровете за мъгла и декоративните пластмаси около тях. Мислех си, че задачата няма да е толкова трудна, но на всички обяви за автомобили на части които съм звъннал са продадени. Продължавам с търсенето и когато има напредък ще пиша пак.astral_projection написа:Здрасти, аз имах сблъсък със същата дилема за моята кола (Toyota Corolla Verso 2003 пак с ниво на оборудване Terra) и това което ми трябваше беше: самите халогени, съответно крушки за тях, ключа за фаровете и реле. Бушон не съм слагал, предполагам са вързани заедно със задния фар, а за него си има бушон.
Успех
-
sharinov_vasil
- Мнения: 8
- Регистриран на: 13 Юли 2019 14:04
- Местоположение: Харманли
- Автомобил: Авенсис 2.0d4d
Монтаж на климатроник и фарове за мъгла - Avensis T25 Terra
Здравейте, колвги нов съм във форума и от три дена собственик на авенсис 2006г. 2.0д4д. При покупката никой не обърна внимание че халогените не светят. Та искам да помоля някой са ми подскаже за мястото на бушоните и на яъпросното реле, както и начин как да го проверя дали работи. Благодаря
- Freedom
- Мнения: 412
- Регистриран на: 22 Яну 2010 11:04
- Местоположение: Бургас
- Благодарил/а: 13 пъти
- Получена благодарност: 16 пъти
Монтаж на климатроник и фарове за мъгла - Avensis T25 Terra
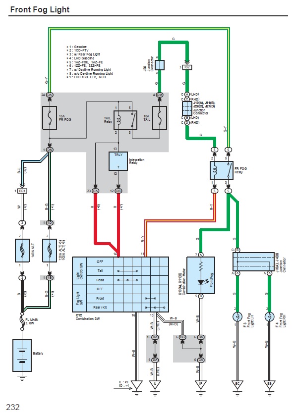
Като начало провери дали предпазителя FR FOG 15А е здрав. намира се над краката на шофьора. Ето схема:
Не казваш задната светлина за мъгла дали свети.
-
sharinov_vasil
- Мнения: 8
- Регистриран на: 13 Юли 2019 14:04
- Местоположение: Харманли
- Автомобил: Авенсис 2.0d4d
Монтаж на климатроник и фарове за мъгла - Avensis T25 Terra
имам подобен въпрос интересувам се някой да е слагал такива фарове
защото си закупих такива но не съм ги сложил още ?
заместител на оригиналните водят се универсални, разбрах, че има възможност да се постави допълнително и реле към монтажа отделно за външния пръстен, има ли нещо особено, освен това при мен в случая на оригиналните халогени им липсват металните стойки...
защото си закупих такива но не съм ги сложил още ?
заместител на оригиналните водят се универсални, разбрах, че има възможност да се постави допълнително и реле към монтажа отделно за външния пръстен, има ли нещо особено, освен това при мен в случая на оригиналните халогени им липсват металните стойки...
Кой е на линия
Потребители разглеждащи този форум: 0 регистрирани и 2 госта
