Auris E15 1.4 D4D 2008 - няма връзка с ECU - не пали ?
-
valivasilev
- Мнения: 15
- Регистриран на: 01 Юли 2013 15:10
Auris E15 1.4 D4D 2008 - няма връзка с ECU - не пали ?
Здравейте.
При завъртане на контактния ключ на Auris E15 1.4 D4D 2008 в положение контакт се включва перката на вентилатора, а на таблото не ми светва лампата CHECK и при това положение двигателят не пали.
Дисплея пише с текст всичко че не работи.
ИСТИНАТА Е ЧЕ НЕ ПРАВИ ВРЪЗКА С КОМПЮТЪРА. Къде е причината?
Ако някой може да ПОМОГНЕ.БЛАГОДАРЯ.
Не е ключа.
Не е предпазител.
Може би е реле или масата (-) минус се губи.
При завъртане на контактния ключ на Auris E15 1.4 D4D 2008 в положение контакт се включва перката на вентилатора, а на таблото не ми светва лампата CHECK и при това положение двигателят не пали.
Дисплея пише с текст всичко че не работи.
ИСТИНАТА Е ЧЕ НЕ ПРАВИ ВРЪЗКА С КОМПЮТЪРА. Къде е причината?
Ако някой може да ПОМОГНЕ.БЛАГОДАРЯ.
Не е ключа.
Не е предпазител.
Може би е реле или масата (-) минус се губи.
Последно промяна от Akima на 20 Дек 2015 17:33, променено общо 2 пъти.
Причина: Променено заглавие.Моля прочетете правилата и важните теми.
Причина: Променено заглавие.Моля прочетете правилата и важните теми.
- Yuli
- Мнения: 193
- Регистриран на: 08 Яну 2009 10:51
- Местоположение: Sofia
- Получена благодарност: 2 пъти
Re: Повреда в ел. система.
Tака се държи колата когато релето EFI MAIN не е затворило или накой от предпазителите EFI MAIN или EFI NO.1 е изгорял. Т.е. на +B1 и +B няма захранване.
- Прикачени файлове
-
- BAT.jpg (65.14 KiB) Преглеждано 2909 пъти
- v_shopov
- Мнения: 105
- Регистриран на: 29 Май 2013 16:31
- Местоположение: София
- Благодарил/а: 1 път
- Получена благодарност: 2 пъти
Re: Повреда в ел. система.
При мене имаше подобен проблем. Оказа се, че някакъв кабел дава на късо, но не съм запознат с подробностите. Като закарах колата в сервиза и включиха диагностиката, първоначално изобщо не я откриваше.
Toyota Corolla 1.6 VVTI, 91 kW, 2008
-
valivasilev
- Мнения: 15
- Регистриран на: 01 Юли 2013 15:10
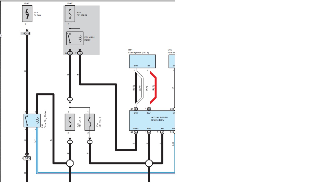
Re: Повреда в ел. система. Има и СХЕМА
При завъртане на контактния ключ на TOYOTA AURIS 1.4 D4D 2008г. в положение контакт се включва перката на вентилатора, а на таблото не ми светва лампата CHECK и при това положение двигателя не пали. Дисплея пише с текст всичко че не работи. ИСТИНАТА Е ЧЕ НЕ ПРАВИ ВРЪЗКА С КОМПЮТЪРА. Къде е причината. Ако някой може да ПОМОГНЕ. БЛАГОДАРЯ. Не е ключа. Не е предпазител. Може би е реле или масата (-) минус се губи.[/quote]
- Прикачени файлове
-
- ел схема тойота аурис 1.4 Д4Д
- 2.png (142.64 KiB) Преглеждано 2857 пъти
- TATI
- Мнения: 3144
- Регистриран на: 02 Авг 2005 11:54
- Местоположение: София
- Благодарил/а: 27 пъти
- Получена благодарност: 220 пъти
- Обратна връзка:
Re: Повреда в ел. система.
Колега,
Не е нужно да се пускат нови теми, при положение, че вече има пусната такава!
Ако искате да си разрешите проблема, посетете някой който разбира и знае какво да направи!
Успех.
Не е нужно да се пускат нови теми, при положение, че вече има пусната такава!
Ако искате да си разрешите проблема, посетете някой който разбира и знае какво да направи!
Успех.
Прочетете правилата на форума!
Hi-Ace 1979, 2.2 D, manual
Corolla Sedan 1998, 1.6i, automatic Terra
Avensis Wagon 2005, 2.0, D-4D, manual Sol
Kia Cee'd 2007, 1.6 CVVT EX, automatic
Hi-Ace 1979, 2.2 D, manual
Corolla Sedan 1998, 1.6i, automatic Terra
Avensis Wagon 2005, 2.0, D-4D, manual Sol
Kia Cee'd 2007, 1.6 CVVT EX, automatic
-
valivasilev
- Мнения: 15
- Регистриран на: 01 Юли 2013 15:10
Re: Auris E15 1.4 D4D 2008 - няма връзка с ECU - не пали ?
Здравейте.
При завъртане на контактния ключ на Auris E15 1.4 D4D 2008 в положение контакт се включва перката на вентилатора, а на таблото не ми светва лампата CHECK и при това положение двигателят не пали.
Дисплея пише с текст всичко че не работи.
ИСТИНАТА Е ЧЕ НЕ ПРАВИ ВРЪЗКА С КОМПЮТЪРА. Къде е причината?
Ако някой може да ПОМОГНЕ.БЛАГОДАРЯ.
Не е ключа.
Не е предпазител.
Може би е РЕЛЕ, което се влияе от ВЪНШНАТА ТЕМПЕРАТУРА. При минус пали от раз. Загрее ли пали на магия.
При завъртане на контактния ключ на Auris E15 1.4 D4D 2008 в положение контакт се включва перката на вентилатора, а на таблото не ми светва лампата CHECK и при това положение двигателят не пали.
Дисплея пише с текст всичко че не работи.
ИСТИНАТА Е ЧЕ НЕ ПРАВИ ВРЪЗКА С КОМПЮТЪРА. Къде е причината?
Ако някой може да ПОМОГНЕ.БЛАГОДАРЯ.
Не е ключа.
Не е предпазител.
Може би е РЕЛЕ, което се влияе от ВЪНШНАТА ТЕМПЕРАТУРА. При минус пали от раз. Загрее ли пали на магия.
- Akima
- Мнения: 7579
- Регистриран на: 09 Юни 2009 17:28
- Местоположение: Варна
- Автомобил: Altezza
- Благодарил/а: 141 пъти
- Получена благодарност: 244 пъти
Re: Auris E15 1.4 D4D 2008 - няма връзка с ECU - не пали ?
Имало ли е намеса върху компютъра ... софтуерна/хардуерна ?
http://www.fapremove.com
Програмиране на TPMS сензори.
Качествен чип тунинг. Премахване на FAP / DPF OFF, Adblue / SCR OFF, EGR / AGR OFF, Flaps OFF., O2 / Lambda OFF, DTC OFF и др.
! 5 години гаранция на софтуерните услуги !
Програмиране на TPMS сензори.
Качествен чип тунинг. Премахване на FAP / DPF OFF, Adblue / SCR OFF, EGR / AGR OFF, Flaps OFF., O2 / Lambda OFF, DTC OFF и др.
! 5 години гаранция на софтуерните услуги !
-
valivasilev
- Мнения: 15
- Регистриран на: 01 Юли 2013 15:10
Re: Auris E15 1.4 D4D 2008 - няма връзка с ECU - не пали ?
Не записва грешка. Явно е реле EFI което е скрито. Мисля, че контактната пластина е деформирала като биметалните и не контактува.Akima написа:Каква грешка е записана?
Кой е на линия
Потребители разглеждащи този форум: 0 регистрирани и 4 госта


