Привет!
Автомобилът ми е Toyota Avensis 2006 sedan. Задните светлини и на двата фара не работят. Задните мигачи и светлините на спирачките работят нормално. Проверих предпазителя, който отговаря за задните светлини - не изглеждаше изгорял, само с малко нагар по краищата, затова за всеки случай го смених, но това не даде резултат.
Искам да попитам дали има някакво реле, което трябва да погледна или да търся прекъсване в окабеляването. Самите крушки на фаровете огледах бегло, не ми се вярваше да са изгоряли едновременно и на двата фара.
Благодаря предварително.
Неработещи задни светлини
- Freedom
- Мнения: 412
- Регистриран на: 22 Яну 2010 11:04
- Местоположение: Бургас
- Благодарил/а: 13 пъти
- Получена благодарност: 16 пъти
Неработещи задни светлини
Здравей колега,
Предполагам, че под задни светлини имаш предвид габаритите.
Осветлението на номера работи ли?
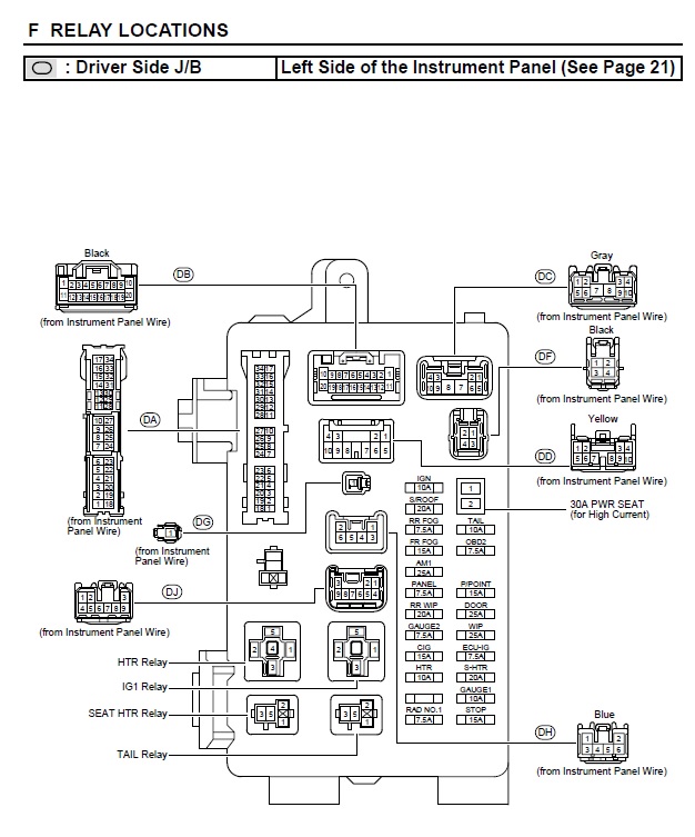
Ако не работи и си сигурен, че предпазителят Tail 10A е здрав, то проблемът вероятно е в релето Tail. Виж при включени габарити дали идва + до предпазителя Tail.
Ако осветлението на номера работи, то са ти изгорели крушките.
Успех!
Предполагам, че под задни светлини имаш предвид габаритите.
Осветлението на номера работи ли?
Ако не работи и си сигурен, че предпазителят Tail 10A е здрав, то проблемът вероятно е в релето Tail. Виж при включени габарити дали идва + до предпазителя Tail.
Ако осветлението на номера работи, то са ти изгорели крушките.
Успех!
Неработещи задни светлини
Изглежда съм подминал най-очевидното.
Да, имах пред вид габаритите и тъй като светлините на номера работят, проверих крушките.
Три на единия фар, три на другия и една за заден ход са изгорели.
Утре ще ги сменя и ще следя как се държат, надявам се да нямам някакъв проблем, който е накарал толкова много крушки да изгорят наведнъж.
Благодаря, че ме насочи в правилната посока!
Да, имах пред вид габаритите и тъй като светлините на номера работят, проверих крушките.
Три на единия фар, три на другия и една за заден ход са изгорели.
Утре ще ги сменя и ще следя как се държат, надявам се да нямам някакъв проблем, който е накарал толкова много крушки да изгорят наведнъж.
Благодаря, че ме насочи в правилната посока!
- Freedom
- Мнения: 412
- Регистриран на: 22 Яну 2010 11:04
- Местоположение: Бургас
- Благодарил/а: 13 пъти
- Получена благодарност: 16 пъти
Неработещи задни светлини
Наистина, много крушки наведнъж. Можеш да провериш напрежението при работещ на средни и високи обороти двигател, да не е заминал регулатора.
Успех!
Успех!
Кой е на линия
Потребители разглеждащи този форум: 0 регистрирани и 2 госта