Avensis T25 2.0 1CD-FTV D4D 116HP 2004 - педалът на спирачката активира лампата за ръчната ?
-
IvanNeshev
- Мнения: 11
- Регистриран на: 12 Сеп 2014 21:38
- Местоположение: София
Avensis T25 2.0 1CD-FTV D4D 116HP 2004 - педалът на спирачката активира лампата за ръчната ?
Здравейте,
наскоро забелязах, че ако започна да помпам педала на спирачката постоянно, след 3тия или 4тия път педала започва да става по-твърд и да съска леко (все едно влиза въздух през него) и след 10тина помпения се активира лампата за ръчната на таблото. Като спра да помпам всичко се нормализира. При нормално шофиране нямам никакъв проблем и за това се чудя дали това е проблем или е нормално състояние? Нивото на течността за спирачките е на максимума (беше на минимума и долях за да не от това).
Колата е Д4Д 2.0 116 коня 2004та.
Иван
наскоро забелязах, че ако започна да помпам педала на спирачката постоянно, след 3тия или 4тия път педала започва да става по-твърд и да съска леко (все едно влиза въздух през него) и след 10тина помпения се активира лампата за ръчната на таблото. Като спра да помпам всичко се нормализира. При нормално шофиране нямам никакъв проблем и за това се чудя дали това е проблем или е нормално състояние? Нивото на течността за спирачките е на максимума (беше на минимума и долях за да не от това).
Колата е Д4Д 2.0 116 коня 2004та.
Иван
Последно промяна от Akima на 03 Фев 2017 04:09, променено общо 1 път.
Причина: Променено заглавие.Моля прочетете правилата и важните теми.Добре дошъл.
Причина: Променено заглавие.Моля прочетете правилата и важните теми.Добре дошъл.
- Freedom
- Мнения: 412
- Регистриран на: 22 Яну 2010 11:04
- Местоположение: Бургас
- Благодарил/а: 13 пъти
- Получена благодарност: 16 пъти
Avensis T25 D4D 116, педала за спирачката активира лампата за ръчната
Здравей колега,
Лампата освен при задействана ръчна спирачка светва и при ниско ниво на спирачната течност.
Накарай някой да помпи докато светне лампата и виж какво става с нивото.
Успех!
Лампата освен при задействана ръчна спирачка светва и при ниско ниво на спирачната течност.
Накарай някой да помпи докато светне лампата и виж какво става с нивото.
Успех!
- Toyota Fan Forever
- Мнения: 152
- Регистриран на: 19 Яну 2017 10:16
- Местоположение: Sofia
Avensis T25 D4D 116, педала за спирачката активира лампата за ръчната
Според мен нивото на спирачната течност е близко до минимума, след интензивно напомпване цилиндрите обират хлабината, течността се измества към тях и задейства датчика за ниво, още повече в тези студове всичко се свива и е достатъчно ако нивото е близко до минимума лампата да светне. Добавете малко течност като разбира се следите за последващо спадане, което вече е ОПАСНО (когато обаче сменяте накладки това добавено количество следва да се изпомпи за да не се олее коша при събиране на цилиндрите)! Мислете и за бъдеща смяна на накладки най-вероятно предни.
Преместването на единица товар на единица разстояние е работа. Работата извършена за единица време е мощност. Всяка система обаче след Големия взрив се стреми към покой.
-
IvanNeshev
- Мнения: 11
- Регистриран на: 12 Сеп 2014 21:38
- Местоположение: София
Avensis T25 D4D 116, педала за спирачката активира лампата за ръчната
Колеги, за това последното ми изречение е " Нивото на течността за спирачките е на максимума (беше на минимума и долях за да не от това). " ;-) Звъннах днес в Тойота, и казаха, че е абсолютно нормално това и че го правят всички авенсиси (дизели) от тази генерация. Не им стига вакуума при ниски обороти и за това светва лампата. Аз се усъмних, тъй като в сервизната книжка пише, че ако светне (лампата) само за малко и се изгасне сама това не индикира проблем и не трябва да се ходи в сервиз :-)
Иван
Иван
-
мехаННика
- Мнения: 1718
- Регистриран на: 28 Юли 2008 11:17
- Местоположение: София
- Получена благодарност: 53 пъти
Avensis T25 D4D 116, педала за спирачката активира лампата за ръчната
Всъщност вакуума е достатъчен за нуждите за които е изчислен, защо правите това с колите си? Кой натиска спирачките така при нормална експлоатация? Сега извади течността която си долял, защото като смениш накладки и ще прелее. И вследствие ще се обели боята на така обгрижваната ти кола, там където е попаднала.
-
Iliyа Damyanov
- Мнения: 384
- Регистриран на: 05 Апр 2016 15:10
- Местоположение: Мюнхен
Avensis T25 D4D 116, педала за спирачката активира лампата за ръчната
Аз спирачна течност по принцип не доливам. Ниско ниво на течноста означава , че накладките ми са за смяна. Дори и да имат още някакъв материал то той се е опекъл и смяната е оправдана. Стилът ми на каране е спокоен и чифт накладки ме изкарват две години без проблем. Със смяна на накладките сменям и спирачната течност. В тоя смисъл ако си станал за накладки не си играй да вадиш долятата течност ами направо я смени.
ПС. Внимавай да не сложиш DOT5 , че тогава темата ще стане 20 страници.
-
IvanNeshev
- Мнения: 11
- Регистриран на: 12 Сеп 2014 21:38
- Местоположение: София
Avensis T25 D4D 116, педала за спирачката активира лампата за ръчната
Всъщност това е отличен въпрос ;) Както си карах и ми светнаха чек енджин, SVC и Traction Off. Понеже карах в едни коловози и си помислих, че може да съм ударил колата отдолу и нещо да е станало и реших да видя спирачките как са - натиснах педала няколко пъти за тест и видях, че светна лампата за ръчната.. та така, иначе реално никога не бих разбрал за това й поведение ако не беше другия проблеммехаННика написа:Всъщност вакуума е достатъчен за нуждите за които е изчислен, защо правите това с колите си? Кой натиска спирачките така при нормална експлоатация? Сега извади течността която си долял, защото като смениш накладки и ще прелее. И вследствие ще се обели боята на така обгрижваната ти кола, там където е попаднала.
Нешев
- spiridoncho
- Мнения: 335
- Регистриран на: 16 Юли 2016 12:07
- Местоположение: София
Avensis T25 D4D 116, педала за спирачката активира лампата за ръчната
Колега, послушай @Iliyа Damyanov. Ако си за смяна на накладки и ти е стара течността смени и нея (а тя със сигурност ще е стара ако не си я сменял превантивно). Не се оскъпява кой знае колко процедурата, но си връзваш гащите от всякъде. При интензивно спиране в големи жеги обикновенно стават белите, без да споменавам корозията в спирачната система.
- Toyota Fan Forever
- Мнения: 152
- Регистриран на: 19 Яну 2017 10:16
- Местоположение: Sofia
Avensis T25 D4D 116, педала за спирачката активира лампата за ръчната
Това с лампите го обичам!
Проверете дали всички 3 крушки на стоп светлините работят и то дали винаги (и в движвние, което е по трудно
). Има система за самодиагностика на стоп свтлините, която пали останалите лампи и те принуждава под стрес да отидеш в сервиз и да ти вземат 20-30лв. за смяна на крушка.
Проверете дали всички 3 крушки на стоп светлините работят и то дали винаги (и в движвние, което е по трудно
Преместването на единица товар на единица разстояние е работа. Работата извършена за единица време е мощност. Всяка система обаче след Големия взрив се стреми към покой.
- Freedom
- Мнения: 412
- Регистриран на: 22 Яну 2010 11:04
- Местоположение: Бургас
- Благодарил/а: 13 пъти
- Получена благодарност: 16 пъти
Avensis T25 D4D 116, педала за спирачката активира лампата за ръчната
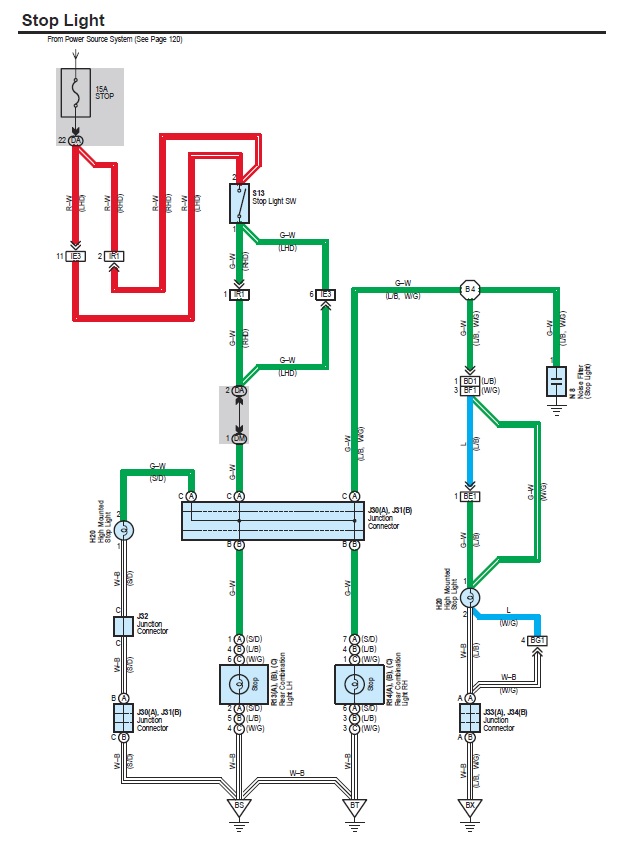
Имал съм изгорели крушки на стоповете, но не ми е светвала индикация. Къде става самодиагностиката, че не виждам подобно нещо на схемата?
-
IvanNeshev
- Мнения: 11
- Регистриран на: 12 Сеп 2014 21:38
- Местоположение: София
Avensis T25 D4D 116, педала за спирачката активира лампата за ръчната
Този проблем го отстранихме - беше стоп машинката - смених я с нова и всичко се оправи! ;-)Toyota Fan Forever написа:Това с лампите го обичам!.
Нешев
Последно промяна от Akima на 03 Фев 2017 04:06, променено общо 1 път.
Причина: Съкратен цитат.
Причина: Съкратен цитат.
- Toyota Fan Forever
- Мнения: 152
- Регистриран на: 19 Яну 2017 10:16
- Местоположение: Sofia
Avensis T25 2.0 1CD-FTV D4D 116HP 2004 - педалът на спирачката активира лампата за ръчната ?
CAN Bus
C1249 (реагира и на изгорели крушки на стоп светлините, третирайки веригата като отворена при определени условия на ползване)
Последно промяна от Akima на 03 Фев 2017 04:10, променено общо 2 пъти.
Причина: Слети мнения.Моля прочетете правилата и важните теми.
Причина: Слети мнения.Моля прочетете правилата и важните теми.
Преместването на единица товар на единица разстояние е работа. Работата извършена за единица време е мощност. Всяка система обаче след Големия взрив се стреми към покой.
Кой е на линия
Потребители разглеждащи този форум: 0 регистрирани и 6 госта

