Здравейте колеги,
Тъй като не можах да намеря тема по моя проблем пущам нова.
Имам следния проблем колата е закупена преди 4дни, след влизане в сервиза за обслужване-масло, филтри антифриз, решихме да я загреем да видим дали сработва перката за охлаждане. Така стигнахме до температура според диагностиката 105 градуса, но перката не се включи. Решихме да сменим датчика но и след тази смяна ефект никакъв. Съмненията са,че до компютъра не отива сигнала от термодатчика или има проблем със компютъра. При изваден датчик и закачена букса съответно следена на температурата на диагностиката при нагряване на датчика с пистолет за горещ въздух, диагностиката отчита температурата, при 99 градуса на таблото започва да мига червената лампичка за висока температура на двигателя. Може ли някои да помогне със идея от какво може да е проблема.
Благодаря предварително!
Toyota Yaris 1.0 16v 68 k.c. 2001г. не се включва перката за охлаждане
-
tora
- Мнения: 1038
- Регистриран на: 22 Яну 2016 11:37
- Местоположение: Ст. Загора
- Благодарил/а: 8 пъти
- Получена благодарност: 12 пъти
Toyota Yaris 1.0 16v 68 k.c. 2001г. не се включва перката за охлаждане
А перката с външно нагряване тръгна ли?
Toyota Yaris 1.0 16v 68 k.c. 2001г. не се включва перката за охлаждане
Не не тръгва и с външно нагряване.
Дори пробвах следния вариант: прекъснах третата жичка на буксата на термодатчика със идеята да подам сигнала директно към релето, но тогава перката тръгва веднага щом запаля колата. Не мога да разбера принципа на този термодатчик, при запален двигател замерван на изхода на въпросната жичка(третата) напрежението и е 1,4-1,6 волта. Не знам да ли е правилно замерването, ако някои може да помогне.
Дори пробвах следния вариант: прекъснах третата жичка на буксата на термодатчика със идеята да подам сигнала директно към релето, но тогава перката тръгва веднага щом запаля колата. Не мога да разбера принципа на този термодатчик, при запален двигател замерван на изхода на въпросната жичка(третата) напрежението и е 1,4-1,6 волта. Не знам да ли е правилно замерването, ако някои може да помогне.
- Toyo_driver
- Мнения: 220
- Регистриран на: 19 Ное 2011 10:21
- Местоположение: Русе
Toyota Yaris 1.0 16v 68 k.c. 2001г. не се включва перката за охлаждане
Здравей колега!
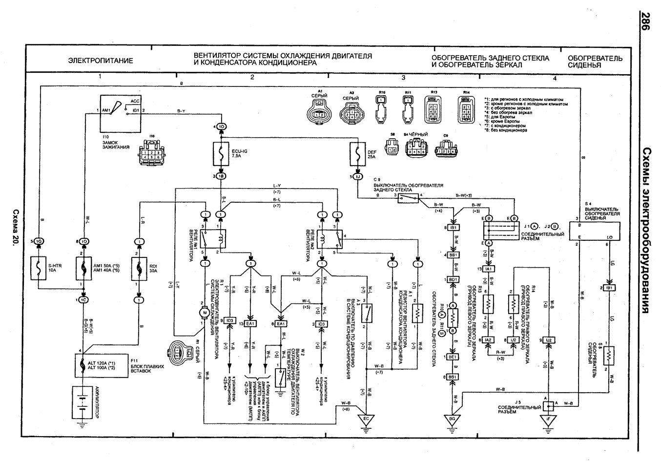
Решихте ли проблема с перката? Прилагам една схема на системата за охлаждане на колата, за да може да се ориентирате...ако си 100% сигурен в новия включвател на перката, може причината да е в едното от релетата.
.... през реле 1 включва по температура...реле 2 включва при климатик
Решихте ли проблема с перката? Прилагам една схема на системата за охлаждане на колата, за да може да се ориентирате...ако си 100% сигурен в новия включвател на перката, може причината да е в едното от релетата.
- Прикачени файлове
-
- untitled.png (157.5 KiB) Преглеждано 1370 пъти
Кой е на линия
Потребители разглеждащи този форум: 0 регистрирани и 2 госта