Изгорял модул за cruise control
Изгорял модул за cruise control
Здравейте,
Собственик съм на Авенсис т25 2.2 дизел 150к.с. Имах мишки в гаража и ми наядоха кабели по ел. инсталацията. Което доведе до повреда в модула за КК на компютъра. Това е констатация на Тойота Тиксим в Пазарджик. След обстойна проверка на кабелите.
Дайте инфо и съвети за евентуална поправка.
Собственик съм на Авенсис т25 2.2 дизел 150к.с. Имах мишки в гаража и ми наядоха кабели по ел. инсталацията. Което доведе до повреда в модула за КК на компютъра. Това е констатация на Тойота Тиксим в Пазарджик. След обстойна проверка на кабелите.
Дайте инфо и съвети за евентуална поправка.
Avensis T25 2.2 diesel year 2008
- slowtraveler
- Мнения: 7086
- Регистриран на: 28 Май 2006 21:44
- Местоположение: Варна
- Автомобил: Nissan Qashqai 2008/2.0/AWD
- Благодарил/а: 444 пъти
- Получена благодарност: 472 пъти
Изгорял модул за cruise control
Информацията е малко оскъдна... Къде точно са били нагризани кабелите?
Възстановена ли е изцяло електрическата система? Да не би да е останал невъзстановен кабел или невъзстановена изолация?
Защото може круиз контрола да си е ОК, а просто да не получава коректна информация заради невъзстановена ел-инсталация..
Възстановена ли е изцяло електрическата система? Да не би да е останал невъзстановен кабел или невъзстановена изолация?
Защото може круиз контрола да си е ОК, а просто да не получава коректна информация заради невъзстановена ел-инсталация..
Toyota Avensis 1.6 VVT-I / 2002г --> Mazda6 /2008 --> JGC 3.0/2014 --> ???
Chevrolet Kalos 1.4/16V/2004-> Nissan Qashqai 2.0 4x4 2008
Chevrolet Kalos 1.4/16V/2004-> Nissan Qashqai 2.0 4x4 2008
Изгорял модул за cruise control
В снопът кабели, който беше нагризан нямало кабели за КК иначе е възстановен. 2 дни седя колата в сервиза, за да проследят цялата ел. инсталация. Нямало други нагризани кабели. А и грешката, която дава била за изгорял компютър. Нищо друго не е засегнато. Само КК. На таблото не свети нищо излишно. В началото като открих проблема като натиснех бутона за КК на таблото индикацията " Cruise" мигаше. След сервиза като го включа не мига, свети нормално, но скоростта не я държи. Било модул в компютъра, но на обща платка. Не ги питах за бушони дали са гледали, защото ми беше неудобно. Ако има бушон все си мисля, че от него са почнали. Знам, че има цяла тема за монтиране на КК, но не ми се изчитат 40 страници. Някой да разбира от компютрите на тези тойоти?slowtraveler написа: Информацията е малко оскъдна... Къде точно са били нагризани кабелите?
Възстановена ли е изцяло електрическата система? Да не би да е останал невъзстановен кабел или невъзстановена изолация?
Защото може круиз контрола да си е ОК, а просто да не получава коректна информация заради невъзстановена ел-инсталация..
Avensis T25 2.2 diesel year 2008
Изгорял модул за cruise control
Еми това само може да потвърди проблем с компютъра. Абе дало е на късо и сега е фира. 1900 лв е компютъра. Не че ще ги дам заради КК, но някакси ме дразни да не работи нещо по колата.
Avensis T25 2.2 diesel year 2008
- slowtraveler
- Мнения: 7086
- Регистриран на: 28 Май 2006 21:44
- Местоположение: Варна
- Автомобил: Nissan Qashqai 2008/2.0/AWD
- Благодарил/а: 444 пъти
- Получена благодарност: 472 пъти
Изгорял модул за cruise control
Аз лично не бих бил убеден, че проблема е точно в компа...
При прекъснати кабели (имало ли е прекъснат кабел на АБС?) е възможно компа просто да не получава правилна информация, и затова да не реагира така, както очакваш....
Или пък да получава правилната информация, но да не успява да предаде командите към ЕКУ-то...
Явно успяваш да го стартираш, но успяваш ли да го 'сетнеш' на дадена скорост?
При прекъснати кабели (имало ли е прекъснат кабел на АБС?) е възможно компа просто да не получава правилна информация, и затова да не реагира така, както очакваш....
Или пък да получава правилната информация, но да не успява да предаде командите към ЕКУ-то...
Явно успяваш да го стартираш, но успяваш ли да го 'сетнеш' на дадена скорост?
Toyota Avensis 1.6 VVT-I / 2002г --> Mazda6 /2008 --> JGC 3.0/2014 --> ???
Chevrolet Kalos 1.4/16V/2004-> Nissan Qashqai 2.0 4x4 2008
Chevrolet Kalos 1.4/16V/2004-> Nissan Qashqai 2.0 4x4 2008
Изгорял модул за cruise control
Ами не съм имал проблем с АБС. За скоростта.... въобще не я задържа. Не реагира по никакъв нормален начин. И пак да уточня в нагризания сноп нямало кабели за КК.slowtraveler написа: Аз лично не бих бил убеден, че проблема е точно в компа...
При прекъснати кабели (имало ли е прекъснат кабел на АБС?) е възможно компа просто да не получава правилна информация, и затова да не реагира така, както очакваш....
Или пък да получава правилната информация, но да не успява да предаде командите към ЕКУ-то...
Явно успяваш да го стартираш, но успяваш ли да го 'сетнеш' на дадена скорост?
Avensis T25 2.2 diesel year 2008
- slowtraveler
- Мнения: 7086
- Регистриран на: 28 Май 2006 21:44
- Местоположение: Варна
- Автомобил: Nissan Qashqai 2008/2.0/AWD
- Благодарил/а: 444 пъти
- Получена благодарност: 472 пъти
Изгорял модул за cruise control
Айде пак отново въпроса - до каква степен успяваш да включиш КК?
Защото би трябвало първо да го включиш изцяло като система (т.е. да светне КК на таблото), а след това - да го активираш за поддържане на дадена скорост (променя цвета на таблото или включва още една лампичка - не знам как е при Авенсиса)
Защото би трябвало първо да го включиш изцяло като система (т.е. да светне КК на таблото), а след това - да го активираш за поддържане на дадена скорост (променя цвета на таблото или включва още една лампичка - не знам как е при Авенсиса)
Toyota Avensis 1.6 VVT-I / 2002г --> Mazda6 /2008 --> JGC 3.0/2014 --> ???
Chevrolet Kalos 1.4/16V/2004-> Nissan Qashqai 2.0 4x4 2008
Chevrolet Kalos 1.4/16V/2004-> Nissan Qashqai 2.0 4x4 2008
- BOz
- Мнения: 4725
- Регистриран на: 24 Сеп 2013 18:06
- Местоположение: София
- Благодарил/а: 10 пъти
- Получена благодарност: 260 пъти
Изгорял модул за cruise control
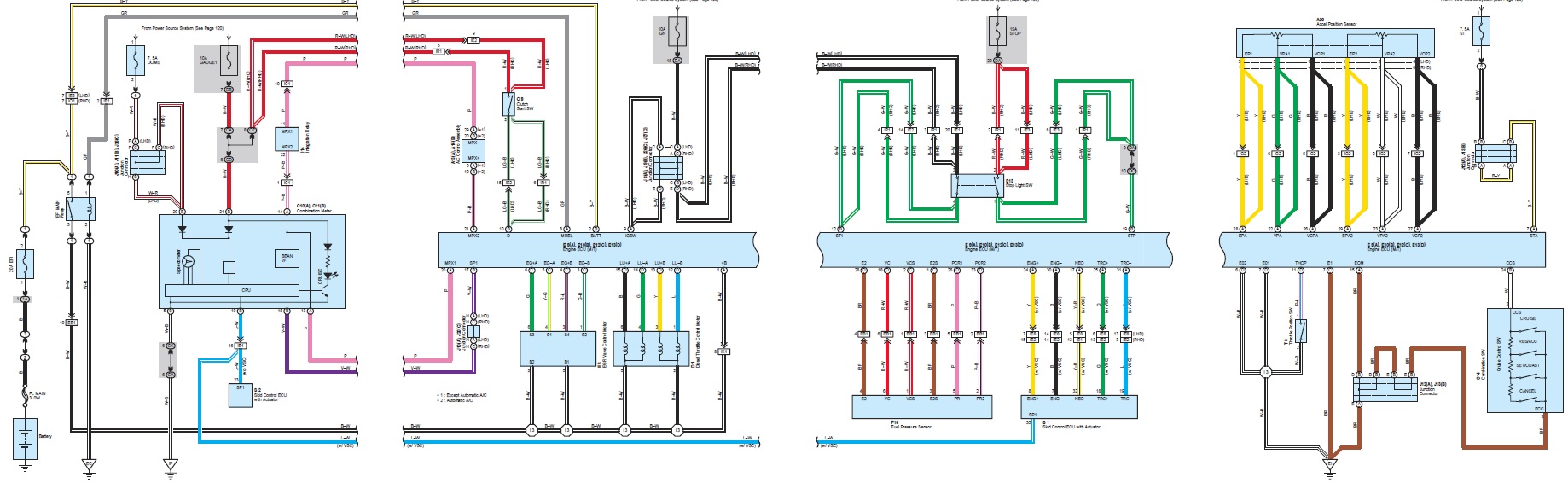
Няма как ЕКУ-то за КК да изгори, защото просто нямаш такъв. Функцията се изпълнява изцяло от ЕКУ-то на двигателя и щом то работи, значи всичко е наред. За това е важно да дадеш информация за кода на грешката.
Но щом като включиш КК и на таблото светка лампичката за активиране, значи изключваме проблем в самата ръчка.
Остават два варианта:
1. Проблем в окабеляването на стоп машинката. Тук е важно да се провери, защото стоп машинките имат 2 контакта. Един нормално отворен и един нормално затворен. Като натиснеш педала на спирачката, то те си сменят позициите. Целта е сигурност. И обикновено нормално отворения контакт играе главна роля - да кажем да ти светят стоповете, а другия е с цел проверка на системата за грешка.
2. Проблем в окабеляването на съединител машинката.
За това като се закачиш да диагностицираш ЕКУ-то на двигателя, то може да видиш дали двете машинки функционират коректно. След тази проверка и споделяне на информацията, която си видял, то ще може да те ориентираме къде би могъл да се крие проблемът.
Разход на електричарка -> 
Разход на хибрид ->
Разход на дизелов автоматик ->

Разход на хибрид ->

Разход на дизелов автоматик ->

Изгорял модул за cruise control
Да уточня-това е заводския монтиран КК. Не е инсталирано нищо от мен. А що се отнася до машинките сигурно техника в Тиксим ги знае тези неща и вероятно биха давали други грешки ако проблема е в тях. Нещата, които пиша са просто каквото са ми казали. Не съм им висял на главата да ги гледам какво гледат и проверяват, защото не е разрешено. Така че не знам и кода на грешката, която дава. А иначе ми обясниха, че модул в ЕКУто, който управлява КК, но понеже били на една платка нямало как да се смени само той.BOz написа:Няма как ЕКУ-то за КК да изгори, защото просто нямаш такъв. Функцията се изпълнява изцяло от ЕКУ-то на двигателя и щом то работи, значи всичко е наред. За това е важно да дадеш информация за кода на грешката.
Но щом като включиш КК и на таблото светка лампичката за активиране, значи изключваме проблем в самата ръчка.
Остават два варианта:
1. Проблем в окабеляването на стоп машинката. Тук е важно да се провери, защото стоп машинките имат 2 контакта. Един нормално отворен и един нормално затворен. Като натиснеш педала на спирачката, то те си сменят позициите. Целта е сигурност. И обикновено нормално отворения контакт играе главна роля - да кажем да ти светят стоповете, а другия е с цел проверка на системата за грешка.
2. Проблем в окабеляването на съединител машинката.
За това като се закачиш да диагностицираш ЕКУ-то на двигателя, то може да видиш дали двете машинки функционират коректно. След тази проверка и споделяне на информацията, която си видял, то ще може да те ориентираме къде би могъл да се крие проблемът.
И не мога да разбера защо винаги се допуска,че в официалните сервизи винаги грешат. Толкова ли е невъзможно да е изгоряло нещото в ЕКУто. И да е някакъв кондензатор и транзистор за 1-2лв. Просто искам да разбера дали тук има някой, който разбира от ЕКУта и би го погледнал. Търся за София,Пазарджик или Пловдив.
Avensis T25 2.2 diesel year 2008
Изгорял модул за cruise control
Авенсиса има само една лампичка. Първо го включваш и после сетваш избраната скорост. При мен я няма втората част.slowtraveler написа: Айде пак отново въпроса - до каква степен успяваш да включиш КК?
Защото би трябвало първо да го включиш изцяло като система (т.е. да светне КК на таблото), а след това - да го активираш за поддържане на дадена скорост (променя цвета на таблото или включва още една лампичка - не знам как е при Авенсиса)
Avensis T25 2.2 diesel year 2008
- BOz
- Мнения: 4725
- Регистриран на: 24 Сеп 2013 18:06
- Местоположение: София
- Благодарил/а: 10 пъти
- Получена благодарност: 260 пъти
Изгорял модул за cruise control
Ами горе-долу е толкова невъзможно.
Да изгори само тази част, което е свързана само с КК-ла според мен е почти невъзможно да изгори. Още повече, че самия проводник на КК-ла до ЕКУ-то не е бил засегнат.
Но както казваш, че хората са го гледали, ок. Въпроса се свежда до там да кажеш каква е самата грешка, за да може да се опитаме да ти помогнем с нещо, ако имаш желание за това.
Разход на електричарка -> 
Разход на хибрид ->
Разход на дизелов автоматик ->

Разход на хибрид ->

Разход на дизелов автоматик ->

- slowtraveler
- Мнения: 7086
- Регистриран на: 28 Май 2006 21:44
- Местоположение: Варна
- Автомобил: Nissan Qashqai 2008/2.0/AWD
- Благодарил/а: 444 пъти
- Получена благодарност: 472 пъти
Изгорял модул за cruise control
В смисъл по никакъв начин не се индикира, че в момента КК поддържа скоростта?
Ако наистина е така - реално ти не знаеш дали КК се е активирал за поддържане на скорост. А неактивирането наистина може да бъде поради причините, изброени от BOz (стоп-машинка, машинка на съединителя) или евентуално - машинка на скоростния лост...
Като е възможно да не се генерира никаква грешка, ако например машинките отчитат натиснат съединител или неутрална предавка, въпреки, че съеднителя не е натиснат (или поне на куплунга на компа се получава такава информация)... За да е имало мигане на КК, значи е имало проблем/грешка... Съмнява ме начина, по който са свързали прекъснати/окъсени кабели - да не би да са объркали нещо там?
Toyota Avensis 1.6 VVT-I / 2002г --> Mazda6 /2008 --> JGC 3.0/2014 --> ???
Chevrolet Kalos 1.4/16V/2004-> Nissan Qashqai 2.0 4x4 2008
Chevrolet Kalos 1.4/16V/2004-> Nissan Qashqai 2.0 4x4 2008
Изгорял модул за cruise control
Имам odb adapter и на телефона съм си качил прогрмата Torque. Одеве включих КК и започна да мига пак. Пуснах програмата да прочете за грешки, но ми каза че няма записани грешки в ЕКУто. Или не може да ги чете или.....не знам. Други сензори ги показва.BOz написа:Ами горе-долу е толкова невъзможно.
Да изгори само тази част, което е свързана само с КК-ла според мен е почти невъзможно да изгори. Още повече, че самия проводник на КК-ла до ЕКУ-то не е бил засегнат.
Но както казваш, че хората са го гледали, ок. Въпроса се свежда до там да кажеш каква е самата грешка, за да може да се опитаме да ти помогнем с нещо, ако имаш желание за това.
Avensis T25 2.2 diesel year 2008
- slowtraveler
- Мнения: 7086
- Регистриран на: 28 Май 2006 21:44
- Местоположение: Варна
- Автомобил: Nissan Qashqai 2008/2.0/AWD
- Благодарил/а: 444 пъти
- Получена благодарност: 472 пъти
Изгорял модул за cruise control
Трябва си Техстрийм - тези ОБД играчки вършат работа само частично - колкото да видиш някой основен датчик по двигателя...
Toyota Avensis 1.6 VVT-I / 2002г --> Mazda6 /2008 --> JGC 3.0/2014 --> ???
Chevrolet Kalos 1.4/16V/2004-> Nissan Qashqai 2.0 4x4 2008
Chevrolet Kalos 1.4/16V/2004-> Nissan Qashqai 2.0 4x4 2008
Кой е на линия
Потребители разглеждащи този форум: NeverMind и 2 госта