Verso AR10 - Неработещи плафони и зумер ?

Аватар
marty_205
Мнения: 20
Регистриран на: 17 Юли 2017 15:24
Местоположение: varna
Получена  благодарност: 3 пъти

Verso AR10 - Неработещи плафони и зумер ?

Мнение от marty_205 » 17 Юли 2017 17:47

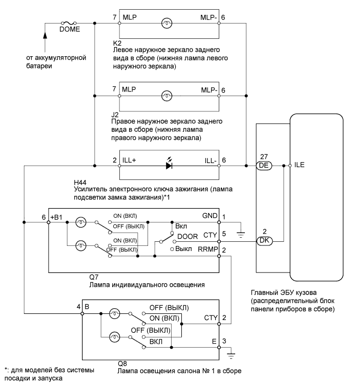
Здравейте на всички. От 20 дни съм притежател на Тойота Версо 2,2 Д4Д от 2005 година. От 3 дни ми отказа включването на 2 плафона и зумера при коя да е отворена врата а също и осветлението на сенниците ,когато превключвателите на плафоните са на положение DOOR а на таблото показва ,че има отворена врата. Два дни преди това смених крушките със светодиодни и всичко си работеше нормално. Предния ден отварях панела за ел.стъклата ,че вечерно време не се виждаха копчетата( доста мръсотия излезе ), на коректора за фаровете беше изгоряла крушката и ми беше интересно копчето за настройка на огледалата защо няма подсветка(така и не открих такава). Понеже книжката е на италиански , по картинките намерих 5 -те табла с бушоните и един по един ги проверих с мултицета -в таблото до педалите открих един изгорял 7,5А бушон и го смених. Светнаха плафоните на сенниците , персоналните крушки от централния преден , но осветлението при нито една отворена врата не се включва и зумера не се чува и на таблото свети знака за отворена врата. Интересното е ,че когато поставям превключвателите в позиция " ON" средните светодиоди светват. Забравих да спомена ,че когато дистанционното е в таблото и вратата се отвори ,зумерът пищи. В интернет видях ,че бушон 43 25 А в таблото на левия калник с надпис DOOR отговарял за осветлението ама при мен продължава да е здрав а осветлението не се включва . От дясно на копчето за огледалата има пластмасова заглушка и отзад е закрепена букса със 4 кабела -някои да знае за какво е това . От лявата страна е копчето за стабилизиращата система--
Някой да има идея къде да търся проблема :help:
Ще съм благодарен ако някой има описание на бушоните по табла кой за какво отговаря
Поздрави
Последно промяна от Akima на 01 Апр 2025 15:01, променено общо 1 път.
Причина: Променено заглавие.

Аватар
slowtraveler
Мнения: 7086
Регистриран на: 28 Май 2006 21:44
Местоположение: Варна
Автомобил: Nissan Qashqai 2008/2.0/AWD
Благодарил/а: 444 пъти
Получена  благодарност: 472 пъти

Тойота Версо- неработещи плафони и зумер

Мнение от slowtraveler » 17 Юли 2017 17:57

Не ги ли пише в инструкцията за експлоатация (има тема, в която може да има инструкция и за Вашият модел, дори и да сте купили автомобилът без инструкция)...
Toyota Avensis 1.6 VVT-I / 2002г --> Mazda6 /2008 --> JGC 3.0/2014 --> ???
Chevrolet Kalos 1.4/16V/2004-> Nissan Qashqai 2.0 4x4 2008

Аватар
marty_205
Мнения: 20
Регистриран на: 17 Юли 2017 15:24
Местоположение: varna
Получена  благодарност: 3 пъти

Тойота Версо- неработещи плафони и зумер

Мнение от marty_205 » 18 Юли 2017 11:37

Здравейте отново. Снощи се разрових във руския форум на тойота и там са имали същия проблем след смяна на изгорели крушки с такива светодиодни. Едната братушка препоръчва изваждане на предпазителя DOOR и да се изключи минусовата клема за 5-10 минути, връща се бушона и се закача акумулатора и светлините се възстановявали. Втората братушка е открила изгорял предпазител под таблото до педалите със фотмата на "Т" от ляво на дясно втория N:56 на 7,5 Ам. И при мен беше изгорял ,но след смяната светнаха само "козметичните огледалца" крайните крушки от предния плафон
и започнаха да светят двата плафона когато ръчно ги превключа на "ON "
На следващия ден я бях забравил на фарове за 2,5 часа и даже не се отключи със дистанционното,та трябваше да я отварям с аварийния ключ.След зарядката ,плафоните продължиха да стоят тъмни при отваряне на коя да е врата. Светодиодните крушки които бях сложил нямаха CAN и обособен + и - . Преди Тойотата имах Туран и не му се харесваха обикновенните светодиодни крушки.Освен това имаше проверка на изгоряла крушка( за разлика от тойотата ) и когато угасваха плафоните след запалване,двата плафона слабо "тлееха".

Аватар
Freedom
Мнения: 412
Регистриран на: 22 Яну 2010 11:04
Местоположение: Бургас
Благодарил/а: 13 пъти
Получена  благодарност: 16 пъти

Тойота Версо- неработещи плафони и зумер

Мнение от Freedom » 18 Юли 2017 17:18

Здравей колега,
Предполагам, че проблемът е в интегралното реле. Намира се на задната страна на панела с предпазителите над краката на шофьора (вероятно е синя кутия).

Аватар
marty_205
Мнения: 20
Регистриран на: 17 Юли 2017 15:24
Местоположение: varna
Получена  благодарност: 3 пъти

Тойота Версо- неработещи плафони и зумер

Мнение от marty_205 » 21 Юли 2017 18:11

Freedom написа: Здравей колега,
Предполагам, че проблемът е в интегралното реле. Намира се на задната страна на панела с предпазителите над краката на шофьора (вероятно е синя кутия).
Здравей колега . Днес залегнах до педалите ,обаче там освен бушони в два реда и дебел жгут от кабели друго няма. Най вероятно релето за което споменаваш се намира на гърба на таблото с бушони отляво на арматурното табло зад триъгълното капаче .Половин час се пънах ,но не можах да видя как се сваля таблото с бушоните ,нито как да бръкна зад него .Чудя се дали да не сваля таблото с часовниците и да бръкна от горе. От братушките намерих схема на включването на плафоните-според препатили ,вътре се овъгляват от 1 до 3 резистора и гори или дава на късо стабилизатора на напрежение за интегралните схеми. Намерих снимка как изглежда отвътре релето ,но не ми я приема ,че била много голяма
схема плафони Версо.png
схема плафони Версо.png (27.32 KiB) Преглеждано 18501 пъти

Аватар
slowtraveler
Мнения: 7086
Регистриран на: 28 Май 2006 21:44
Местоположение: Варна
Автомобил: Nissan Qashqai 2008/2.0/AWD
Благодарил/а: 444 пъти
Получена  благодарност: 472 пъти

Тойота Версо- неработещи плафони и зумер

Мнение от slowtraveler » 21 Юли 2017 19:24

За снимката - просто намали резолюцията и с някоия най-обикновена програма и ще можеш да я качиш тук (например PAINT / resize)...
Toyota Avensis 1.6 VVT-I / 2002г --> Mazda6 /2008 --> JGC 3.0/2014 --> ???
Chevrolet Kalos 1.4/16V/2004-> Nissan Qashqai 2.0 4x4 2008

Аватар
marty_205
Мнения: 20
Регистриран на: 17 Юли 2017 15:24
Местоположение: varna
Получена  благодарност: 3 пъти

Тойота Версо- неработещи плафони и зумер

Мнение от marty_205 » 24 Юли 2017 00:15

slowtraveler написа: За снимката - просто намали резолюцията и с някоия най-обикновена програма и ще можеш да я качиш тук (например PAINT / resize)...
Здравей колега.
снемане.png
снемане.png (236.35 KiB) Преглеждано 18478 пъти
Така трябвало да изглежда релето ,ама по ясно blush.gif . Заграденото с червена линия е интегрален стабилизатор ,който при даване на късо в плафона или повишена консумация изгарял.Чудя се защо японците не са му сложили дори пластина ,да не говорим за алуминиев радиатор. В дясно от зумера който "тантони" че вратата е отворена има три съпротивления ,които се овъгляват ,та чак разтапят пластмасовата кутия .
Тествах светодиодните крушки при 14 волта -всяка харчеше 180 Ма ток ,а оригиналната крушка от плафона дето тлееше -330 Ма ток. Как да си го обясня- двата светодиода харчат почти колкото едната крушка. Със светодиодните изкара три дни , а с обикновените 15 дни. В далечната 2007 имах Рено 19 и бях и купил такава джаджа от Мосю Бриколаж.,като работеха и трите плафона ипосле и сложих светодиодни. Направо ме налита да намеря четерите кабела от бутоните на вратите и през тая джаджа да ги вържа към плафон
Picture 043.jpg
Picture 043.jpg (152.71 KiB) Преглеждано 18478 пъти
Picture 049.jpg
Picture 049.jpg (153.7 KiB) Преглеждано 18478 пъти
Picture 045.jpg
Picture 045.jpg (145.5 KiB) Преглеждано 18478 пъти
Вкъщи имах едно такова ,ама къде съм го запилял идея си нямам. Но на Бриколаж го има и струваше преди два месеца около 12 лева. Къде по евтино ще излезе от това в Ибей за 800 долара -звънях в Тойота -казаха ,че май не било налично и май трябвало с поръчка , щели да ми звъннат за цената и.... трети ден се" скъсват от звънене ".
В форума ми попадна ,че за по-новите –2008 г. релето било почти 1000 лева ,а по старите били с по-обикновенно реле.
Релето от снимката не е от моята кола а от руския форум,така че ако някой с версо 2005-2006 г- дизел го намери къде са го боднали ,да прати една снимка , да му се порадвам и да го изкормя от там guns.gif

Аватар
Freedom
Мнения: 412
Регистриран на: 22 Яну 2010 11:04
Местоположение: Бургас
Благодарил/а: 13 пъти
Получена  благодарност: 16 пъти

Тойота Версо- неработещи плафони и зумер

Мнение от Freedom » 29 Юли 2017 08:12

Здравей колега,
Намери ли къде е релето? Има ли някакво развитие по проблема?

Аватар
izhelev
Мнения: 71
Регистриран на: 28 Май 2017 14:05
Местоположение: София
Получена  благодарност: 1 път

Тойота Версо- неработещи плафони и зумер

Мнение от izhelev » 29 Юли 2017 14:42

Да кажа и аз нещо по- темата. Нямам претенции да съм електричар, даже напротив - като чуя за ток, пък бил той и слаб бягам надалеч. Според мен автора на темата, трябва да замени свтодиодите с нормални крушки. В субару форума някои колеги се опитваха да заменят крушки по таблото със светлодиоди и имаха проблеми - горене на бушони и нагаряне на кабели.
Subaru Legacy 1999 2.5 4EAT ---> Toyota Verso 1.8 CVT 2010

Аватар
gimara
Мнения: 1825
Регистриран на: 27 Фев 2014 18:56
Местоположение: Пловдив
Автомобил: Verso 1.8/CVT, 2016
Благодарил/а: 65 пъти
Получена  благодарност: 153 пъти

Тойота Версо- неработещи плафони и зумер

Мнение от gimara » 01 Авг 2017 18:25

marty_205 написа: ако някой с версо 2005-2006 г- дизел го намери къде са го боднали ,да прати една снимка , да му се порадвам и да го изкормя от там
Минал съм по този път, ако не си я видял, прочети темата: http://www.toyotabg.eu/viewtopic.php?f ... 54#p269354
Релето се намира на гърба на блока с предпазители отляво на таблото.
Снимка
Аз го вадих отдолу, като свалих аербега за колената за водача, но е голям зор. Може би е по-лесно да свалиш таблото с часовниците, от там май е по-удобно. Релето го свалих без да свалям блока с предпазители.
Развиват се няколко винта, единия се вижда на снимката. Релето е свързано към блока с куплунг, внимателно с отвертка се повдига от всички страни. Внимателно и с търпение го вадиш, да не се изкривят крачетата. Отиваш с релето в някоя фирма(например за ремонт на компютри), изобщо не коментираш колко струва това реле и може за 10-20 лв. да ти го оправят.
И не забравяй да откачиш минуса на акумулатора. Ако се сваля аербега, изчакваш не помня колко минути, но 10 тина за по-сигурно става.

memorex

Тойота Версо- неработещи плафони и зумер

Мнение от memorex » 01 Авг 2017 23:56

:thumbsup:
Макар че аз на равката отдавна ги смених със лед и всичко е ок.Както един колега спомена при смяната трябва да се изключи захранването щото в най-добрия случай ще замине бушона.За поляритета на ледовете е ясно предполагам?

Аватар
marty_205
Мнения: 20
Регистриран на: 17 Юли 2017 15:24
Местоположение: varna
Получена  благодарност: 3 пъти

Тойота Версо- неработещи плафони и зумер

Мнение от marty_205 » 02 Авг 2017 22:11

gimara написа: И не забравяй да откачиш минуса на акумулатора. Ако се сваля аербега, изчакваш не помня колко минути, но 10 тина за по-сигурно става.

Здравей колега.
Днес почивах и ме хванаха дяволите към 12 часа и я метнах да я разглобявам. Към 14,30 изкарах целия блок с бушоните ,обаче на него не пишеше интеграционно реле както при авансисите и не беше синьо ,а мулти компютър. Отворих капака след развиване на четирите винта и отключване на осемте щипки и с доста дърпане и зор успях да го изкормя както обещах. Там обаче освен "смд" диоди ,транзистори и съпротивления друго нямяше–за полевия транзистор говоря. Видях две малки черни релета и това е.Видимо нямаше нищо изгоряло или овъглено на пръв поглед.Сглобяването стана по-бързо и за половин час rolleyes.gif . Как да дам на някой да оправи нещо ,като няма видима повреда или изгаряне.
izhelev написа:В субару форума някои колеги се опитваха да заменят крушки по таблото със светлодиоди и имаха проблеми - горене на бушони и нагаряне на кабели.
Здравей колега . Писал съм ,че цели три дни плафоните си светеха без проблем защото в момента на подмяната бях изключил плафоните.На четвъртия рекох да видя защо не свети бутона за регулиране на огледалата коректора за фаровете и копчетата за ел.стъклата и за да не светят напразно изгасих плафоните от лостчетата. След като намерих изгорелия бушон и го смених ,върнах крушките ама файда йок

Аватар
gimara
Мнения: 1825
Регистриран на: 27 Фев 2014 18:56
Местоположение: Пловдив
Автомобил: Verso 1.8/CVT, 2016
Благодарил/а: 65 пъти
Получена  благодарност: 153 пъти

Тойота Версо- неработещи плафони и зумер

Мнение от gimara » 03 Авг 2017 09:26

marty_205 написа: Как да дам на някой да оправи нещо ,като няма видима повреда или изгаряне.
Транзисторите рядко горят видимо. Електричарите си имат методи за проверка на транзисторите. Резисторите, за които говорят руснаците са ти здрави, щом не се вижда овъгляване.

Аватар
marty_205
Мнения: 20
Регистриран на: 17 Юли 2017 15:24
Местоположение: varna
Получена  благодарност: 3 пъти

Тойота Версо- неработещи плафони и зумер

Мнение от marty_205 » 31 Авг 2017 23:34

Привет на всички.
Миналата седмица срязах четирите кабелчета /червените от всяка букса ,включена във всеки бутон за вратите.Пуснах нови кабели от всяка букса/като от задните отиват до таблото а предните се включват към кабелите на задните бутони/ до таблото с бушони със резерв от 20 см. за лесно свързване. Свалих предния плафон и в куплунга му към червения кабел със сребърните пръстени съединих нов кабел и го свързах с тези идващи от вратите.Сега като отворя-светят,като затворя си угасват /плафоните де/.Обаче има проблем-мулти компютъра не разбира ,че отварям вратата след отключване и чака 20 сек. и ги заключва. Монтирах по един изправителен диод серия 1N 4001/стават до серия 4007/ като се скъсят крачетата наполовина и им се запоят по един проводник 6-7 см от двете страни-на диода има пръстен и тази страна да е свързана към новия кабел за всяка букса на всеки бутон ,а другия край на диода се свързва към отрязаното червено кабелчеот всеки бутон ,за да познае компютъра ,че отварям коя да е врата. Сега вече сигнализатора свети на таблото както беше. Монтирах устройството за забавено загасване от предните постове /намерих го най сетне worthy.gif / ,като черния проводник го свързах на маса през левия винт на плафона , а жълтия го свързах към червения със сребърните пръстени горе в плафона/не режете червения към страната на левия сенник ,иначе задния плафон остава тъмен /. Монтирах лед светодиодите пак/да не са със КАН иначе няма да загасват , а ще тлеят по време на движение/ .
При отворена врата за 5 сек. плафоните загасват след 10-13 секунди. Ако е отворена за 10 сек. плафоните загасват след 36-38 секунди.
Единствения проблем остава ,че докато светят плафоните ,независимо че и последната врата е затворена -не може да се заключи колата.
Мен лично резултата ме устройва. Като разход и вложение-релето е около 12 лева +1 лев за диодите и 5 часа труд/щото диодите ги сложих на втория ден като се замислих/ punk.gif
Успех на всички с това начинание

Аватар
Paris
Мнения: 6
Регистриран на: 14 Фев 2018 02:42
Местоположение: Шумен

Тойота Версо- неработещи плафони и зумер

Мнение от Paris » 02 Сеп 2018 15:25

Здравейте преди 2 3 дена исках да сменя крушките на плафона да сложа бели диодни 2 чифта крушки сложих но нито 1 чифт не светна после върнах старите крушки и те не светнаха като запалих колата покарах малко след изгазване на колата забелязах че стрелката на горивото стой на горе часовника ми се нулирва става въпрос за версо 2006 година 177 коня

Публикувай отговор

Кой е на линия

Потребители разглеждащи този форум: 0 регистрирани и 5 госта