Проблем с подгряване задно стъкло
-
Vladko Markov
- Мнения: 36
- Регистриран на: 09 Апр 2017 10:43
- Местоположение: Vidin
Проблем с подгряване задно стъкло
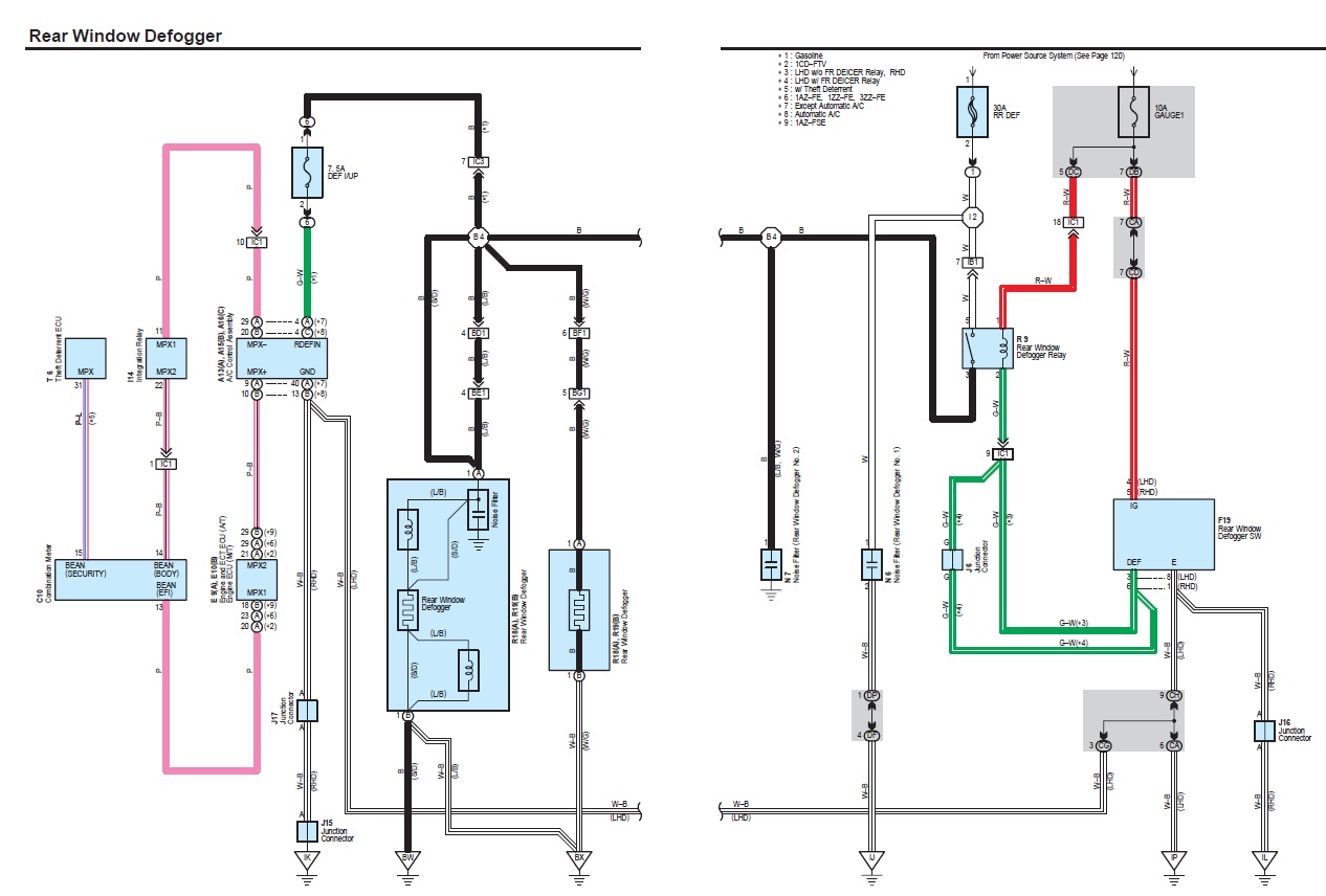
Здравейте Колеги. Колата е Авенсис Т25 Комби 2,2 D4 D 150 к.с. Нямам подгряването на задното стъкло и бих искал да ми подскажете как да разглобя лаийсните около стъклотоа за да видя да не е прекъснал кабел или да се е извадил от буксата за захранване на реотана. Във форума прочетох, че бушона за подгряването се намира под капака на двигателя с инициали DEF, ако не бъркам. Ако ли не е така подскажете. Благодаря Ви предварително.
Toyota Avensis T25 2,2 D4D 150 к.с.
- peterhr
- Мнения: 664
- Регистриран на: 31 Яну 2007 12:24
- Местоположение: София
- Благодарил/а: 14 пъти
- Получена благодарност: 37 пъти
- Обратна връзка:
Проблем с подгряване задно стъкло
Вероятността да е извада букса на реотана според мен клони към нула.
Аз залагам на:
1. Прекъснал кабел в снопа на багажника.
2. Нагоряла букса някъде по пътя (не знам през колко минава силовия кабел).
3. Изгорял бушон.
4. Нагоряло реле.
Аз залагам на:
1. Прекъснал кабел в снопа на багажника.
2. Нагоряла букса някъде по пътя (не знам през колко минава силовия кабел).
3. Изгорял бушон.
4. Нагоряло реле.
Corolla E17, 2016г, 1.6 CVT
-
Vladko Markov
- Мнения: 36
- Регистриран на: 09 Апр 2017 10:43
- Местоположение: Vidin
Проблем с подгряване задно стъкло
Колега, знаете ли къде се намира релето?
Toyota Avensis T25 2,2 D4D 150 к.с.
-
Vladko Markov
- Мнения: 36
- Регистриран на: 09 Апр 2017 10:43
- Местоположение: Vidin
Проблем с подгряване задно стъкло
Благодаря колеги, оказа се откачена букса за захранването
Toyota Avensis T25 2,2 D4D 150 к.с.
-
Mtk_rs
- Мнения: 11
- Регистриран на: 05 Юли 2017 11:05
- Местоположение: Ruse
- Получена благодарност: 1 път
Проблем с подгряване задно стъкло
Имам същия проблем на авенсис т22.Мханах кората на стъклото и се оказа отлепена букса от стъклото.
- slowtraveler
- Мнения: 7093
- Регистриран на: 28 Май 2006 21:44
- Местоположение: Варна
- Автомобил: Nissan Qashqai 2008/2.0/AWD
- Благодарил/а: 446 пъти
- Получена благодарност: 473 пъти
Проблем с подгряване задно стъкло
Гадна работа е... Може да пробвате да я запоите - дано не се спука стъклото...
Toyota Avensis 1.6 VVT-I / 2002г --> Mazda6 /2008 --> JGC 3.0/2014 --> ???
Chevrolet Kalos 1.4/16V/2004-> Nissan Qashqai 2.0 4x4 2008
Chevrolet Kalos 1.4/16V/2004-> Nissan Qashqai 2.0 4x4 2008
Проблем с подгряване задно стъкло
Здравейте колеги, при мен на Т25 комби модела, на задното стъкло не работи подгряването, но само в долната част до около 15см. Оттам догоре работи нормално. Какво може да бъде?
- Freedom
- Мнения: 412
- Регистриран на: 22 Яну 2010 11:04
- Местоположение: Бургас
- Благодарил/а: 13 пъти
- Получена благодарност: 16 пъти
Проблем с подгряване задно стъкло
Вероятно има прекъснати ленти на нагревателя, обикновено до това води престараването по автомивките. Едно от решенията е: Електропроводимо лепило
Проблем с подгряване задно стъкло
Много благодаря! Разгледах клипчета по темата и ще намеря време за опит. Надявам се да се похваля. Весели празници!
- slowtraveler
- Мнения: 7093
- Регистриран на: 28 Май 2006 21:44
- Местоположение: Варна
- Автомобил: Nissan Qashqai 2008/2.0/AWD
- Благодарил/а: 446 пъти
- Получена благодарност: 473 пъти
Проблем с подгряване задно стъкло
Ако имаш базови познания по електротехника мога да ти подскажа елементарен метод за проверка с волтметър.
Стартираш двигателя и включваш подгрева. Едната сонда забиваш на едната захранваща плочка (или например на маса), а с другата сонда минаваш по средата на всички ленти (без да натискаш прекалено, за да не ги прекъснеш със сондата). Прекъснатите ленти ще ти покажат или 0V, или над 12V, докато изправните ще ти показват някакво междинно напрежение (например посредата около 6V, което плавно се изменя в двата края към 0В и 12В)..
Мястото на самото прекъсване се намира по същият начин, но започваш да приплъзваш сондата по дължината на проблемната лента и гледаш участъка, където напрежението ще се промени рязко от 0V към 12V... Там мажеш с лепилото, и след засъхване провтаряш експеримента - имал съм случаи с прекъсната на няколко места лента...
Стартираш двигателя и включваш подгрева. Едната сонда забиваш на едната захранваща плочка (или например на маса), а с другата сонда минаваш по средата на всички ленти (без да натискаш прекалено, за да не ги прекъснеш със сондата). Прекъснатите ленти ще ти покажат или 0V, или над 12V, докато изправните ще ти показват някакво междинно напрежение (например посредата около 6V, което плавно се изменя в двата края към 0В и 12В)..
Мястото на самото прекъсване се намира по същият начин, но започваш да приплъзваш сондата по дължината на проблемната лента и гледаш участъка, където напрежението ще се промени рязко от 0V към 12V... Там мажеш с лепилото, и след засъхване провтаряш експеримента - имал съм случаи с прекъсната на няколко места лента...
Toyota Avensis 1.6 VVT-I / 2002г --> Mazda6 /2008 --> JGC 3.0/2014 --> ???
Chevrolet Kalos 1.4/16V/2004-> Nissan Qashqai 2.0 4x4 2008
Chevrolet Kalos 1.4/16V/2004-> Nissan Qashqai 2.0 4x4 2008
-
djofra
- Мнения: 103
- Регистриран на: 17 Мар 2018 10:32
- Местоположение: Велико Търново
- Автомобил: Т271L
- Благодарил/а: 22 пъти
- Получена благодарност: 3 пъти
Проблем с подгряване задно стъкло
Честито Рождество на всички!
До колегата Freedom: Бихте ли споделили откъде черпите информацията, която споделяте с нас. Аз отчаяно търся от 8 месеца всякаква за модела от подписа ми. Най вече за двигателя и неговите системи, но дет са вика за сега - дърво.
Весели празници на всички!
До колегата Freedom: Бихте ли споделили откъде черпите информацията, която споделяте с нас. Аз отчаяно търся от 8 месеца всякаква за модела от подписа ми. Най вече за двигателя и неговите системи, но дет са вика за сега - дърво.
Весели празници на всички!
Toyota Avensis T271L - 2WW
- Allexi
- Мнения: 20
- Регистриран на: 12 Ное 2018 01:43
- Местоположение: София
- Автомобил: Prius V
- Получена благодарност: 3 пъти
Проблем с подгряване задно стъкло
Електро проводящо лепило можете да си поръчате от Китайците за няколко левчета. Пробвал съм го за възстановяване на реотаните и върши работа (стига да не бързате де):
https://www.aliexpress.com/item/Silver- ... pcSwitch_0
https://www.aliexpress.com/item/Silver- ... pcSwitch_0
- Allexi
- Мнения: 20
- Регистриран на: 12 Ное 2018 01:43
- Местоположение: София
- Автомобил: Prius V
- Получена благодарност: 3 пъти
Проблем с подгряване задно стъкло
Аз не съм колегата Freedom, но моя изход от ситуацията беше да си сваля приложението "Toyota Parts Diagram & VIN" за телефон и съответно да го платя цялото, за да имам вътре всички Тойотки и техните части до последното болтче. Нещата ги вади в едни диаграми с фабричните номера на нещата и по тези номера можеш да си ги търсиш. За някои неща даже ако има алтернатива от друга марка ти ги показва и тях. Мен лично ми е достатъчно.djofra написа: ↑25 Дек 2018 12:00 Честито Рождество на всички!
До колегата Freedom: Бихте ли споделили откъде черпите информацията, която споделяте с нас. Аз отчаяно търся от 8 месеца всякаква за модела от подписа ми. Най вече за двигателя и неговите системи, но дет са вика за сега - дърво.
Весели празници на всички!
Кой е на линия
Потребители разглеждащи този форум: 0 регистрирани и 3 госта