Грешка С 1249 Авенсис Т 25
Грешка С 1249 Авенсис Т 25
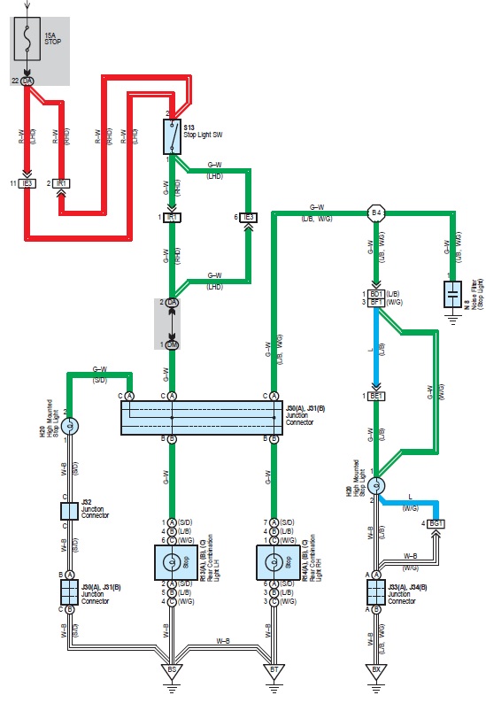
Имам следният проблем светят ABS VSC TRC off, грешката е С 1249, абс-ът не работи, при натискане на педала на спирачката задните стопове не светят!
Акумулаторът е нов на около месец.
Благодаря!
Колчето(Brake light switch ) е сменено, без промяна, задните крушки са ок.
Акумулаторът е нов на около месец.
Благодаря!
Колчето(Brake light switch ) е сменено, без промяна, задните крушки са ок.
Toyota Avensis T 25, 1.8 VVTI, 129 к.с. 2004 г. - комби
- Freedom
- Мнения: 408
- Регистриран на: 22 Яну 2010 11:04
- Местоположение: Бургас
- Благодарил/а: 10 пъти
- Получена благодарност: 14 пъти
Грешка С 1249 Авенсис Т 25
C1249 - Brake Light Switch Circuit Malfunction
Търси проблема във включвателя или окабеляването. Предпазителя здрав ли е?
Търси проблема във включвателя или окабеляването. Предпазителя здрав ли е?
Грешка С 1249 Авенсис Т 25
С каква част смени втора употреба или нова?
Ex Toyota Avensis Estate 2006 1.8 GI Fobos
Subaru Legacy 2.5 Wagon 2012 .. blue pearl , GI AEB
Subaru Legacy 2.5 Wagon 2012 .. blue pearl , GI AEB
Грешка С 1249 Авенсис Т 25
нFreedom, extory, да, нова е частта, изглежда, че е ок предпазителят. Средният стоп свети, преди не светеше, а задните не светят, странно.
Но нямам абс..
Но нямам абс..
Toyota Avensis T 25, 1.8 VVTI, 129 к.с. 2004 г. - комби
Грешка С 1249 Авенсис Т 25
Freedom, да, има. Четох, че при лекусите изкачала тази грешка имало TSB за подмяна на дефектна стоп-машинка, но не съм с лексус:)
Лампите са проверени, бушони, но не светят задните стопове и тва си е....
Лампите са проверени, бушони, но не светят задните стопове и тва си е....
Toyota Avensis T 25, 1.8 VVTI, 129 к.с. 2004 г. - комби
- slowtraveler
- Мнения: 6845
- Регистриран на: 28 Май 2006 21:44
- Местоположение: Варна
- Автомобил: Nissan Qashqai 2008/2.0/AWD
- Благодарил/а: 418 пъти
- Получена благодарност: 448 пъти
Грешка С 1249 Авенсис Т 25
Добре де, ключето провери ли го?
Toyota Avensis 1.6 VVT-I / 2002г --> Mazda6 /2008 --> JGC 3.0/2014 --> ???
Chevrolet Kalos 1.4/16V/2004-> Nissan Qashqai 2.0 4x4 2008
Chevrolet Kalos 1.4/16V/2004-> Nissan Qashqai 2.0 4x4 2008
-
Scott
- Мнения: 2710
- Регистриран на: 25 Ное 2004 18:44
- Местоположение: Bristol, UK
- Получена благодарност: 1 път
Грешка С 1249 Авенсис Т 25
А масата към задните фарове провери ли?Maxi написа:Лампите са проверени, бушони, но не светят задните стопове и тва си е....
Грешка С 1249 Авенсис Т 25
Колеги, оказа се окислена букса, проблемът е решен.
Toyota Avensis T 25, 1.8 VVTI, 129 к.с. 2004 г. - комби
- Freedom
- Мнения: 408
- Регистриран на: 22 Яну 2010 11:04
- Местоположение: Бургас
- Благодарил/а: 10 пъти
- Получена благодарност: 14 пъти
Грешка С 1249 Авенсис Т 25
За това говорехме. Когато проверяваш за напрежение с мултицет има вероятност да пропуснеш слаба връзка. С пробна лампа шансовете за диагностика се увеличават, макар че и е малък товара.
-
Deadgame
- Мнения: 1
- Регистриран на: 27 Ное 2018 22:48
- Местоположение: Pazardzhik
- Автомобил: Toyota Avensis
Грешка С 1249 Авенсис Т 25
Колега моля ти се кажи коя е тази букса защото имам абсолютно същия проблем и как да го реша,благодаря предварително!
- Cealtex
- Мнения: 363
- Регистриран на: 12 Май 2014 20:30
- Местоположение: София
- Автомобил: Toyota Avensis T25 2.0 D4D
- Благодарил/а: 1 път
- Получена благодарност: 2 пъти
Грешка С 1249 Авенсис Т 25
Колеги (включително и Deadgame), препоръчвам Ви да пишете по едно лично съобщение на колегата Maxi, че:
Последно активен:02 юли 2018 10:00
Така поне системата ще му се прати личен мейл, че има лично съобщение и има малко по-голям шанс да се получи и най-накрая очаквания отговор за окислената букса
Кой е на линия
Потребители разглеждащи този форум: Ahrefs [Bot] и 1 гост
