Проблем къси светлини - ляв фар не свети
-
K1ro0
- Мнения: 4
- Регистриран на: 28 Сеп 2018 05:21
- Местоположение: Бургас
- Автомобил: Toyota Coroll A Verso 2006
Проблем къси светлини - ляв фар не свети
Здравейте колеги,От скоро съм горд собственик на Toyota corolla/verso/ и вчера погледнах че левият фар не свети. Смених аз крушката, пак не свети, върнах се в магазина да правя рекламация за крушката, пробваха я-работи. Явно проблема е друг. Започнах да гледам бушоните един по един, но и там нищо ме открих,но забелязах, че и таблото изгасва при пуснати къси светлини, та моля ви, ако някой се е сблъсквал с такъв проблем, да даде малък жокер, преди да съм отишла при еладжия
- slowtraveler
- Мнения: 7093
- Регистриран на: 28 Май 2006 21:44
- Местоположение: Варна
- Автомобил: Nissan Qashqai 2008/2.0/AWD
- Благодарил/а: 446 пъти
- Получена благодарност: 473 пъти
Проблем къси светлини - ляв фар не свети
Да не би да бъркате 'изгасването на таблото' с преминаването му в нощен режим (нисък интензитет). Което би трябвало да стане и при включване на габарити...
Няма нужда да проверявате всички бушони. Важното е да проверите само този, който отговаря за даденият фар.
Тук мисля имаше инструкция, но и на този сайт може да разгледате нещата: http://knigaproavto.ru/shemy/en/toyota/ ... agram.html
Ако нищо не Ви стане ясно - пробвайте при електротехник
Няма нужда да проверявате всички бушони. Важното е да проверите само този, който отговаря за даденият фар.
Тук мисля имаше инструкция, но и на този сайт може да разгледате нещата: http://knigaproavto.ru/shemy/en/toyota/ ... agram.html
Ако нищо не Ви стане ясно - пробвайте при електротехник
Toyota Avensis 1.6 VVT-I / 2002г --> Mazda6 /2008 --> JGC 3.0/2014 --> ???
Chevrolet Kalos 1.4/16V/2004-> Nissan Qashqai 2.0 4x4 2008
Chevrolet Kalos 1.4/16V/2004-> Nissan Qashqai 2.0 4x4 2008
- WoLF
- Мнения: 3897
- Регистриран на: 05 Май 2016 09:21
- Местоположение: Стара Загора
- Автомобил: Приус '07
- Благодарил/а: 996 пъти
- Получена благодарност: 356 пъти
Проблем къси светлини - ляв фар не свети
При проверена крушка няма много места, от където да е проблема - бушон, фасунга (замерете дали въобще идва напрежение до нея), кабели и като цяло, както каза колегата, автомобилен електротехник при нещо затруднително... Успех! 



- Freedom
- Мнения: 412
- Регистриран на: 22 Яну 2010 11:04
- Местоположение: Бургас
- Благодарил/а: 13 пъти
- Получена благодарност: 16 пъти
Проблем къси светлини - ляв фар не свети
Здравей колега и добре дошъл във форума!
Светлините за двата фара се захранват от общ предпазител и щом десният свети означава, че проблемът не е в предпазителя. Провери с пробна лампа дали отива захранване до щекера, в който се набожда крушката. Ползвай масата (-) от самия щекер, а ако не светне пробната лампа опитай с масата на купето. Ако има захранване вероятно са нагорели пластините на щекера и трябва да ги почистиш или да смениш целия щекер. Ако няма - вероятно има проблем в окабеляването и ще трябва да се търси проблема. Ако не се справиш - пиши отново тук за да се срещнем и да опитам да помогна безплатно (и аз съм от Бургас).
Успех!
Светлините за двата фара се захранват от общ предпазител и щом десният свети означава, че проблемът не е в предпазителя. Провери с пробна лампа дали отива захранване до щекера, в който се набожда крушката. Ползвай масата (-) от самия щекер, а ако не светне пробната лампа опитай с масата на купето. Ако има захранване вероятно са нагорели пластините на щекера и трябва да ги почистиш или да смениш целия щекер. Ако няма - вероятно има проблем в окабеляването и ще трябва да се търси проблема. Ако не се справиш - пиши отново тук за да се срещнем и да опитам да помогна безплатно (и аз съм от Бургас).
Успех!
- BOz
- Мнения: 4725
- Регистриран на: 24 Сеп 2013 18:06
- Местоположение: София
- Благодарил/а: 10 пъти
- Получена благодарност: 260 пъти
Проблем къси светлини - ляв фар не свети
Не я знам тая Тойота, но би било много малоумно ако двата фара се захранват от един предпазител.
За това не ми се вярва.
За това не ми се вярва.
Разход на електричарка -> 
Разход на хибрид ->
Разход на дизелов автоматик ->

Разход на хибрид ->

Разход на дизелов автоматик ->

- gimara
- Мнения: 1825
- Регистриран на: 27 Фев 2014 18:56
- Местоположение: Пловдив
- Автомобил: Verso 1.8/CVT, 2016
- Благодарил/а: 65 пъти
- Получена благодарност: 153 пъти
Проблем къси светлини - ляв фар не свети
Да, ама не!
27. H-LP LH 15 A: Ляв фар (къси светлини)
28. H-LP RH 15 A: Десен фар (къси светлини)
Toyota Manuals/Сервизни ръководства/Ръководство на потребителя
Toyota Corolla Verso 1.8/2008 >> Toyota Verso 1.8,CVT/2016
Toyota Corolla Verso 1.8/2008 >> Toyota Verso 1.8,CVT/2016

-
K1ro0
- Мнения: 4
- Регистриран на: 28 Сеп 2018 05:21
- Местоположение: Бургас
- Автомобил: Toyota Coroll A Verso 2006
Проблем къси светлини - ляв фар не свети
Благодаря Ви колеги за бързите и изчерпателни отговори. Още утре се залавяне с търсенето на бушоните.. 
- slowtraveler
- Мнения: 7093
- Регистриран на: 28 Май 2006 21:44
- Местоположение: Варна
- Автомобил: Nissan Qashqai 2008/2.0/AWD
- Благодарил/а: 446 пъти
- Получена благодарност: 473 пъти
Проблем къси светлини - ляв фар не свети
Погледни още веднъж линка горе... Там е описано всичко детайлно... Като гледам - добре е да се провери и релето за светлината...
Toyota Avensis 1.6 VVT-I / 2002г --> Mazda6 /2008 --> JGC 3.0/2014 --> ???
Chevrolet Kalos 1.4/16V/2004-> Nissan Qashqai 2.0 4x4 2008
Chevrolet Kalos 1.4/16V/2004-> Nissan Qashqai 2.0 4x4 2008
-
K1ro0
- Мнения: 4
- Регистриран на: 28 Сеп 2018 05:21
- Местоположение: Бургас
- Автомобил: Toyota Coroll A Verso 2006
Проблем къси светлини - ляв фар не свети
Здравейте колеги, проверил съм и бушоните и те са здрави, но не мога да намеря релето H-LP LH. Смятам и Утре да човъркам в бушони и релета, но ако пак е без резултат в Понеделник ще я закарам на електротехник
- slowtraveler
- Мнения: 7093
- Регистриран на: 28 Май 2006 21:44
- Местоположение: Варна
- Автомобил: Nissan Qashqai 2008/2.0/AWD
- Благодарил/а: 446 пъти
- Получена благодарност: 473 пъти
Проблем къси светлини - ляв фар не свети
Първо започни с измерване на куплунга под товар.
Идва ли някакъв потенциал до него?
Идва ли някакъв потенциал до него?
Toyota Avensis 1.6 VVT-I / 2002г --> Mazda6 /2008 --> JGC 3.0/2014 --> ???
Chevrolet Kalos 1.4/16V/2004-> Nissan Qashqai 2.0 4x4 2008
Chevrolet Kalos 1.4/16V/2004-> Nissan Qashqai 2.0 4x4 2008
- gimara
- Мнения: 1825
- Регистриран на: 27 Фев 2014 18:56
- Местоположение: Пловдив
- Автомобил: Verso 1.8/CVT, 2016
- Благодарил/а: 65 пъти
- Получена благодарност: 153 пъти
Проблем къси светлини - ляв фар не свети
slowtraveler написа: ↑29 Сеп 2018 09:06 Като гледам - добре е да се провери и релето за светлината...
Релето е едно за двата фара. Щом свети десния, значи релето си работи.
Toyota Manuals/Сервизни ръководства/Ръководство на потребителя
Toyota Corolla Verso 1.8/2008 >> Toyota Verso 1.8,CVT/2016
Toyota Corolla Verso 1.8/2008 >> Toyota Verso 1.8,CVT/2016

- slowtraveler
- Мнения: 7093
- Регистриран на: 28 Май 2006 21:44
- Местоположение: Варна
- Автомобил: Nissan Qashqai 2008/2.0/AWD
- Благодарил/а: 446 пъти
- Получена благодарност: 473 пъти
Проблем къси светлини - ляв фар не свети
Гледах смехата, която бяха дали в линка горе - като че ли имаше две релета?!
Toyota Avensis 1.6 VVT-I / 2002г --> Mazda6 /2008 --> JGC 3.0/2014 --> ???
Chevrolet Kalos 1.4/16V/2004-> Nissan Qashqai 2.0 4x4 2008
Chevrolet Kalos 1.4/16V/2004-> Nissan Qashqai 2.0 4x4 2008
- gimara
- Мнения: 1825
- Регистриран на: 27 Фев 2014 18:56
- Местоположение: Пловдив
- Автомобил: Verso 1.8/CVT, 2016
- Благодарил/а: 65 пъти
- Получена благодарност: 153 пъти
Проблем къси светлини - ляв фар не свети
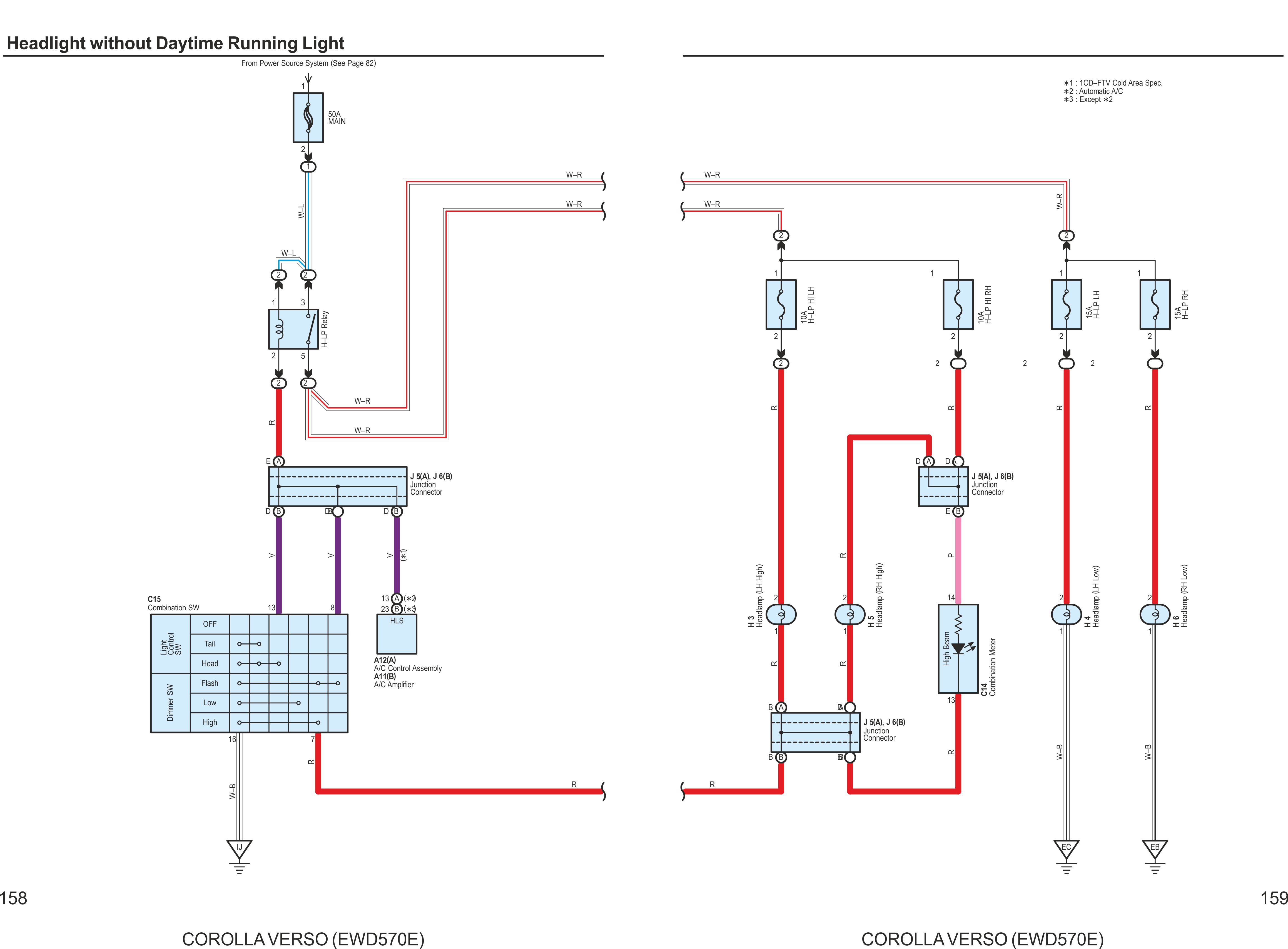
Има два предпазителя и едно реле - R3 H-LP Headlight. Това е от линка.slowtraveler написа: ↑30 Сеп 2018 10:19 Гледах смехата, която бяха дали в линка горе - като че ли имаше две релета?!
Ето я схемата от сервизното ръководство, за да отпаднат съмненията:
► Виж съдържание
Toyota Manuals/Сервизни ръководства/Ръководство на потребителя
Toyota Corolla Verso 1.8/2008 >> Toyota Verso 1.8,CVT/2016
Toyota Corolla Verso 1.8/2008 >> Toyota Verso 1.8,CVT/2016

- BOz
- Мнения: 4725
- Регистриран на: 24 Сеп 2013 18:06
- Местоположение: София
- Благодарил/а: 10 пъти
- Получена благодарност: 260 пъти
Проблем къси светлини - ляв фар не свети
Нормалната схема в производителите е едно реле с два предпазителя на изхода. Да се сложат две релета е загуба на финанси и е излишно.
Разход на електричарка -> 
Разход на хибрид ->
Разход на дизелов автоматик ->

Разход на хибрид ->

Разход на дизелов автоматик ->

Кой е на линия
Потребители разглеждащи този форум: 0 регистрирани и 7 госта