Колеги,
Знаете ли с колко кабела е буксата на страничното, дясно огледало на Авенсис 2004 г. 1.8. 129 к.с. с рама SB1ER56L80E070041? Мисля, че частта е номер 87901-05100.
Благодаря.
Авенсис Т25 странично огледало - букса?
- Cealtex
- Мнения: 362
- Регистриран на: 12 Май 2014 20:30
- Местоположение: София
- Автомобил: Toyota Avensis T25 2.0 D4D
- Благодарил/а: 1 път
- Получена благодарност: 2 пъти
Авенсис Т25 странично огледало - букса?
Добре си намерил номера на огледалото и ако го беше пуснал в чичо Гошо и после картинки щеше да получиш отговор на въпроса си
ЦЪК - ето една обява от Швеция с хубава 3-та снимка.
ЦЪК - ето една обява от Швеция с хубава 3-та снимка.
Авенсис Т25 странично огледало - букса?
Благодаря, колега!
Toyota Avensis T 25, 1.8 VVTI, 129 к.с. 2004 г. - комби
- Cealtex
- Мнения: 362
- Регистриран на: 12 Май 2014 20:30
- Местоположение: София
- Автомобил: Toyota Avensis T25 2.0 D4D
- Благодарил/а: 1 път
- Получена благодарност: 2 пъти
Авенсис Т25 странично огледало - букса?
За нищо! Пробвах да намеря и схемата на свъзване, но нещо не успях.
- Freedom
- Мнения: 412
- Регистриран на: 22 Яну 2010 11:04
- Местоположение: Бургас
- Благодарил/а: 13 пъти
- Получена благодарност: 16 пъти
Авенсис Т25 странично огледало - букса?
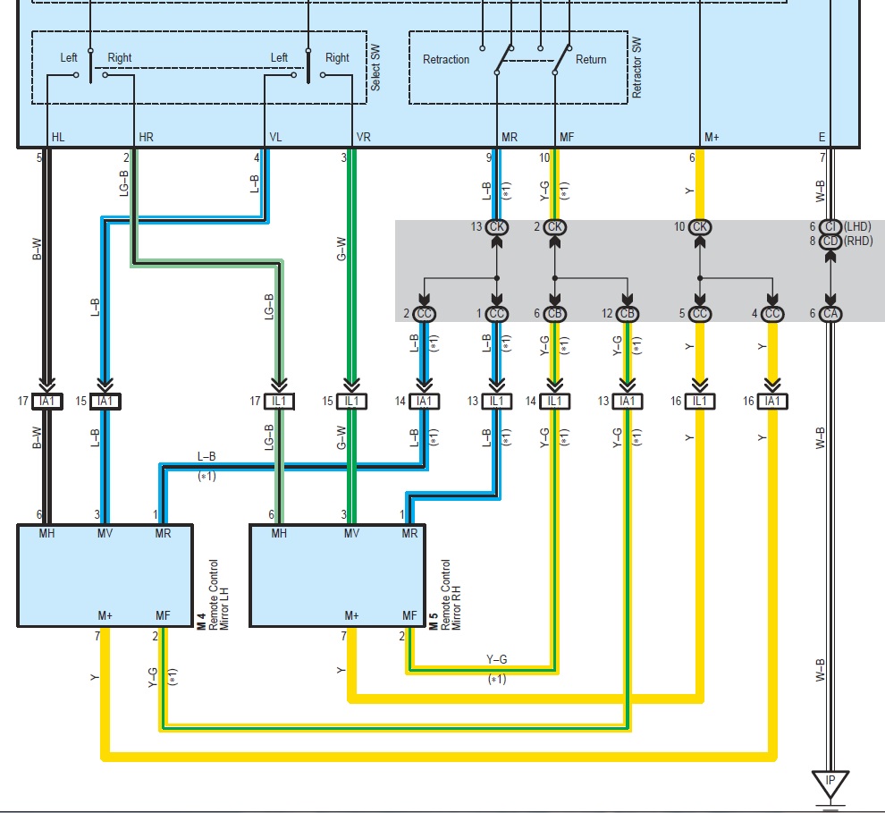
Доколкото виждам щекерът е 17 пинов, от които се използват 7. За дясното огледало е IL1.
- Прикачени файлове
-
- Mirror2.jpg (164.99 KiB) Преглеждано 3741 пъти
Авенсис Т25 странично огледало - букса?
Благодаря, колеги!
Toyota Avensis T 25, 1.8 VVTI, 129 к.с. 2004 г. - комби
Кой е на линия
Потребители разглеждащи този форум: 0 регистрирани и 3 госта
