Задна светлина за мъгла - Corolla Verso AR10 2.2 D4D 2007
Задна светлина за мъгла - Corolla Verso AR10 2.2 D4D 2007
Здравейте колеги,
Тази седмица установих, че задната светлина за мъгла не свети...всички останали светлини работят...
Първо проверих крушката - здрава е, след това бушона и той е здрав...
Някой има ли идея защо не свети и от къде може да е проблема? Няма нагоряли букси...
Благодаря
Тази седмица установих, че задната светлина за мъгла не свети...всички останали светлини работят...
Първо проверих крушката - здрава е, след това бушона и той е здрав...
Някой има ли идея защо не свети и от къде може да е проблема? Няма нагоряли букси...
Благодаря
-
tora
- Мнения: 1038
- Регистриран на: 22 Яну 2016 11:37
- Местоположение: Ст. Загора
- Благодарил/а: 8 пъти
- Получена благодарност: 12 пъти
Задна светлина за мъгла - Corolla Verso AR10 2.2 D4D 2007
Светила ли е някога? Индикатора в таблото реагира ли?
Задна светлина за мъгла - Corolla Verso AR10 2.2 D4D 2007
Да, работеше си...индикатора на таблото също свети...
- gimara
- Мнения: 1825
- Регистриран на: 27 Фев 2014 18:56
- Местоположение: Пловдив
- Автомобил: Verso 1.8/CVT, 2016
- Благодарил/а: 65 пъти
- Получена благодарност: 153 пъти
Задна светлина за мъгла - Corolla Verso AR10 2.2 D4D 2007
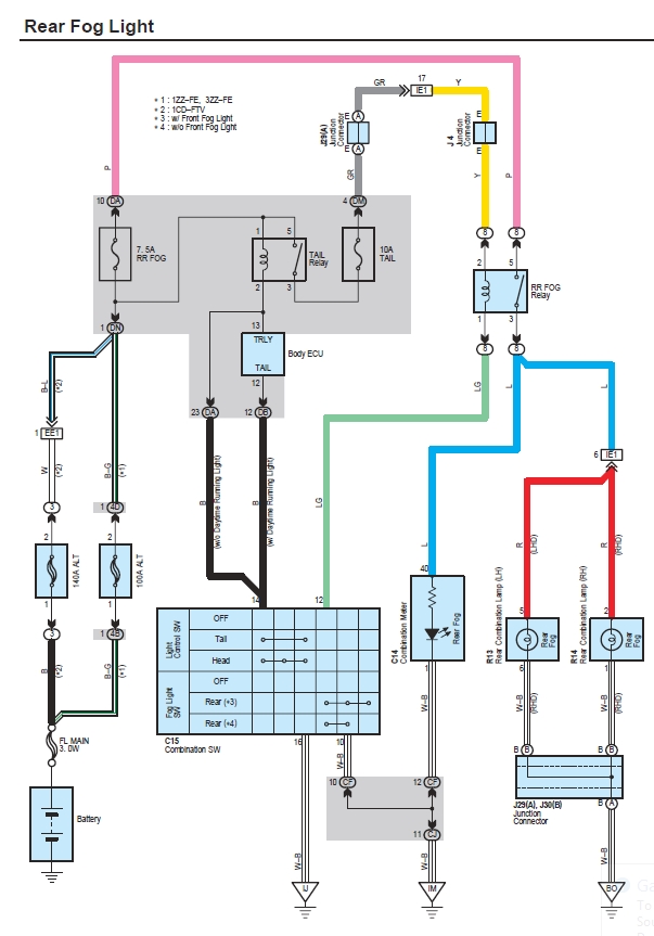
Има и реле. Намира се зад климатроника.
► Виж съдържание
Toyota Manuals/Сервизни ръководства/Ръководство на потребителя
Toyota Corolla Verso 1.8/2008 >> Toyota Verso 1.8,CVT/2016
Toyota Corolla Verso 1.8/2008 >> Toyota Verso 1.8,CVT/2016

- gimara
- Мнения: 1825
- Регистриран на: 27 Фев 2014 18:56
- Местоположение: Пловдив
- Автомобил: Verso 1.8/CVT, 2016
- Благодарил/а: 65 пъти
- Получена благодарност: 153 пъти
Задна светлина за мъгла - Corolla Verso AR10 2.2 D4D 2007
Щом свети лампата на таблото, значи работи релето. Гледай внимателно схемата.
Toyota Manuals/Сервизни ръководства/Ръководство на потребителя
Toyota Corolla Verso 1.8/2008 >> Toyota Verso 1.8,CVT/2016
Toyota Corolla Verso 1.8/2008 >> Toyota Verso 1.8,CVT/2016

Задна светлина за мъгла - Corolla Verso AR10 2.2 D4D 2007
Ей, супер! Благодаря за информацията. Ще сподеря като стигна до релето!
Задна светлина за мъгла - Corolla Verso AR10 2.2 D4D 2007
При мен на авенсиса е по същия начин, ще чакам да споделиш мнение как си решил проблема 
-
Оги
- Мнения: 1175
- Регистриран на: 09 Юли 2012 14:32
- Местоположение: Пазарджик
- Благодарил/а: 47 пъти
- Получена благодарност: 30 пъти
Задна светлина за мъгла - Corolla Verso AR10 2.2 D4D 2007
Първо провери за прекъсване в крушката, което може и да не се вижда, също за окиси по контактите на крушката и фасонката /патина/.
Toyota Corolla E11 1,3; Yaris SCP90 1,3 VVTI; Auris E15 1.33 VVTI;
Задна светлина за мъгла - Corolla Verso AR10 2.2 D4D 2007
Здравейте колеги. Сега намерих време да се занимая с проблема, то при тази изолация...
Ами на кратко - проверих всичко възможно, разглобих таблото и стигнах до въпросните релета. Преди време купих едно реле от същия вид, направих проби като заменях въпросните релета с новото, на за съжаление резултата е същия - лампата не свети...
Проверих още веднъж бушона, който се намира отстрани на кората на таблото от шофьорската страна, но и той е здрав. Проверих крушката, смених я с нова, но пак същото. Не видях нагари по клеми и букси, няма прекъснати кабели при буксите...
Вече не се сещам от къде може да е проблема....
Ако някой има друга идея, нека сподели.
Пазете се и бъдете здрави!!!
Ами на кратко - проверих всичко възможно, разглобих таблото и стигнах до въпросните релета. Преди време купих едно реле от същия вид, направих проби като заменях въпросните релета с новото, на за съжаление резултата е същия - лампата не свети...
Проверих още веднъж бушона, който се намира отстрани на кората на таблото от шофьорската страна, но и той е здрав. Проверих крушката, смених я с нова, но пак същото. Не видях нагари по клеми и букси, няма прекъснати кабели при буксите...
Вече не се сещам от къде може да е проблема....
Ако някой има друга идея, нека сподели.
Пазете се и бъдете здрави!!!
- slowtraveler
- Мнения: 7089
- Регистриран на: 28 Май 2006 21:44
- Местоположение: Варна
- Автомобил: Nissan Qashqai 2008/2.0/AWD
- Благодарил/а: 445 пъти
- Получена благодарност: 473 пъти
Задна светлина за мъгла - Corolla Verso AR10 2.2 D4D 2007
A изпълняваш ли правилно процедурата - т.е. да си на къси светлини (за габарити не съм сигурен) докато се опитваш да пуснеш задната светлина за мъгла?
И съответно - тя се самоизключва при изгасване на двигателя, като за последваща активация отново трябва да се завърти ключа и (в това положение е без задържане)...
И съответно - тя се самоизключва при изгасване на двигателя, като за последваща активация отново трябва да се завърти ключа и (в това положение е без задържане)...
Toyota Avensis 1.6 VVT-I / 2002г --> Mazda6 /2008 --> JGC 3.0/2014 --> ???
Chevrolet Kalos 1.4/16V/2004-> Nissan Qashqai 2.0 4x4 2008
Chevrolet Kalos 1.4/16V/2004-> Nissan Qashqai 2.0 4x4 2008
- mapamop
- Мнения: 5740
- Регистриран на: 28 Юли 2019 12:49
- Местоположение: Русе
- Автомобил: Avensis WG T25,1ZZFE,2005
- Благодарил/а: 185 пъти
- Получена благодарност: 761 пъти
Задна светлина за мъгла - Corolla Verso AR10 2.2 D4D 2007
Мултиметъра/Мултицета/УредЪТ какво казва за волтажа във фасунгата при пусната светлина за мъгла?
Мисля че плюса беше отвън/по цокъла на крушката, а минуса е вътре на "пъпката" на крушката. Ако са две вътрешните пластинки ще трябва да налучкаш коя е за "мъглата".
При мен не светеше бялата светлина за задната скорост. Оказа се че трябва да си изчистя патината по пластините, и да натегна вътрешната пластинка да притисне хубаво към крушката.
И да си отстраня теча на вода във стоповете....
Като цяло се надявам да е "някаква дребна глупост", обаче ще ти скъса нервите преди това.
Мисля че плюса беше отвън/по цокъла на крушката, а минуса е вътре на "пъпката" на крушката. Ако са две вътрешните пластинки ще трябва да налучкаш коя е за "мъглата".
При мен не светеше бялата светлина за задната скорост. Оказа се че трябва да си изчистя патината по пластините, и да натегна вътрешната пластинка да притисне хубаво към крушката.
И да си отстраня теча на вода във стоповете....
Като цяло се надявам да е "някаква дребна глупост", обаче ще ти скъса нервите преди това.
Opel Astra F 1.7D(1993) -> Toyota Avensis T25 (2005), E: 1ZZFE, F: ZZT251L / Corolla Verso (07.2007), E: 1ZZFE, F: ZNR11L
--
Тц...тц...тц...
--
Тц...тц...тц...
-
homie
- Мнения: 45
- Регистриран на: 04 Май 2016 09:37
- Местоположение: София
- Автомобил: Toyota Avensis
- Получена благодарност: 1 път
Задна светлина за мъгла - Corolla Verso AR10 2.2 D4D 2007
Записвам се да следя темата, защото скоро установих, че тази лампа, както и лампата в багажното отделение, не светят. За Авенсис комби говоря.
Сменях лампата в багажника, но явно по веригата е проблема.
За лампата за мъгла, пробвах с нова, не. Мерих напрежението, показваше някаква малка стойност, мисля беше <1V, но не е 0.
Сменях лампата в багажника, но явно по веригата е проблема.
За лампата за мъгла, пробвах с нова, не. Мерих напрежението, показваше някаква малка стойност, мисля беше <1V, но не е 0.
Toyota Avensis Estate T25, 2AD-FTV, 2008
- mapamop
- Мнения: 5740
- Регистриран на: 28 Юли 2019 12:49
- Местоположение: Русе
- Автомобил: Avensis WG T25,1ZZFE,2005
- Благодарил/а: 185 пъти
- Получена благодарност: 761 пъти
Задна светлина за мъгла - Corolla Verso AR10 2.2 D4D 2007
Някой от вас двамата да има теглич?
Тема:
https://www.toyotaownersclub.com/forums ... t-missing/
Кабелите за осветлението в багажника стигат до лявата колонка между предната и задната врата. Схема с окабеляването на Авенсис Т25:
Тема:
https://www.toyotaownersclub.com/forums ... t-missing/
Кабелите за осветлението в багажника стигат до лявата колонка между предната и задната врата. Схема с окабеляването на Авенсис Т25:
Opel Astra F 1.7D(1993) -> Toyota Avensis T25 (2005), E: 1ZZFE, F: ZZT251L / Corolla Verso (07.2007), E: 1ZZFE, F: ZNR11L
--
Тц...тц...тц...
--
Тц...тц...тц...
Кой е на линия
Потребители разглеждащи този форум: 0 регистрирани и 6 госта