Замяна на механични седалки с електрически Авенсис Т25
-
karamanovv
- Мнения: 3
- Регистриран на: 30 Мар 2019 00:49
- Местоположение: Sofia
- Автомобил: Avensis
Замяна на механични седалки с електрически Авенсис Т25
Здравейте колеги,
Наскоро си купих кожени седалки от кола с дясна генерация и ги сложих на моя Авенсис с лява генерация, но не мога да ги накарам да се движат.
Под старите седалки си има кабел с ток и няколко кабели с букси(за еърбег, сензор за сложен колан и още една), но като цяло буксите не съвпадат.
Поиграх си и смених буксите така, че да паснат на кожените седалки, но пак изглежда че не мога да ги движа и сякаш няма никакъв ток отдолу под седалките.
Не държа да имам подгрев, но държа да мога да ги движа, понеже в момента стоят на едно и също положение е и крайно неудобно за шофьора и пасажера отпред.
Някой сблъсквал ли се е с подобен проблем и как сте се справили?(Предполагам става дума за някакви допълнителни кабели, бушони, релета..)
Благодаря предварително!
Наскоро си купих кожени седалки от кола с дясна генерация и ги сложих на моя Авенсис с лява генерация, но не мога да ги накарам да се движат.
Под старите седалки си има кабел с ток и няколко кабели с букси(за еърбег, сензор за сложен колан и още една), но като цяло буксите не съвпадат.
Поиграх си и смених буксите така, че да паснат на кожените седалки, но пак изглежда че не мога да ги движа и сякаш няма никакъв ток отдолу под седалките.
Не държа да имам подгрев, но държа да мога да ги движа, понеже в момента стоят на едно и също положение е и крайно неудобно за шофьора и пасажера отпред.
Някой сблъсквал ли се е с подобен проблем и как сте се справили?(Предполагам става дума за някакви допълнителни кабели, бушони, релета..)
Благодаря предварително!
- TATI
- Мнения: 3144
- Регистриран на: 02 Авг 2005 11:54
- Местоположение: София
- Благодарил/а: 27 пъти
- Получена благодарност: 220 пъти
- Обратна връзка:
Замяна на механични седалки с електрически Авенсис Т25
То ако така ставаше....
Тая "и още една" няма нищо общо с ел задвижването на седалките. Тя е за подгрев на същите и за да има ток до тях, ти трябват и бутоните за подгрев.
И това не е проблем, а въпрос на ниво на оборудване на модела.
Тая "и още една" няма нищо общо с ел задвижването на седалките. Тя е за подгрев на същите и за да има ток до тях, ти трябват и бутоните за подгрев.
И това не е проблем, а въпрос на ниво на оборудване на модела.
Прочетете правилата на форума!
Hi-Ace 1979, 2.2 D, manual
Corolla Sedan 1998, 1.6i, automatic Terra
Avensis Wagon 2005, 2.0, D-4D, manual Sol
Kia Cee'd 2007, 1.6 CVVT EX, automatic
Hi-Ace 1979, 2.2 D, manual
Corolla Sedan 1998, 1.6i, automatic Terra
Avensis Wagon 2005, 2.0, D-4D, manual Sol
Kia Cee'd 2007, 1.6 CVVT EX, automatic
-
karamanovv
- Мнения: 3
- Регистриран на: 30 Мар 2019 00:49
- Местоположение: Sofia
- Автомобил: Avensis
Замяна на механични седалки с електрически Авенсис Т25
Благодаря. Не съм казал, че ще е лесно, затова се обръщам към форума..
Ако някоя е минал през същото, моля да сподели.
Ако някоя е минал през същото, моля да сподели.
- Freedom
- Мнения: 412
- Регистриран на: 22 Яну 2010 11:04
- Местоположение: Бургас
- Благодарил/а: 13 пъти
- Получена благодарност: 16 пъти
Замяна на механични седалки с електрически Авенсис Т25
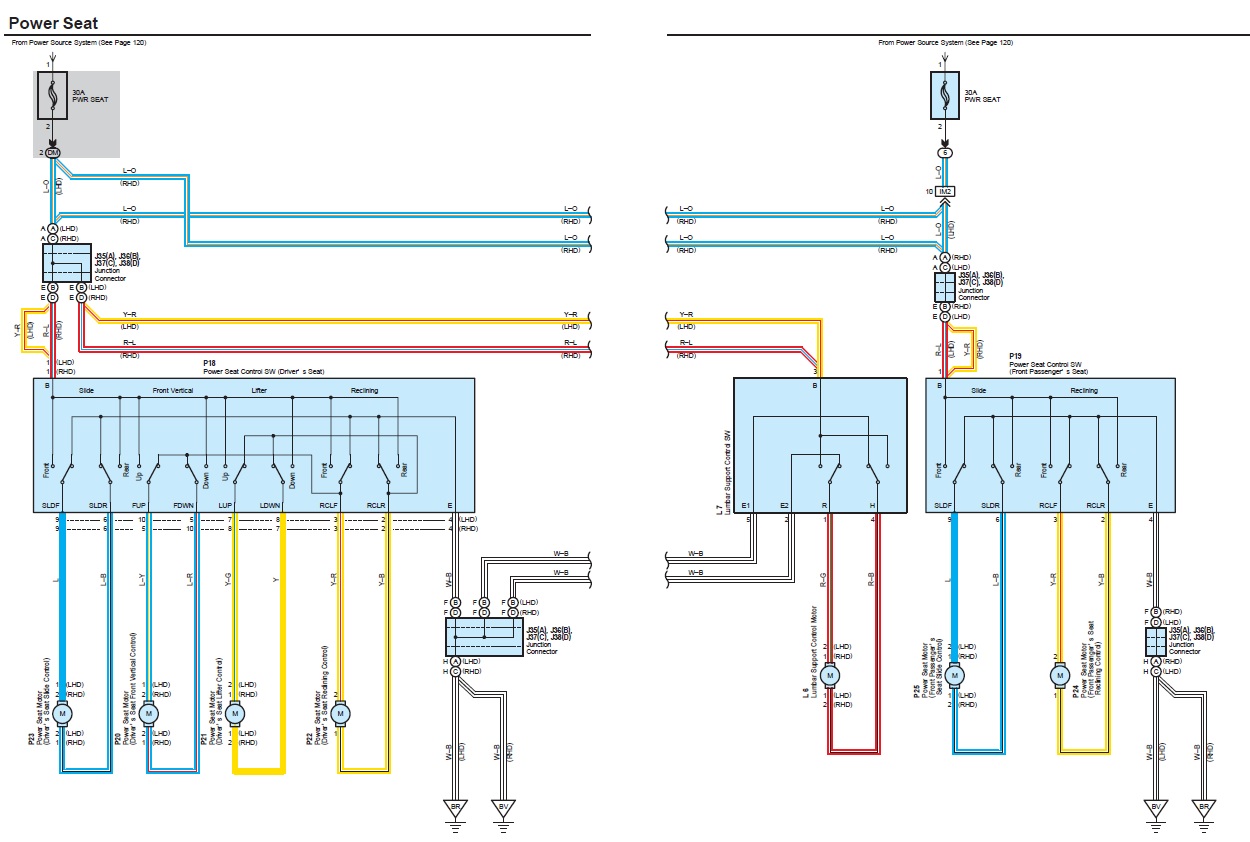
Това без схеми ли го направихте?!karamanovv написа: ↑01 Яну 2021 16:55 Поиграх си и смених буксите така, че да паснат на кожените седалки, но пак изглежда че не мога да ги движа и сякаш няма никакъв ток отдолу под седалките.
-
karamanovv
- Мнения: 3
- Регистриран на: 30 Мар 2019 00:49
- Местоположение: Sofia
- Автомобил: Avensis
Замяна на механични седалки с електрически Авенсис Т25
За съжаление тази схема на снимката не ми говори нищо.
Някой може ли да препоръча сервиз в Пловдив или региона, където ще могат да се занимаят със това?
Някой може ли да препоръча сервиз в Пловдив или региона, където ще могат да се занимаят със това?
-
SL1m
- Мнения: 8
- Регистриран на: 30 Дек 2019 09:02
- Местоположение: София
- Автомобил: Авенсис Т25 1АZ FSE
-
SL1m
- Мнения: 8
- Регистриран на: 30 Дек 2019 09:02
- Местоположение: София
- Автомобил: Авенсис Т25 1АZ FSE
Замяна на механични седалки с електрически Авенсис Т25
Един въпрос как се разбира нивото на оборудване?
Toyota avensis T25 1AZ FSE
- TATI
- Мнения: 3144
- Регистриран на: 02 Авг 2005 11:54
- Местоположение: София
- Благодарил/а: 27 пъти
- Получена благодарност: 220 пъти
- Обратна връзка:
Замяна на механични седалки с електрически Авенсис Т25
По VIN номер
Прочетете правилата на форума!
Hi-Ace 1979, 2.2 D, manual
Corolla Sedan 1998, 1.6i, automatic Terra
Avensis Wagon 2005, 2.0, D-4D, manual Sol
Kia Cee'd 2007, 1.6 CVVT EX, automatic
Hi-Ace 1979, 2.2 D, manual
Corolla Sedan 1998, 1.6i, automatic Terra
Avensis Wagon 2005, 2.0, D-4D, manual Sol
Kia Cee'd 2007, 1.6 CVVT EX, automatic
-
SL1m
- Мнения: 8
- Регистриран на: 30 Дек 2019 09:02
- Местоположение: София
- Автомобил: Авенсис Т25 1АZ FSE
Замяна на механични седалки с електрически Авенсис Т25
може ли да и кажеш какво ниво на оборудване съм SB1EJ56L20E006939 ?
Toyota avensis T25 1AZ FSE
- TATI
- Мнения: 3144
- Регистриран на: 02 Авг 2005 11:54
- Местоположение: София
- Благодарил/а: 27 пъти
- Получена благодарност: 220 пъти
- Обратна връзка:
Замяна на механични седалки с електрически Авенсис Т25
SOL ти е нивото, т.е. средно
Прочетете правилата на форума!
Hi-Ace 1979, 2.2 D, manual
Corolla Sedan 1998, 1.6i, automatic Terra
Avensis Wagon 2005, 2.0, D-4D, manual Sol
Kia Cee'd 2007, 1.6 CVVT EX, automatic
Hi-Ace 1979, 2.2 D, manual
Corolla Sedan 1998, 1.6i, automatic Terra
Avensis Wagon 2005, 2.0, D-4D, manual Sol
Kia Cee'd 2007, 1.6 CVVT EX, automatic
Кой е на линия
Потребители разглеждащи този форум: 0 регистрирани и 3 госта