антифриз,нормално състояние на маркучите

Аватар
sveto2000
Мнения: 90
Регистриран на: 08 Ное 2007 13:25

антифриз,нормално състояние на маркучите

Мнение от sveto2000 » 14 Фев 2008 09:38

колеги имах проблеми с парното на авенсиса 7а-фе двигател и се наложи да сменя радиаторчето на парното,при смяната и запълване на системата,постъпих по нормалния начин запълних я до загряване и отваряне на втория кръг,искам да попитам дали е нормално сутрин когато е изтинал двигателя маркучите към радиатора са свити като вакум това нормално ли е като се запали колата и загрее всичко е нормално,колата държи средна темп. и няма колебания,също искам да попитам дали има значение вход изход на радиаторчето за парното Благодаря предварително

ceko26
Мнения: 488
Регистриран на: 16 Фев 2007 15:47
Местоположение: София

Мнение от ceko26 » 14 Фев 2008 10:30

Zavisi kakwo mu e polojenieto i dali moje da se samoobezvuzdy6i.
Авенсис 3S-FE

Аватар
sveto2000
Мнения: 90
Регистриран на: 08 Ное 2007 13:25

Мнение от sveto2000 » 14 Фев 2008 13:05

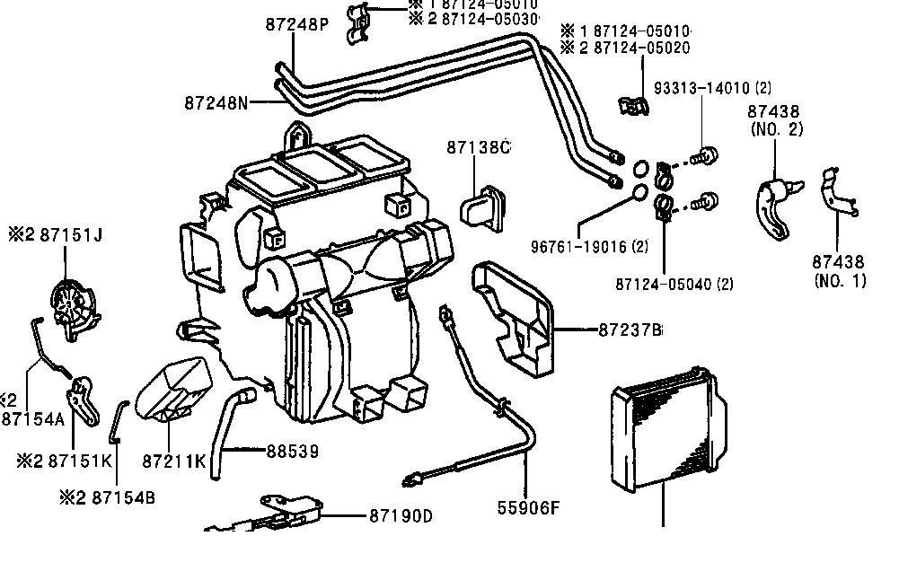
само това ли е предназначението на вход/изход на радиатора за парно-да се обезвъздушава,щото намерих един радиатор за парно за авенсис с десен волан и го сложих и сега колата си има нормално парно,но като го монтираш се сменят отворите вход/изход
говорим за едни и същи радиатори но за различен монтаж,някой смята ли че ще имам проблем
Прикачени файлове
untitled2.GIF
untitled2.GIF (25.48 KiB) Преглеждано 4124 пъти
untitled1.GIF
untitled1.GIF (21.71 KiB) Преглеждано 4124 пъти

Аватар
sveto2000
Мнения: 90
Регистриран на: 08 Ное 2007 13:25

дренаж

Мнение от sveto2000 » 14 Фев 2008 13:15

някой знае ли и този дренаж за какво е и ако е запушен случаъно какво става
Прикачени файлове
untitled3.GIF
untitled3.GIF (22.67 KiB) Преглеждано 4121 пъти

ceko26
Мнения: 488
Регистриран на: 16 Фев 2007 15:47
Местоположение: София

Мнение от ceko26 » 14 Фев 2008 18:22

По снимката немога да се ориентирам.
Антифриза трябва да навлиза през долния маркуч и да избута въздуха да излезе през горния .
Авенсис 3S-FE

agent dust
Мнения: 2235
Регистриран на: 15 Авг 2005 23:26
Местоположение: София

Мнение от agent dust » 14 Фев 2008 20:50

като е студена колата, маркучите трябва да са меки, но без да са свити като от вакуум. ако са свити - почисти си капачката на радиаторът, обратният клапан не сработва и не позволява да се засмуче охладителна течност от компенсационното казанче при изстиване на двигателя - нормално така функционира охладителната система на почти всеки автомобил. като се загрее течността, част от нея се прелива в казанчето, като изгасиш колата и започне да изстива двигателят - охладителната система засмуква течност от компенсационното казанче през обратъният клапан на капачката на радиаторът. вакуум се получава когато капачката не е изправна и не позволява засмукване от казанчето.

в много редки случаи налягането в охладителната система се запазва дори при студен двигател - ако си с някаква модифицирана капачка на радиаторът. аз примерно имам налягане дори при студен двигател, турбо субарата - също. не знам коя е причината, но е факт, с капачка 1.1 бара или нагоре(аз съм с капачка за 1.3 бара) налягането се запазва дори при студен двигател. нормално капачката е на 0.9 бара. но при всички случаи вакуум не трябва да се получава!

този дренаж за който питаш най-вероятно е за климатика и трябва да виси свободно извън купето, не трябва да е запушен.
status: за БАН

ceko26
Мнения: 488
Регистриран на: 16 Фев 2007 15:47
Местоположение: София

Мнение от ceko26 » 15 Фев 2008 08:55

Kak razbra, 4e ima6 naliagane pri studen dvigatel?
Авенсис 3S-FE

Аватар
sveto2000
Мнения: 90
Регистриран на: 08 Ное 2007 13:25

Мнение от sveto2000 » 15 Фев 2008 12:31

какво значи почистване на капачката,ами ако тя не работи сигурно не се обезвъздушава и системата както трябва,като я гледам няма натрупвания,каде трябва да е замърсена

jamie
Мнения: 2495
Регистриран на: 11 Сеп 2004 10:02
Местоположение: U S A

Мнение от jamie » 15 Фев 2008 14:28

Смени я глупавата капачка, 6-10 лева е нова по Симеон.

Аватар
sveto2000
Мнения: 90
Регистриран на: 08 Ное 2007 13:25

Мнение от sveto2000 » 15 Фев 2008 14:34

ами ще я сменя кво да правя щото ми е много съмнителна

ceko26
Мнения: 488
Регистриран на: 16 Фев 2007 15:47
Местоположение: София

Мнение от ceko26 » 15 Фев 2008 21:50

Не си купувай нова капачка просто долей до ръбчето радиатора като е студен.
Авенсис 3S-FE

Публикувай отговор

Кой е на линия

Потребители разглеждащи този форум: 0 регистрирани и 3 госта