Пънки, за ЕДИС-а !
Пънки, за ЕДИС-а !
Можеш ли да измериш диаметъра на ЕДИС - колелцето, както и зъбите му ? Важно ми е а и горе-долу спешно !
Re: Пънки, за ЕДИС-а !
jamie написа:Можеш ли да измериш диаметъра на ЕДИС - колелцето, както и зъбите му ? Важно ми е а и горе-долу спешно !
- Прикачени файлове
-
- nadyavam se da ti pomogne! uspehi! punky :)
- 36-1 razmeri.JPG (50.09 KiB) Преглеждано 6106 пъти
ako si reshil da si otlivash takova, po-dobre si go napravi s razmerite koito ti vurshat rabota na teb!
nyama znachnie kolko golyamo e koleloto, vaznoto e da ima 36-1 zuba, koeto shte otchite na sensora cliyat krug ot 360 gradusa, na vseki 10 gradusa, kato tam kudeto nyama zub (toest i signala se promenya) sluzi za izmervane na tochnata poziciya na kol. val.
taka che debelinata na koleloto tryabva da e 1cm, moze i malko poveche. zubite tryabva da sa 7mm visoki, shirinata na gornata ploska chast na zuba e 3mm (znaeme che dulzinata e 10mm).
tova tryabva da ti e pre-dostatuchno za da si napravish takova kolelo, samo che si go napravi za tvoyat razmer, da i pasne dobre.
uspehi,
punky
nyama znachnie kolko golyamo e koleloto, vaznoto e da ima 36-1 zuba, koeto shte otchite na sensora cliyat krug ot 360 gradusa, na vseki 10 gradusa, kato tam kudeto nyama zub (toest i signala se promenya) sluzi za izmervane na tochnata poziciya na kol. val.
taka che debelinata na koleloto tryabva da e 1cm, moze i malko poveche. zubite tryabva da sa 7mm visoki, shirinata na gornata ploska chast na zuba e 3mm (znaeme che dulzinata e 10mm).
tova tryabva da ti e pre-dostatuchno za da si napravish takova kolelo, samo che si go napravi za tvoyat razmer, da i pasne dobre.
uspehi,
punky
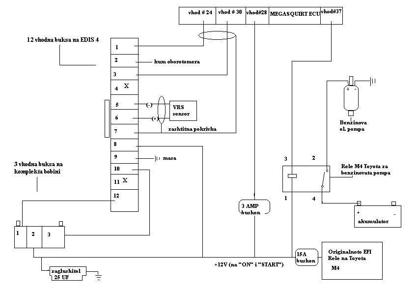
eto i kak da gi svurzesh! 
ti poneze si s karburator, tryabva da si slozish edno rele M4 v chernata kutiya s releta i bushoni v motornoto otdelnie. prosto go zabodi na praznoto myasno. posle otdolu,i ma edin glaven jak (buksa) kum koyato idva tok ot akumulatora, tochno opositnata strana na buksata e izhoda na EFI releto, toest slagas si edna zica tam v buksata, i ya prekarvash v kupeto (pod kalnika, za da ne sedi na toplo) i kum neya navurzvash nshtata kakto e po shemata.
uspehi,
punky
PS: signala za oborotmera (vhod #2) tryabva da mine prez filtur, no oshte neznam tochno kakuv. ima variant za proba, sus izhod #11 na buksata na EDIS, da e chsit signal za oborotomer (tam izobshto nyamashe kabel na originalnata buksa) no shte proverya i shte dobavya ako ima smisul.
PSS: hubavoto mu na EDIS-a e che si e samostoyatelna sistema. toest, ako kabela za kontorl ot ECU-to kum EDIS-a e prekusnat, EDIS vednaga preminava na default kato izkarva izkrata 10 gradusa predi murtvata tochka na vseki cilindur. zatova e hubavo da se slozi i buksa na kabela za kontrol (#3) mezdu edis i megasquirt, udobstvo kogato se pravyat probi.
ti poneze si s karburator, tryabva da si slozish edno rele M4 v chernata kutiya s releta i bushoni v motornoto otdelnie. prosto go zabodi na praznoto myasno. posle otdolu,i ma edin glaven jak (buksa) kum koyato idva tok ot akumulatora, tochno opositnata strana na buksata e izhoda na EFI releto, toest slagas si edna zica tam v buksata, i ya prekarvash v kupeto (pod kalnika, za da ne sedi na toplo) i kum neya navurzvash nshtata kakto e po shemata.
uspehi,
punky
PS: signala za oborotmera (vhod #2) tryabva da mine prez filtur, no oshte neznam tochno kakuv. ima variant za proba, sus izhod #11 na buksata na EDIS, da e chsit signal za oborotomer (tam izobshto nyamashe kabel na originalnata buksa) no shte proverya i shte dobavya ako ima smisul.
PSS: hubavoto mu na EDIS-a e che si e samostoyatelna sistema. toest, ako kabela za kontorl ot ECU-to kum EDIS-a e prekusnat, EDIS vednaga preminava na default kato izkarva izkrata 10 gradusa predi murtvata tochka na vseki cilindur. zatova e hubavo da se slozi i buksa na kabela za kontrol (#3) mezdu edis i megasquirt, udobstvo kogato se pravyat probi.
- Прикачени файлове
-
- shema megasquirt + Edis 4 za Toyota.GIF (10.85 KiB) Преглеждано 6063 пъти
Кой е на линия
Потребители разглеждащи този форум: Baidu [Spider] и 3 госта