Ремонт Алтернатор

Аватар
Bass_Man
Мнения: 5559
Регистриран на: 15 Сеп 2007 20:38
Местоположение: София
Благодарил/а: 2 пъти
Получена  благодарност: 1 път

Ремонт Алтернатор

Мнение от Bass_Man » 27 Яну 2009 02:40

Изображение

Изображение

Изображение

Това е прецакан регулатор за така наречен мокър алтернатор ( с водно охлаждане ) на бош . Някой дали има идея къде може да се намери такова нещо . Алтернатора е от BMW E38 740 2000 година .
Също така и два диода ще трябва да се сменят , а те са набити на една метална плочка .

Или ако не друго поне на кой крак какво влиза и излиза .

Ето така изглежда сглобен :
Изображение

Аватар
martod
Мнения: 1501
Регистриран на: 15 Ное 2008 17:49
Местоположение: Пловдив, което си е пак в страната на абсурдите .

Мнение от martod » 27 Яну 2009 10:11

Какви са тия алтернатори, на вражески марки бре Бас Мечо ??? laugh.gif biggrin.gif laugh.gif .......Виж първо в Косер, Ауто-хелп или Евро 07......Ако няма при тях, в Дару Кар-много ще ти се зарадват.... tongue.gif
СВЕТЪТ Е КРЪЧМА........ДА СЕДНЕМ НА ЕДНА МАСА....

Аватар
ninormal
Мнения: 94
Регистриран на: 13 Яну 2009 16:12
Местоположение: Dobrich-Varna

Мнение от ninormal » 27 Яну 2009 10:17

Bosh.... wacko.gif По алфата ми всичко е бош и започнах вече да страдам biggrin.gif Другата фирма е тази
http://www.autoplus.bg/stores.php
Mitsubishi Shogun Pinin 2.0 GDI A/T 2001 129hp
Alfa Romeo 156 1.8 T.S M/T 1999 144 hp

Аватар
extel
Мнения: 152
Регистриран на: 20 Окт 2007 10:44
Местоположение: София

Мнение от extel » 27 Яну 2009 10:25

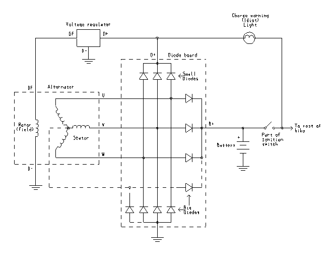
Само тази схема имам, има малки разлики в алтернаторите в зависимост от годината на прозводство( в броя на диодите), но общо взето, ако ти си го разглобил най- вероятно ще можеш да се ориентираш за потенциалите. :thumbsup:
Прикачени файлове
bmw_alternator.gif
bmw_alternator.gif (6.1 KiB) Преглеждано 8090 пъти
AVENSIS 2.0 D4D 2001 SOL 110 HP

http://vbox7.com/play:00dda1ee76 - смеех...

Аватар
Bass_Man
Мнения: 5559
Регистриран на: 15 Сеп 2007 20:38
Местоположение: София
Благодарил/а: 2 пъти
Получена  благодарност: 1 път

Мнение от Bass_Man » 27 Яну 2009 13:46

Принципно схемата е тази обаче не мога да разбера защо има два извода към колата . Демек има B+ има си маса , която е на корпус и отделно на една малка буксичка излизат 2 пинчета . От които едното да е за лампата ама другото за какво може да е ? Или може да ползват само едното ?
Защото ако не намеря някакво такова мисля да сложа едно обикновенно регулаторче . И с тези диоди още не знам какво ще правя .

Аватар
Bass_Man
Мнения: 5559
Регистриран на: 15 Сеп 2007 20:38
Местоположение: София
Благодарил/а: 2 пъти
Получена  благодарност: 1 път

Мнение от Bass_Man » 27 Яну 2009 13:51

martod написа:Какви са тия алтернатори, на вражески марки бре Бас Мечо ??? laugh.gif biggrin.gif laugh.gif .......Виж първо в Косер, Ауто-хелп или Евро 07......Ако няма при тях, в Дару Кар-много ще ти се зарадват.... tongue.gif
В дару се продава само цял алтернатор и цифрата е 4-ри цифрена ! Айде нема нужда при напълно здрав алетрнатор за едно насрано реленце и два диода да даде френда 2 000 лв ?!?!?!?!
Алтернатора си е много хубав и е без четки така ,че освен тези дреболийки няма какво друго да му се преебе .
В крайна сметка ще извадя всичко отвън в една кутия и ще се приключи въпроса !

Scott
Мнения: 2710
Регистриран на: 25 Ное 2004 18:44
Местоположение: Bristol, UK
Получена  благодарност: 1 път

Мнение от Scott » 27 Яну 2009 14:36

Bass_Man написа:... Айде нема нужда при напълно здрав алетрнатор за едно насрано реленце и два диода да даде френда 2 000 лв...
От предишния ми опит с ремонт на алтернатори, освен ако не е руски и диодите са набити в радиатор, тези 'два диода' ще ти разкажат играта.

Аватар
Bass_Man
Мнения: 5559
Регистриран на: 15 Сеп 2007 20:38
Местоположение: София
Благодарил/а: 2 пъти
Получена  благодарност: 1 път

Мнение от Bass_Man » 27 Яну 2009 15:10

Ве ако трябва ще ги изкарам отвънка ве егати диодите . Аз принципно мисля да взема цялата плочка от някъде .

Аватар
martod
Мнения: 1501
Регистриран на: 15 Ное 2008 17:49
Местоположение: Пловдив, което си е пак в страната на абсурдите .

Мнение от martod » 27 Яну 2009 16:04

Bass_Man написа:Ве ако трябва ще ги изкарам отвънка ве егати диодите . Аз принципно мисля да взема цялата плочка от някъде .
Изкарвай една плочка от Лада, с едно електронно реле за лада и си в джаза.......А второто пинче е за кондензатор против смущения......
СВЕТЪТ Е КРЪЧМА........ДА СЕДНЕМ НА ЕДНА МАСА....

Scott
Мнения: 2710
Регистриран на: 25 Ное 2004 18:44
Местоположение: Bristol, UK
Получена  благодарност: 1 път

Мнение от Scott » 27 Яну 2009 17:10

martod написа:...А второто пинче е за кондензатор против смущения......
Зависи от буквичката (стандарт DIN):
- кондензатор, ако е В+ (което е всъщност положителния полюс на акумулатора)
- D+ или L - лампата за зареждане
- W - оборотомер или реле за подгряване на свещите при дизел
- DF (DFM) - ЕКУ

Аватар
slowtraveler
Мнения: 7095
Регистриран на: 28 Май 2006 21:44
Местоположение: Варна
Автомобил: Nissan Qashqai 2008/2.0/AWD
Благодарил/а: 446 пъти
Получена  благодарност: 473 пъти

Мнение от slowtraveler » 27 Яну 2009 19:42

С една плочка от Лада няма да можеш да изкараш скромните 140А...
Иначе можеш да се пробваш да направиш един външен изправителен блок, ама ще трябват много яки диоди, добра кутия, яки кабели (за да имат добро охлаждане, и в същия момент да не окъси някъде акумулатора / алтернатора)...
Наистина го няма като отделна част - алтернатора се предлага единствено като пълен комплект... Не знам как е варианта за цял алтернатор от морга в германия...
Toyota Avensis 1.6 VVT-I / 2002г --> Mazda6 /2008 --> JGC 3.0/2014 --> ???
Chevrolet Kalos 1.4/16V/2004-> Nissan Qashqai 2.0 4x4 2008

Scott
Мнения: 2710
Регистриран на: 25 Ное 2004 18:44
Местоположение: Bristol, UK
Получена  благодарност: 1 път

Мнение от Scott » 27 Яну 2009 22:35

slowtraveler написа:... ама ще трябват много яки диоди...
Не знам за този конкретен модел, но като гледах данните на алтернатори на Искра, над 120А ги дават с транзисторни(MOSFET) изправители.

Аватар
slowtraveler
Мнения: 7095
Регистриран на: 28 Май 2006 21:44
Местоположение: Варна
Автомобил: Nissan Qashqai 2008/2.0/AWD
Благодарил/а: 446 пъти
Получена  благодарност: 473 пъти

Мнение от slowtraveler » 27 Яну 2009 23:04

Възможно е... но едва ли би имало проблем да ги направиш и с диоди (за MOSFET ще ти трябва допълнително управление за да превключваш транзисторите в точната фаза)...
Но лично аз бих потърсил втора ръка от морга, ако не ми се дават скромните 1870лв или бих поръчал от USA (200-600$).
С тея електроники в колата не бих рискувал да си експериментирам със самоделка...
Toyota Avensis 1.6 VVT-I / 2002г --> Mazda6 /2008 --> JGC 3.0/2014 --> ???
Chevrolet Kalos 1.4/16V/2004-> Nissan Qashqai 2.0 4x4 2008

Аватар
Bass_Man
Мнения: 5559
Регистриран на: 15 Сеп 2007 20:38
Местоположение: София
Благодарил/а: 2 пъти
Получена  благодарност: 1 път

Мнение от Bass_Man » 28 Яну 2009 00:01

Честно да ви кажа днес направо не повярвах какво се случи . Не стана веднага но в крайна сметка още в първия магазин след доста търсене и обаждания тук таме намериха регулатора и диодите . Разбира се цената си беше подобаваща но все пак доста по-приемлива ! Малко под 190лв. само , че не е на бош (дето вика брато и по-добре) ами е някакво английско . А пък аз докато си разглеждах един каталог за изправителни плочки намерих някакви диоди 50А за вграждане biggrin.gif . Проверихме ситуацията имаше на по бройка и се оказаха на цена 6 лв. После се оказа ,че нямали 50А та ми дадоха 70А и аз им казах , че ако имат и 100А могат да ми дадат :whistle: .
Та общо взето нещата ги събрахме днес и успях да сменя диодите tongue.gif . Все пак ни предложиха и рециклиран алтернатор , като върнем нашия даваме само още 1450лв. .
След малко ще има и снимки !

Аватар
Bass_Man
Мнения: 5559
Регистриран на: 15 Сеп 2007 20:38
Местоположение: София
Благодарил/а: 2 пъти
Получена  благодарност: 1 път

Мнение от Bass_Man » 28 Яну 2009 00:23

Ето го и снимковия матриал:

Това е плочката , която затваря алтернатора отпред . И на нея са диодите и регулатора.
Изображение

Това е корпуса с намотките и леглото за лагера отзад.
Изображение

Роторчето .
Изображение

Капака , който покрива лицевата плоча .
Изображение

Задната страна на предната плоча. Тук се вижда възбудителната намотка.
Изображение

Вече демонтирана плочката с диодите за плюса. И единия диод избит от леглото.
Изображение

Задната страна на плочката с диодите.
Изображение

Подготовка за избиване на другия диод . Процеса на избиване и набиване обратно на двата нови диода. Всичко стана доста лесно .
Изображение


Изображение

Изображение

Изображение

Изображение

Изображение

Изображение

Изображение

Изображение

Изображение

Изображение

Изображение

Изображение

Изображение

Изображение

Изображение

Изображение

Изображение

Изображение

Изображение

Изображение

На това място утре трябва да монтирам плочката с диодите и да започваме сглобяването .
Изображение

Както някой може би ще забележат за да се извършат тези манипулаций не беше нужно отварянето на целия алтернатор . Можеше само да се свали лицевата плоча с диодите . Но понеже никой не знаеше кое от къде се отваря за това го разглобихме целия в бързината biggrin.gif .
martod написа:.............А второто пинче е за кондензатор против смущения......
За какви смущения става въпрос ? Този алтернатор няма четки .

Благодаря на всички за помоща и съдействието !

Публикувай отговор

Кой е на линия

Потребители разглеждащи този форум: 0 регистрирани и 5 госта